GKMsound
Systemimmun
Hi,
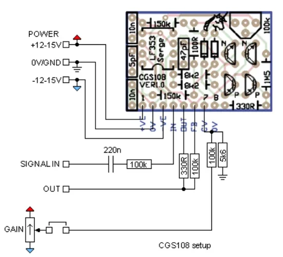
ich habe mal einen Plan von der Verstärkerzelle nach "gebaut".

Was meint ihr kann das so funktionieren?
ich habe mal einen Plan von der Verstärkerzelle nach "gebaut".

Was meint ihr kann das so funktionieren?
Folge dem Video um zu sehen, wie unsere Website als Web-App auf dem Startbildschirm installiert werden kann.
Anmerkung: This feature may not be available in some browsers.


Der Aufbau zum Abgleichen der Zellen habe ich so :hab dir doch hier
schon beschrieben, wie man die Zelle beschalten mussda fehlen einige externe R's


Nur welchen?Wenn es trotz richtigem Testaufbau nicht funktioniert hast du entweder beim Abzeichnen oder beim Bestücken einen Fehler gemacht.
TL072Hast du einen LF353 oder einen TL072 als OpAmp verbaut ?
Habe alles mehrfach geprüft aber es ist wie es ist - kann nix finden.Wenn ich es richtig sehe hast du aus der Platine den Schaltplan gezeichnet und daraus dann wieder eine Platine fertigen lassen. Da ist natürlich eine Menge dazwischen, was schiefgehen kann.
Damit hatte ich noch nie Erfolg, die Dinger sind mir ein Graus.Bau doch mal die Schaltung auf einem Breadboard nach.
nein, das ist Transimpedazverstärker, die Gegenkopplung mit 100k hat er ja extern gemacht.... die Ausgangsstufe: Sie ist ein Komparator und wird nur +/- 12V ausgeben
Aber ist da nun technisch was anders, wie in meinem Plan? Kann nix erkennen auf die Schnelle.Работа сайта временно приостановлена
translate.google.com