O
osterchrisi
..
Hi!
Ich soll für einen Freund die Kopfhörerbuchse von einem alten Kopfhörerverstärker reparieren (austauschen) und an sich ja alles gut, die Pinbelegungen lassen sich im Internet finden und es kommt auch Signal drauf (lediglich die Pins sind hinten rausgebrochen) - ABER was zur Hölle ist bitte dieses kleine Anhängsel da oben??? Auf beiden Pins (pink + rot) ist offensichtlich +15V drauf und die scheinen auch über eine Diode mit den R/L Pins vom DIN-Stecker verbunden zu sein - schließe ich zumindest vom Diodentest des Multimeters rück. Die anderen 4 Pins von dem 'Extra-Stecker' sind frei.
Hat jemand eine Ahnung davon? Baujahr ist 1986, am liebsten würd ich den DIN-Stecker einfach gegen eine Stereobuchse tauschen, aber ich hab keine Ahnung, wohin mit den 15V dann... Leider ist der Stecker auch noch vernietet, das heisst, ich will erst mal wissen, was ich da mach, bevor ich den da rausoperiere.
Vielen Dank für Hinweise.
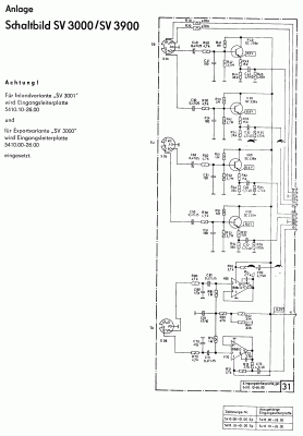
PS: Gerät ist das hier.
Ich soll für einen Freund die Kopfhörerbuchse von einem alten Kopfhörerverstärker reparieren (austauschen) und an sich ja alles gut, die Pinbelegungen lassen sich im Internet finden und es kommt auch Signal drauf (lediglich die Pins sind hinten rausgebrochen) - ABER was zur Hölle ist bitte dieses kleine Anhängsel da oben??? Auf beiden Pins (pink + rot) ist offensichtlich +15V drauf und die scheinen auch über eine Diode mit den R/L Pins vom DIN-Stecker verbunden zu sein - schließe ich zumindest vom Diodentest des Multimeters rück. Die anderen 4 Pins von dem 'Extra-Stecker' sind frei.
Hat jemand eine Ahnung davon? Baujahr ist 1986, am liebsten würd ich den DIN-Stecker einfach gegen eine Stereobuchse tauschen, aber ich hab keine Ahnung, wohin mit den 15V dann... Leider ist der Stecker auch noch vernietet, das heisst, ich will erst mal wissen, was ich da mach, bevor ich den da rausoperiere.
Vielen Dank für Hinweise.
PS: Gerät ist das hier.
