Neu

Roland System 100 101 Pflege/Reinigung/Einstellen

  • #31
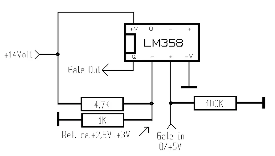
Das schnell erklärt, der 101 will ein 15V Gate was mein sequenzer nicht zur Verfügung stellt. Dadurch die Option mit dem Kenton vom Sequenzer midi auf CV zu wandeln mit einem 15V Gate.
Das hättest du auch billiger haben können.
Ich hau hier mal eine Schaltung rein zum direkten Einbau falls du dich Traust.
Leider habe ich im Moment nicht die Möglichkeit es besser zu Zeichnen.
 

Anhänge

  • Gate.webp
    Gate.webp
    8,9 KB · Aufrufe: 15
  • #32
Heute kam der Dark Link an. Also zuerst mal auf 12v gejumpert. Funktioniert! Auch wenn ich die learn Funktion bestimmt 5x ausführen musste. Aber jetzt kann Erica sich mit Roland unterhalten ^^. Nutze übrigens die CV/Trigger Eingänge hinten.
 
  • Daumen hoch
M.i.a.u.: patilon
  • #33
So ich hab mich nun hingesetzt gehabt und den 101 auf Herz und Nieren getestet. Sprich nochmal alle Potis mit den Oszi auf die Werte vom technischen Manual eingestellt.
Zudem hatte ich auch elkos ausgetauscht. Der Synth klingt nun wieder wie er soll. Zumindest wenn ich mir Vergleichsvideos anschaue.
ABER ich hab ein Fader der Probleme macht, und zwar ein 100kOhm der für VFC Cutoff Frequence.

Ich hab ihn also ausgebaut und nochmals gereinigt, leider ohne Erfolg.. Mein Multimeter zeigt mir immer min und max 100KOhm an.
Zuerst dachte ich das vielleicht die Fader Pins im inneren keinen Kontakt haben und hatte die vorsichtig leicht hochgebogen. Bringt aber auch nichts.
Was kann das sein? Was könnte ich noch versuchen?
Jemmand eine Idee?

IMG_1998[1].JPG IMG_1999[1].JPG
 

News

Zurück
Oben