Neu
  • Tages-/Nachtmodus unten links (Footer) ändern:

    System: Automatische Anpassung an die Helligkeit eures Betriebssystems.
    Hell: Sequencer im Daymode.
    Dunkel: Weniger Kontrast – ideal für Nachteulen!

Supersimples Midi -> CV Interface

  • Ersteller Ersteller 3456778674
  • Erstellt am Erstellt am
  • #181
ungleichklang schrieb:
da diese Projekt aber ein MCV sein soll ist da keine Oszillatorfunktion eingebaut
naja, so ein interner digitaler lfo, den man zb per modwheel auf die pitch-cv legen koennte, ist ja prinzipiell schon ne schicke sache in einem mcv - aber damit waere man dann wohl schon jenseits von 'supersimpel'. :)
 
  • #183
bartleby schrieb:
naja, so ein interner digitaler lfo, den man zb per modwheel auf die pitch-cv legen koennte, ist ja prinzipiell schon ne schicke sache in einem mcv - aber damit waere man dann wohl schon jenseits von 'supersimpel'. :)

Das Ding ist jetzt schon jenseits von 'supersimple' :phat: :phat: :phat:
 
  • #184
ungleichklang schrieb:
Das Ding ist jetzt schon jenseits von 'supersimple' :phat: :phat: :phat:

Jepp. Wobei das bei der Software ja eher egal ist, was man nicht will, lässt man einfach liegen. In dem Sinne war das "simpel" anfangs auch eher auf die Hardware bezogen, die 50 x 50 Hardware hält das auch noch so weitgehend...
Die große Platine orientiert sich eher an dem, was die meisten für ein DIY-Midi-CV Interface haben wollen. Das muss nicht extrem klein und einfach sein, sondern eher so mittel, gerne aber ohne Schikanen beim Aufbau.


Aktueller Stand zu dieser "großen" (80x100mm) Version:

Die Platine ist gedacht zur Integration in einem Modularsynthesizer. Die Spannungsversorgung erfolgt über einen Doepfer, MOTM, Curetronic, oder (minimal bastelig) Yusynth Busstecker. Die Platine läuft mit +/-12 oder +/-15V. Die internen 5V werden auf der Platine erzeugt, für (kleine) externe Verbraucher (einige 10mA) können die auch auf den Doepfer-Stecker gejumpert werden.

Es gibt 4CV-Ausgänge. Der Nennbereich der Ausgänge kann zwischen 0..5V, -5V...5V und 0...10V umgejumpert werden. Die Spannungen werden von einem 12Bit Wandler erzeugt (4096 Stufen). Das ergibt eine Auflösung, bei der Pitch-Bend per Software sinnvoll nutzbar ist. Der Pitch-Bend-Bereich ist +/-2 Halbtöne.
Default-Zuordnung:
CV1 Tonhöhe, 0..5V
CV2 Velocity,
CV3 Mod-Wheel
CV4 Pitch-Bender


Es sind eine ganze Menge Controller-Pins herausgeführt, die können softwaredefinierbar diverse Ein- und Ausgangsfunktionen übernehmen, d.h. folgendes kann man durchaus ändern, einiges werde ich auch noch ändern ... beschrieben ist das, was derzeit da/fertig ist. Diese Aus- und Eingänge haben generell 0...5V.

Bis zu 4 Gate-Ausgänge. (K.a. was man damit soll... normalerweise schalten die alle beim einzigen eingestellen Note-On ... da fällt euch bestimmt was sinnvolleres ein. )

Midi-Start/Stopp Ausgang. Damit kann man einen Sequencer per Midi starten/halten lassen.

Midi-Clock Ausgang. Einstellbarer Teiler. Poti-Eingang, um den Teiler einzustellen. 16 musikalisch sinnvolle Werte zwischen "Din-Sync" und 1 Puls/ganze Note. Die Pulsdauer ist 50%, das kann man auch direkt als "LFO" mißbrauchen.

0...5V CV-Eingang als Tonhöhen-Quantisierer. (Wird derzeit fest auf den CV3-Ausgang addiert, *wenn* CV3 Tonhöhe ausgibt ... ) Was hier reingeht, wird auf die nächstliegende Halbtonhöhe gebracht. (D.h. man kann mit einem Poti am Sequencer "stimmende" Töne einstellen. )

An Bedienelementen gibt es eine Taste und eine LED. Damit kann man den Midi-Kanal, die tiefste Note (welche Midi Note ist die kleinste CV-Ausgangspannung) und den Controller einstellen, der CV3 zugeordnet ist. Außerdem gibt er den Panik-Button: wenn man ihn kurz antippt, gehen alle Noten aus.
Die LED zeigt an, wenn ein Note-On ansteht (=das Gate gesetzt ist). ( + noch ein paar Sachen, die hier jetzt zu weit führen... )

Die komplette Konfiguration erfolgt über Midi per Sys-Ex. Dazu nutze ich derzeit den Konfigurator des Bareille-Interfaces.



Denkbare, angedachte und teilweise nie verwirklicht werdende weitere Optionen:
- eigenes Konfigurationstool.
- DCO-Ausgang. Ein Oszillator, der Rechteck bzw. einstellbare Pulswelle ausgeben kann. (Das doofe daran ist, das sich der vor allem, da sehr stabil, als Modulationsoszillator eignet. Dafür wäre aber Sinus günstig. Und das ist gleich das volle Programm beim Waveshaper... )
- LFO-Erzeugung auf einem der CV-Ausgänge. Auch für Midi-Synchrone LFOs interessant. Würde dann per CC eingestellt. (Das Controllerkeybaord hat ja meist einige, doch eher ungenutzte davon...)
- Hüllkurve auf einem der CV-Ausgänge.
- "Glide" für die Tonhöhe. Auch per CC, dafür gibt es sogar festgelegte.
- Auto-Duosone/Duophoner-Modus: 2 CV-Ausgänge, die bei einer gedrückten Note das gleich ausgeben (Unisono der beiden VCOs), bei zwei gedrückten Noten aber die beiden Tonhöhen.
(Irgendwelche höheren Polyphonie-Moden finde ich weniger sinnig, dafür braucht man doch eher 12CVs... )
- Mehrere Konfigurationen. Per Poti-Eingang eine aus 16 gespeicherten Konfigurationen auswählbar. (Die erstellt man sich einmal, und kann dann, ohne Computer, dazwischen wählen. )
 
  • #185
Hi,

Glide (gerne mit Legato-Funktion) und Duophonie fände ich super! :phat: :phat: :phat:

Midigesyncter LFO hat natürlich auch was... ;)

Schön wäre es,wenn die verschiedenen Clockteiler des LFOs per Potie anwählbar wären.

Cheers
Greg
 
  • #186
nordcore schrieb:
Die Platine ist gedacht zur Integration in einem Modularsynthesizer. Die Spannungsversorgung erfolgt über einen Doepfer, MOTM, Curetronic, oder (minimal bastelig) Yusynth Busstecker. Die Platine läuft mit +/-12 oder +/-15V.
oh achso, schade eigentlich, das hatte ich so gar nicht mitgekriegt. dann bin ich wohl eher raus. hab das nie recht verstanden, warum leute mcv in ihr modularsystem integrieren wollen, dafuer ist mir mein knapper eurorackspace viel zu kostbar. ich hatte ein ein kleines extrakistchen gedacht mit stromversorgung ueber irgendeine normale +9v bis +12v wandwarze oder so - eventuell auch zum direkten einbau zum midifizieren von diesem oder jenem. hatte ich wohl missverstanden...

hm, aber es gibt auch noch eine mini-variante? hat die eine einfacher zu handhabende stromversorgung? nach info werd ich den fred nochmal durchackern - aber heute nicht mehr, bin zu muede. :)
 
  • #187
Du willst die kleine Version 8)
file.php


(Die große Version *kann* man auch mit Wandwarze speisen, dann fallen einige Teile im Analog-Ausgang weg die CVs haben dann (fest und "nur") 0..5V. Als externe Kiste finde ich die aber nicht so sinnvoll, denn wenn man die Möglichkeiten, die das Ding bietet, in einem Patch nutzt, dann hat man einen Kabelverhau, bei der ich mir eine Integration ins Rack deutlich praktikabler vorstelle. )
 
  • #188
... oder 12VAC Netzteil und kleine Zusatzbastelei ... kann gerne noch ein Layout dazu machen.



(edit: Schaltplan jetzt mit Änderungen entsprechend Tips von nordcore.)

mfG Bruce
 

Anhänge

  • 12V_DualPower.webp
    12V_DualPower.webp
    26,4 KB · Aufrufe: 29
  • #189
Das doofe ist, das man kaum noch (günstige) 12V AC-Wandwarzen bekommt.
Was an der (ziemlich sinnvollen) EU-Richtlinie liegt, die den Herstellern absurd hohe Standby-Stromaufnahmen und erbärmliche Netzteil-Wirkungsgrade verbietet. Und so eine Wandwarze ist nun mal im Standby, wenn das Gerät aus ist.
 
  • #190
nordcore schrieb:
Du willst die kleine Version 8)
ich will die kleine version.

nordcore schrieb:
das sind nicht die droiden, die ihr sucht 8)
das sind nicht die droiden, die wir suchen.

nordcore schrieb:
wenn man die Möglichkeiten, die das Ding bietet, in einem Patch nutzt, dann hat man einen Kabelverhau, bei der ich mir eine Integration ins Rack deutlich praktikabler vorstelle. )
tja, das ist son altes streitthema. viele sehen das offenbar genau so, anders kann ich mir das wachsende angebot an eurorack-mcv nicht erklaeren. aber rackpaltz ist nunmal knapp, da werde ich ihn nicht noch mit sachen vergeuden, die ich auch als extrakiste haben kann (und dann auch flexibler mal mit anderen analogen nutzen kann). und nen kabelverhau gibts doch eh, da kommts auf ein paar mehr zwischen kiste und rack auch nicht an. aber das ist offenbar geschmackssache.

ich werd mir auf jeden fall die kleine version mal naeher anschauen, du hast vermutlich recht und die ist besser fuer mich. der entwicklungsstand ist fuer beide in etwa gleich, oder? oder nimmst du fuer die kleine version schon bestellungen auf?
 
  • #192
Da gibt es ja sogar 15V und 18V ... 8)
:nihao:
 
  • #193
...wo wir gerade beim Thema sind: wie wäre es mit einem nächsten Projekt in Richtung des Fueltank und ähnlichen, also Geräten, welche die benötigten Spannungen und Leistungen für eine Reihe von Kästchen zur Verfügung stellen und so die Batterie der Wand-Netzgeräte drastisch reduzieren?...

...den Fueltank habe ich im Einsatz, allerdings liefert er für viele Geräte nicht die ausreichende Leistung...insgesamt 1500mA sind zu wenig, eher bräuchte man pro Ausgang 1000mA :mrgreen: ...
 
  • #194
hey cool, dann waere ja das:
Bruce schrieb:
... oder 12VAC Netzteil und kleine Zusatzbastelei ... kann gerne noch ein Layout dazu machen.

Hier war mal ein Schaltplan (12VAC zu +/-12VDC) ... poste den nochmal, mache nur (nach nordcores Tips) noch ein paar kleine Änderung.
plus das:
Bruce schrieb:
Dort find ich den Preis okay: http://www.netzgeraet.de/steckernetztei ... 2v-ac.html ...hab da schon zweimal gekauft.
auch ein prima guenstiges netzteil fuer ein euro-skiff und dergleichen!

entspricht dabei dann die maximal verfuebgare stromstaerke (nach der sich richtet, wieviele bzw welche module man damit bestromen kann) allein nach der verwendeten wandwarze? (sorry, ist vermutlich ne dumme frage - hab keine ahnung von diesen dingen, kann nur bauanleitungen nachloeten)
 
  • #196
So... Layout steht soweit... das chinesische Neujahr drängelt... (da geht da wohl zwei Wochen gar nix... )
 

Anhänge

  • mod-cv-tov.webp
    mod-cv-tov.webp
    84,2 KB · Aufrufe: 74
  • #198
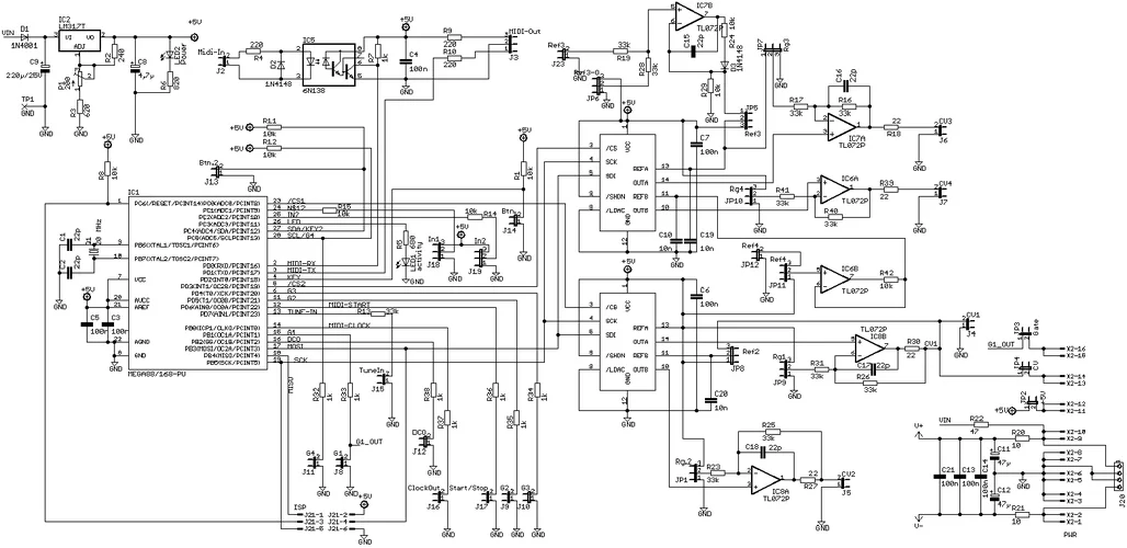
... wenn auch nicht mehr so wirklich simpel ...
 

Anhänge

  • mod-cv-sch.webp
    mod-cv-sch.webp
    93,2 KB · Aufrufe: 60
  • #200
Stecker- und Jumper-Plan:


Rot=(als Default) gesteckte Jumper.

JP2, 3, 4 legen die +5V, Gate oder CV optional auf den Doepfer-Bus

Die "Rg" (Range) Jumper wählen, ob man 5V (offen), +/5V (2-3) oder 10V(1-2) als CV haben will.


Blaßlila hinterlegt sind die Anschüsse, die man typischerweise mindestens auf die Frontplatte legen will.
 

Anhänge

  • mod-midicv-jumper.webp
    mod-midicv-jumper.webp
    89,3 KB · Aufrufe: 219
  • #201
So ... Platinen-Bestellung ist abgeschickt. (Letztes mal hat es keine 2 Wochen gedauert, diesmal vermutlich mit Zoll, das könnte dann ein paar Tage extra brauchen... )

Infos zum Bestellablauf gibt es, wenn die Platinen da sind - vorher braucht ihr mich nicht mit PMs zu bombardieren :superstar:
 
  • #202
Your Order has been upgraded to status "in production" :tralala:
 
  • #203
So wieder im Lande. Und siehe da Reichelt da und der Dragon . :D :D :D

Jetzt kann es weiter gehen.



Gruß Micha
 
  • #204
Ui... dann mache ich da gleich mal mit der Doku weiter.

Reicht dir der Bestückungsplan erst mal, um die Platine zu löten?

... hier schon mal der passende Schaltplan:
 

Anhänge

  • #205
Ui... dann mache ich da gleich mal mit der Doku weiter.

Reicht dir der Bestückungsplan erst mal, um die Platine zu löten?


Ja reicht mir. Habe schon angefangen. Falls ich eine Frage habe melde ich mich schon. :)


Gruß Micha
 
  • #206
Bruce schrieb:
... oder 12VAC Netzteil und kleine Zusatzbastelei ... kann gerne noch ein Layout dazu machen.



(edit: Schaltplan jetzt mit Änderungen entsprechend Tips von nordcore.)

Falls jemand Interesse hat / das Interface standalone betreiben möchte, so könnte das Layout für Dual 12V aussehen:



mfG Bruce
 

Anhänge

  • 12V_DualPower_layout.webp
    12V_DualPower_layout.webp
    29,3 KB · Aufrufe: 145
  • #207
monoton schrieb:
Ja reicht mir. Habe schon angefangen.
Zum Löten: es gibt eine "wirre" Kabelbrücke auf der Oberseite, die mit isoliertem Draht auszuführen ist. (Ich behaupte mal, das hätte das Layout versaut, die besser zu legen... ). Das ist der Reset-Pin zum Programmier-Stecker.

Falls du langsam in die Inbetriebnahmephase kommst:
Zunächst mal ohne die gesockelten Chips einschalten. Dann mit dem Trimmer genau 5V einstellen. Der Einstellbereich ist zwar so, das er komplett "legal" ist, man macht sich aber später den Oktavabgleich leichter, wenn das schon ziemlich gut stimmt.


Als nächstes kommt dann Atmel anschließen und programmieren. Dazu brauchst du sechs von diesen einpoligen Kabeln (die ich oben zum mitbestellen nahegelegt hatte...) , die vom Dragon zur Platine gehen.
Beim Dragon kommen die an den 6-poligen ISP-Stecker, auf der Platine auf die einreihige Pfostenleiste neben der CPU.
 

Anhänge

  • #208
So fast fertig mit löten. Nur habe ich oder Reichelt beim Warenkorb einfügen die Sockel raus gehauen. Die kleinen hatte ich noch da nur für den atmega nicht.
Morgen schnell mal besorgen.
Dann wird der Atmega beschrieben.
Ich hoffe ich habe alles richtig gemacht. :)


Gruß Micha
 
  • #209
Bruce schrieb:
Falls jemand Interesse hat / das Interface standalone betreiben möchte, so könnte das Layout für Dual 12V aussehen

Da hätte ich Interresse dran, auch wenn ich das eigentliche Interface nicht brauche. Geht zwar auch auf Lochraster, aber ne Platine find ich immer schöner.
 
  • #210
changeling schrieb:
Da hätte ich Interresse dran, auch wenn ich das eigentliche Interface nicht brauche. Geht zwar auch auf Lochraster, aber ne Platine find ich immer schöner.
Öhm, nich das n Mißverständnis da is / entsteht: Ich hatte (zumindest bisher*) nicht vor, da für mehrere Platinen herstellen zu lassen ... falls du das so meintest. Hab nur mal das Layout zum vorher von mir vorgeschlagenem Schaltplan gemacht.

Falls jemand selbst ätzen kann/möchte, kann ich gerne die Ätzvorlage hochladen.

* Denke auch nicht, dass da größeres Interesse vorliegt (?) und gebe lieber gleich zu, dass ich eigentlich Laie bin - aber, eine +/-15V-Version davon habe ich schonmal erfolgreich layoutet + gebaut.

mfG Bruce
 

Neue Beiträge

News

Zurück
Oben