Das war ein Nerd-WitzWas könnte ich da finden?

Es gibt ja viele Möglichkeiten eine Clock zu generieren, aber meistens haben die keine große BPM-Anzeige.Bei mir war und wird wieder es eine Roland SBX1 sein. Und LFO Out aus Dark Energy zum clocken von SQ1 und Pocket Operator. Musste ich mal machen weil der sync out vom SQ1 zum PO Eingang nicht syncte mit Volca aber schon. Wollte einen Volca nicht immer dazwischen bauen. Also LFO out Funktioniert Super.
![]()
Woran scheitert es im Detail?Inzwischen habe ich das Temps_Utile bekommen, aber ich scheitere schon daran, das Tempo meines Sequenzers Behringer 182 von der internen clock des T_u steuern zu lassen.
Wenn ich zB Kanal 1 des T_u auf interne clock stelle und dann Kanal 1 mit Tempo CV in des Behringer 182 verbinde, kommt kein gerader Takt, sondern einzelne langsame und einige rasend schnelle Steps. Wenn ich das T_u mit Trigger in verbinde, läuft die Sequenz bei niedrigen bpm einmal durch, bleibt auf der 1 eine Zeitlang stehen und läuft dann weiter. Bei steigenden bpm werden immer weniger Schritte der Sequenz abgespielt.Woran scheitert es im Detail?
Es ist zwar schon eine zeitlang her als ich das 182 hatte, aber hast du den step-schalter in mittelstellung?Wenn ich zB Kanal 1 des T_u auf interne clock stelle und dann Kanal 1 mit Tempo CV in des Behringer 182 verbinde, kommt kein gerader Takt, sondern einzelne langsame und einige rasend schnelle Steps. Wenn ich das T_u mit Trigger in verbinde, läuft die Sequenz bei niedrigen bpm einmal durch, bleibt auf der 1 eine Zeitlang stehen und läuft dann weiter. Bei steigenden bpm werden immer weniger Schritte der Sequenz abgespielt.
Jetzt schon. Und schon geht es! Es könnte alles so einfach sein, wenn man gleich drauf käme.hast du den step-schalter in mittelstellung?

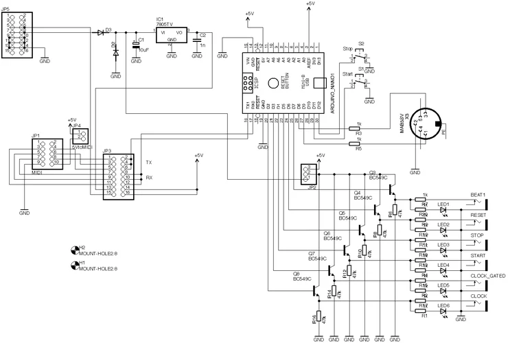
Hab ich noch nicht gebaut, aber ich bezweifle, dass 20€ genügen. Allein der Arduino Nano kostet jetzt schon ~20€ und wenn Du einen Clone nimmst bist du immer noch bei ~15 Euro. Mit stabilem Gehäuse dürftest Du bei 40€ landen.
Die Clockausgänge nimmt er direkt ungebuffert vom Arduino, da ist nicht garantiert, dass man damit jedes Gerät treiben kann. Außerdem machen die dann nur so 4,9V. Ich würde da noch eine Transistorstufe dahinterhängen, die den eigentlichen Ausgang dann mit V++ betreibt (das können dann auch +12V sein).
Mach ich bei meinem aktuelln ClockMan / ClockBoy-Projekt so.
Anhang anzeigen 179403
(die 5-Pol DIN-Buchse ist ein DIN-Sync anschluss. Das Modul ist als Clock-Slave gedacht, aber den Tempo-Regler ala YMNK kann man problemlos dranhängen)
Beantworte ich mir gleich selber: Gemass Spec 50 ppm = 0.005% bei 16 MHz, das sind 0.18 Sekunden pro Stunde, wenn ich richtig gerechnet habe.Ist der RTC auf dem Arduino Board eigentlich zeitstabil?
Hast recht, da habe ich mich beim Preis ziemlich vertan. Als Gehäuse habe ich hier genügend Holz oder Blechdosen übrigHab ich noch nicht gebaut, aber ich bezweifle, dass 20€ genügen. Allein der Arduino Nano kostet jetzt schon ~20€
1.) Benutz ich den RTC nicht. Das ist ja ein Clock-Slave.[Frage nach RTC]
Beantworte ich mir gleich selber: Gemass Spec 50 ppm = 0.005% bei 16 MHz, das sind 0.18 Sekunden pro Stunde, wenn ich richtig gerechnet habe.
Bisken missverständlich von mir seinerzeit formuliert: Das USAMO erzeugt selbstverständlich keine Clock oder weitere Mididaten... das kommt alles aus der DAW (bei mir ist das Ableton Live) und wird wie gesagt per Audiosignal an die kleine Kiste geleitet, die wiederum in Midi übersetzt und das alles dann über einen 5-poligen Midiausgang ausgibt. Sehr flott & stabil übrigens.Ich empfehle weiterhin das USAMO von Expert Sleepers... stabile Clock + CV & Gate/Trigger und anderes Midi Zeugs. Habe zwei von den kleinen Kisten in meinen Workflow eingebunden (1x Modular / 1x Desktop Synth oder Drum Machines). Sehr tight & praktisch... letztendlich auch recht günstig (mittlerweile allerdings knapp 30 EUR teurer als noch vor ein paar Jahren). Einziger Wermutstropfen: Kostet halt jeweils einen Audioausgang am Audio Interface![]()
![]()
Expert Sleepers - USAMO - SchneidersLaden
USAMO ist ein universeller, Sample-genauer MIDI-Ausgang (Universal Sample-Accurate MIDI Output).139,00€schneidersladen.de
Da gibt's einen Trick ...Auch bei mir ist es Pamels New Workout - da geht mir nur die schlechte Ausleuchtung auf den Geist, draussen bei Tageslicht praktisch nicht ablesebar, aber die pro-Version soll da besser sein....
Folge dem Video um zu sehen, wie unsere Website als Web-App auf dem Startbildschirm installiert werden kann.
Anmerkung: Diese Funktion ist in einigen Browsern möglicherweise nicht verfügbar.