pete
...
Hallo Leute,
ok, mein Problem betrifft keinen Synthesizer, aber Synths alleine kann man auch nicht hören
Der Gitarrist aus meiner Band hat einen Aktivlautsprecher, der letzten Samstag noch "leise" als Wedge funktioniert hat.
Es handelt sich um einen Electro Voice ZLX 12p.
Beim Bühnenaufbau viel mir auf, dass im Gehäuse ein loses Teil klapperte.
Aber er funktionierte und ich nahm mir vor, am nächsten Tag reinzuschauen.
Aktivmodul aus dem Lautsprecher herausgeschraubt und was finde ich..... einen laut Netz Hochvolt Keramikkondensator mit 4700pF, abgerissen im Gehäuse.
Fraglich ist, wie so etwas passieren kann. Der Lautsprecher ist weder gefallen noch wurde er geworfen (dann hätte das Gehäuse sicherlich Blessuren).

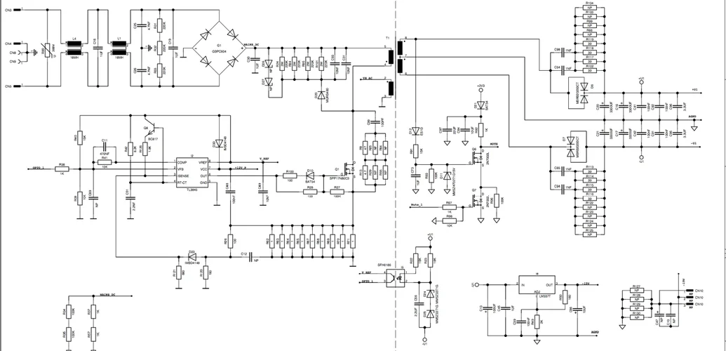
Bei Betrachtung der Platine war dann schnell klar, dass es sich um C26 aus dem Schaltnetzteil handelt.

War wohl zuwenig Heißkleber draufgepeppt, aber abgerissen??

Ich bin mir nicht sicher, ob ich hier den Schaltplan posten darf, daher lasse sich das lieber erst mal.
Auf jeden Fall befinden sich C25 und C26 (sind die gleichen Werte laut Schaltbild) kurz hinter den Eingangstrafos, noch vor dem Gleichrichter.
Ich bin keine Elektroniker, kann aber Schaltpläne halbwegs lesen. Daher auch die nachfolgenden laienhaften Fragen:
- Kann ich den Kondensator einzeln ersetzen, oder sollte C25 und C26 zusammen ausgetauscht werden. (4700pF, 250V) (Ausbau der Platine und Einlöten krieg ich hin)
- Sind weitere elektrische Beschädigungen zu erwarten aufgrund des fehlenden Kondensators?
- Ist erklärbar, warum das Aktivmodul trotzdem funktioniert?
Der Besitzer der Box hat Bedenken, dass eine Reparatur in einer Fachwerkstatt deutlich den Restwert übersteigt.
Der Lautsprecher ist ja auch nicht defekt, sondern spielt brav alles was kommt (zumindest leise, jetzt mit dem Wissen des Defektes schalte ich ihn nicht mehr ein).
Wenn man sich die Platine genau ansieht, erkennt man sogar Flugrost an den abgerissenen Kondensatorbeinchen. Das Problem dürfte somit schon lange bestehen.
Hier gibt es ja viele mit deutlich mehr Fachwissen zu dem Thema, als ich es jeh aufbauen könnte.
Bin ich da richtig unterwegs, oder was würde Ihr anders / zusätzlich machen?
Viele Grüße
Peter
ok, mein Problem betrifft keinen Synthesizer, aber Synths alleine kann man auch nicht hören
Der Gitarrist aus meiner Band hat einen Aktivlautsprecher, der letzten Samstag noch "leise" als Wedge funktioniert hat.
Es handelt sich um einen Electro Voice ZLX 12p.
Beim Bühnenaufbau viel mir auf, dass im Gehäuse ein loses Teil klapperte.
Aber er funktionierte und ich nahm mir vor, am nächsten Tag reinzuschauen.
Aktivmodul aus dem Lautsprecher herausgeschraubt und was finde ich..... einen laut Netz Hochvolt Keramikkondensator mit 4700pF, abgerissen im Gehäuse.
Fraglich ist, wie so etwas passieren kann. Der Lautsprecher ist weder gefallen noch wurde er geworfen (dann hätte das Gehäuse sicherlich Blessuren).

Bei Betrachtung der Platine war dann schnell klar, dass es sich um C26 aus dem Schaltnetzteil handelt.

War wohl zuwenig Heißkleber draufgepeppt, aber abgerissen??

Ich bin mir nicht sicher, ob ich hier den Schaltplan posten darf, daher lasse sich das lieber erst mal.
Auf jeden Fall befinden sich C25 und C26 (sind die gleichen Werte laut Schaltbild) kurz hinter den Eingangstrafos, noch vor dem Gleichrichter.
Ich bin keine Elektroniker, kann aber Schaltpläne halbwegs lesen. Daher auch die nachfolgenden laienhaften Fragen:
- Kann ich den Kondensator einzeln ersetzen, oder sollte C25 und C26 zusammen ausgetauscht werden. (4700pF, 250V) (Ausbau der Platine und Einlöten krieg ich hin)
- Sind weitere elektrische Beschädigungen zu erwarten aufgrund des fehlenden Kondensators?
- Ist erklärbar, warum das Aktivmodul trotzdem funktioniert?
Der Besitzer der Box hat Bedenken, dass eine Reparatur in einer Fachwerkstatt deutlich den Restwert übersteigt.
Der Lautsprecher ist ja auch nicht defekt, sondern spielt brav alles was kommt (zumindest leise, jetzt mit dem Wissen des Defektes schalte ich ihn nicht mehr ein).
Wenn man sich die Platine genau ansieht, erkennt man sogar Flugrost an den abgerissenen Kondensatorbeinchen. Das Problem dürfte somit schon lange bestehen.
Hier gibt es ja viele mit deutlich mehr Fachwissen zu dem Thema, als ich es jeh aufbauen könnte.
Bin ich da richtig unterwegs, oder was würde Ihr anders / zusätzlich machen?
Viele Grüße
Peter
