trouby
....
hiho,
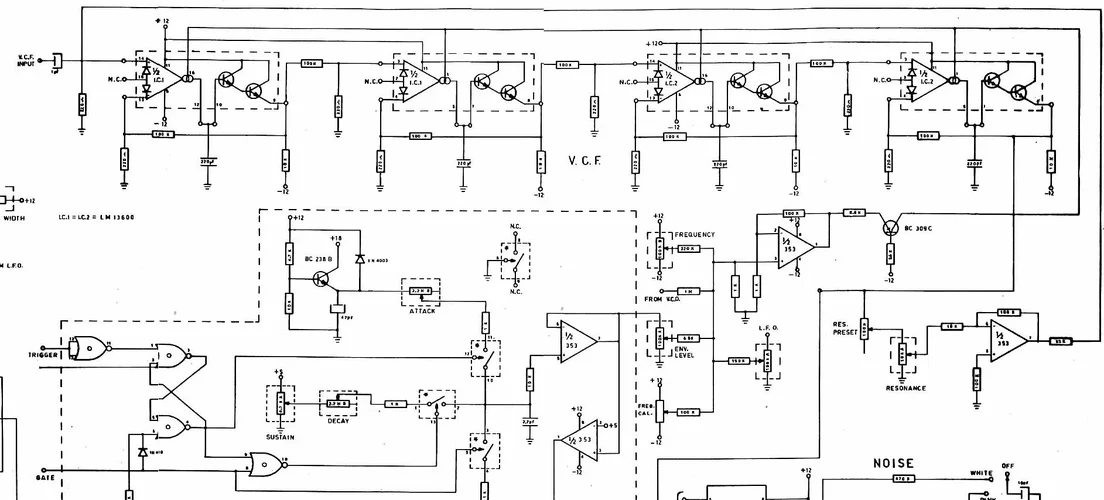
möchte ein paar simple VCF nachbauen, haben den plan vom SX1000 entdeckt. der BC309 (B=500) muss durch einen 2n3906 (B=100) ersetzt werden.
die CV-Mischung ist seltsam: Warum wird die CV am Knoten mit 1k gegen Masse um Faktor >100 gesenkt um anschliessend mit Faktor 101 wieder angehoben zu werden??? 40 dB mehr rauschen!
Vll. reicht auch ein Spannungsfolger, Re & Rb müssen noch angepasst werden.
möchte ein paar simple VCF nachbauen, haben den plan vom SX1000 entdeckt. der BC309 (B=500) muss durch einen 2n3906 (B=100) ersetzt werden.
die CV-Mischung ist seltsam: Warum wird die CV am Knoten mit 1k gegen Masse um Faktor >100 gesenkt um anschliessend mit Faktor 101 wieder angehoben zu werden??? 40 dB mehr rauschen!
Vll. reicht auch ein Spannungsfolger, Re & Rb müssen noch angepasst werden.
