Neu

Access Virus Indigo Display Installation

Mein Access Virus Indigo (Version 1) habe ich ein neues Netzteil spendiert, mehr dazu in diesem Thread: https://www.sequencer.de/synthesizer/threads/access-virus-indigo-ist-tot.176019/

Da ich das Gerät nun schon offen habe, und mir das schwache Display aufgefallen ist, ergreife ich die Chance und tausche das alte Display gegen ein Neues aus. Ich verwende aber kein OLED sondern ein vergleichbares Display das ich bestellt habe:
TYPE: Character LCD 2 x 16 Blue Display Module HD44780 White on Blue
SKU: ERM1602SBS-3-5V
Website: BuyDisplay.com
Price: knapp 3 USD + knapp 9 USD für Versand

So, weiter bin ich noch nicht, aber wenn jemand bereits Erfahrung mit dem Austausch hat, dann bin ich dankbar für alle Tipps und Infos!

Vielen Dank!
 
  • Daumen hoch
M.i.a.u.: Miks
Wichtig: Die Polarität der Spannungsversorgungspins dieser LCDs ist nicht genormt! Ich hab von ziemlich genau denen hier auch welche liegen und die backlight-Supply-voltages sind genau andersrum, wie bei den LCDs von DisplayVisions (die fast alle deutschen Hersteller verwenden)
 
Hallo @fanwander ,
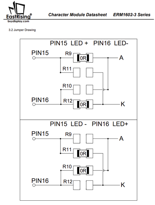
super, vielen Dank für den wichtigen Hinweis. In der Tat gibt es in dem Datasheet eine Seite für die Konfiguration der LCD Power Polarity. Nach Abgleich habe ich:
PIN 15: LED +
PIN 16: LED -
Hier einmal der Auszug aus dem Datasheet:
1755778773084.png

Übersicht vom Display Einbau
Das obere Teil mit den Potis und dem Display kann abgenommen werden. Hier kommt man recht einfach an das Display ran.
1755779600511.jpeg

Bilder vom ALTEN Display

Rückseite des Displays:
1755778970827.jpeg

Kabel vom ALTEN Display (hier sieht man eine Vertauschung der Kabel für PIN 15 und PIN 16):
1755779113329.jpeg

Passung des ALTEN Displays in das Gerät:
1755779196379.jpeg
Bilder vom NEUEN Display
Rückseite - hier einmal Augenmerk auf R09, R10 und R11 und R12. Die "Jumper" sind hier auf R09 und R12 gesetzt, somit liegt folgende Polung vor
PIN15: LCD Annode (+)
PIN16: LCD Kathode (-)
1755779250734.jpeg
Passung des NEUEN Displays in das Gerät:
1755779564288.jpeg
PS: Bisher sieht es sehr gut aus, so muss ich keine Laubsägearbeiten weder an der Display-Platine noch am Gerät selbst vornehmen.

Polung Recherche
Die Polung auf dem Board für PIN15 und PIN16 ist etwas kniffelig, daher versuche ich das hier einmal möglichst klar zu beschreiben:

Was ich gemessen hab:

  • Pin 1 (Board) → Pin 15 (Board): 0.00 V
  • Pin 1 (Board) → Pin 16 (Board): +3.39 V

Das Flachbandkabel, das vom Board zum Display geht, hat Pin 15 mit Pin 16 vertauscht. Daher wird daraus:
  • Board Pin 15 → Display Pin 16
  • Board Pin 16 → Display Pin 15

Schlussfolgerung: Polarität und Spannung

  1. Board Pin 16 liefert +3.39 V (gegen Masse)
  2. Board Pin 15 liegt auf Masse (0 V)

Da das Flachband-Kabel vom Board zum Display hin die Pins 15/16 vertauscht, bedeutet das:
  • Display Pin 15 (Anode) erhält +3.39 V → korrekt für Anode
  • Display Pin 16 (Kathode) liegt auf GND → korrekt für Kathode

Es hat sich somit herausgestellt, das zwar die Belegung korrekt ist und ich die Belegung so übernehmen kann, allerdings habe ich eine 5V Version und keine 3.3V Version gekauft!

Daher muss ich jetzt noch einmal eine 3.3V Version kaufen und erneut 10 Tage warten....dann geht es hoffentlich weiter.

Anbei noch einmal ein Foto zur Dokumentation der schmalen Flachband-Kabel Anschlüsse, die hatte ich bisher nicht festgehalten, jetzt aber farblich markiert. Da geht es vor allem um die Kabel, die zum Controller-Board laufen.
1755874916661.webp
1755874951231.webp

Blau: Phones & Pedals Platine > geht auf das mittige Verteiler-Board auf den (vom Keyboard aus gesehen) ersten/untersten Stecker.
1755874883137.webp
Purple: Mainboard > geht auf das mittige Verteiler-Board auf den mittleren Stecker.
1755874988780.webp

Orange: Pitch-& Modulation-Controller > geht auf das mittige Verteiler-Board auf den (vom Keyboard aus gesehen) dritten/obersten Stecker.
1755875024112.webp
 

Anhänge

  • 1755779544542.webp
    1755779544542.webp
    1,2 MB · Aufrufe: 6
  • 1755875004604.webp
    1755875004604.webp
    773,3 KB · Aufrufe: 5
  • 1755875120467.webp
    1755875120467.webp
    479,3 KB · Aufrufe: 4
Zuletzt bearbeitet:
  • Daumen hoch
M.i.a.u.: qwertz123 und Miks
hallo da der beitrag noch halbwegs frisch ist will ich mich mal noch anhängen mit meinem
1. post.
dein vorgehen oben ist 1a dokumentiert und da mein indigo 1 displäy seit einigen tagen flackert
stehe ich jetzt vor dem selben problem.
das von dir angegebene display 3v version habe ich gestern bestellt.
was ich noch nicht verstanden habe ist wie du die vertauschung von pol 15 und 16 jetzt gelöst hast
allein über die jumper einstellung?
bis ich das displäy in den fingern habe bzw. den indigo aufgemacht habe ist mir auch noch unklar ob die 16 pins verlötet oder
irgendwie doch gesteckt werden können.
bei den superteuren lux displays speziell für den virus sind ist ja anscheinend eint flachkabelstecker dran also wird man hier löten müssen.
kannst du vielleich falls du das lesen solltest noch mal kurz auf den punkt der pin 15 16 vertauschung eingehen.

vielen dank vorab
 
ich habe mich oben glaube ich nicht gut ausgedrückt du schreibst ganz oben quasi als fazit "Es hat sich somit herausgestellt, das zwar die Belegung korrekt ist und ich die Belegung so übernehmen kann" und dann dass du die falsche volt version bestellt hast.
aber heisst das im klartext man kann die belegung stur nach den pinnummern anschliessen oder muss 15 16 irgentwie doch ausgetrixt werden z.b. mit der jumper einstellung.
das ist mir noch unklar- da ich kein elektronik spezi bin die sache aber dennoch irgentwie selbst hinbekommen will.

nochmal vielen dank vorab und auch für deinen beitrag oben- das sind ja schon 95% dessen was man braucht.
 
hallo da der beitrag noch halbwegs frisch ist will ich mich mal noch anhängen mit meinem
1. post.
dein vorgehen oben ist 1a dokumentiert und da mein indigo 1 displäy seit einigen tagen flackert
stehe ich jetzt vor dem selben problem.
das von dir angegebene display 3v version habe ich gestern bestellt.
was ich noch nicht verstanden habe ist wie du die vertauschung von pol 15 und 16 jetzt gelöst hast
allein über die jumper einstellung?
bis ich das displäy in den fingern habe bzw. den indigo aufgemacht habe ist mir auch noch unklar ob die 16 pins verlötet oder
irgendwie doch gesteckt werden können.
bei den superteuren lux displays speziell für den virus sind ist ja anscheinend eint flachkabelstecker dran also wird man hier löten müssen.
kannst du vielleich falls du das lesen solltest noch mal kurz auf den punkt der pin 15 16 vertauschung eingehen.

vielen dank vorab
@diggnity anzumerken wäre hilfreich, keiner weiß, ob er den Thread beobachtet😉
 

News

Zurück
Oben