Hallo Gemeinde,
Die Synchronität von Sequenzer Stepps ist meist gewollt und lässt sich über eine zentrale Master-Clock gut realisieren.
Wer wie ich die Controller von Arturia (Beatstep und Keystep) als zentrale Comandozentrale nutzt und nebenbei auch noch andere Sequenzer mit einer Masterclock versorgen will wird regelmäßig enttäuscht. Denn wird der Sequenzer von Arturia gestoppt dann bleibt auch das Signal am „Clock out“ aus. //Für einen Hinweis wie das geändert werden könnte wäre ich dankbar, aber bislang habe ich keinen Hinweis gefunden wie.//
Das zentrale Clocksignal muss also von wo anderes kommen. Es gibt viel Module für Eurorack, die mir ein Mastersignal liefern könnten. Möchte ich zudem die BPM exakt einstellen und nicht nach gefühl, so macht sich eine Digitale Anzeige gut. Jetzt werden die Module aber deutlich breiter (Minimum 8 TE) und erheblich Preisintensiver. Sicherlich mit vielen schönen Funktionen, aber mein Modulpark an Clock-Dividern ist ausreichend bestückt und ich will zurzeit weder den zusätzlichen Case-Space freigeben noch das Geld dafür ausgeben.
Bei der Suche nach einem externen Clocktischgerät bin ich auf die kleinen handlichen Tuner mit Metronom-Funktion gestoßen.
Diese können unterschiedliche Notenwerte zu einem Beat ausgeben und diese auch auf eine Stereo Kopfhörer-Miniklinke ausgeben. Das Signal hat aber zwei negative Eigenschaften.
1) Der Pegel ist gering und die Signale beider Kanäle sind gegenphasig. D.h. führt man diese einfach zusammen, dann löschen sich diese beide aus. Zu dem ist die Hälfte des Signals neagtiv.

2) Auch sind das Tonsignale und keine dezidierten Rechteck-Signal.
Jedenfalls mein Beatstep Pro, kommt mit dem Signal nicht klar und reagiert nur zufällig auf dieses Clocksignal.
Wird der Pegel auf Modular-Level gebracht, dann geht’s leidlich, aber es ist kein sauberes Clocksignal und ich muss eine Verstärkereingang opfern für Bodentretter opfern. Uncool
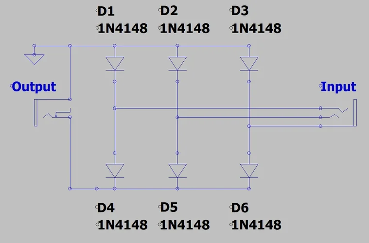
Das Signal muss also aufbereitet werden. Am besten weg von dem Audiosignal Charakter hin zu einem Rechtecksignal mit mehr Pegel. Hier kommt mir der Brückengleichrichter in den Sinn. Mit etwas grübeln bin ich auf nachfolgende Schaltung gekommen.

Diese Formt mir das Signal von einem Pseudo-Stereo-Tonsignal auf ein schönes Rechteck-Signal.

Erst als Breadboard-Variante getestet, heute schnell zusammengelötet, kann ich mein Metronom nun als Clock verwenden.

Die grüne Dose ist ein Mini-TRS und der Input.

Die Synchronität von Sequenzer Stepps ist meist gewollt und lässt sich über eine zentrale Master-Clock gut realisieren.
Wer wie ich die Controller von Arturia (Beatstep und Keystep) als zentrale Comandozentrale nutzt und nebenbei auch noch andere Sequenzer mit einer Masterclock versorgen will wird regelmäßig enttäuscht. Denn wird der Sequenzer von Arturia gestoppt dann bleibt auch das Signal am „Clock out“ aus. //Für einen Hinweis wie das geändert werden könnte wäre ich dankbar, aber bislang habe ich keinen Hinweis gefunden wie.//
Das zentrale Clocksignal muss also von wo anderes kommen. Es gibt viel Module für Eurorack, die mir ein Mastersignal liefern könnten. Möchte ich zudem die BPM exakt einstellen und nicht nach gefühl, so macht sich eine Digitale Anzeige gut. Jetzt werden die Module aber deutlich breiter (Minimum 8 TE) und erheblich Preisintensiver. Sicherlich mit vielen schönen Funktionen, aber mein Modulpark an Clock-Dividern ist ausreichend bestückt und ich will zurzeit weder den zusätzlichen Case-Space freigeben noch das Geld dafür ausgeben.
Bei der Suche nach einem externen Clocktischgerät bin ich auf die kleinen handlichen Tuner mit Metronom-Funktion gestoßen.
Diese können unterschiedliche Notenwerte zu einem Beat ausgeben und diese auch auf eine Stereo Kopfhörer-Miniklinke ausgeben. Das Signal hat aber zwei negative Eigenschaften.
1) Der Pegel ist gering und die Signale beider Kanäle sind gegenphasig. D.h. führt man diese einfach zusammen, dann löschen sich diese beide aus. Zu dem ist die Hälfte des Signals neagtiv.

2) Auch sind das Tonsignale und keine dezidierten Rechteck-Signal.
Jedenfalls mein Beatstep Pro, kommt mit dem Signal nicht klar und reagiert nur zufällig auf dieses Clocksignal.
Wird der Pegel auf Modular-Level gebracht, dann geht’s leidlich, aber es ist kein sauberes Clocksignal und ich muss eine Verstärkereingang opfern für Bodentretter opfern. Uncool
Das Signal muss also aufbereitet werden. Am besten weg von dem Audiosignal Charakter hin zu einem Rechtecksignal mit mehr Pegel. Hier kommt mir der Brückengleichrichter in den Sinn. Mit etwas grübeln bin ich auf nachfolgende Schaltung gekommen.

Diese Formt mir das Signal von einem Pseudo-Stereo-Tonsignal auf ein schönes Rechteck-Signal.

Erst als Breadboard-Variante getestet, heute schnell zusammengelötet, kann ich mein Metronom nun als Clock verwenden.

Die grüne Dose ist ein Mini-TRS und der Input.

Zuletzt bearbeitet: