Neu

MB-808/Midibox Seq: Triggersignal verstärken

  • #31
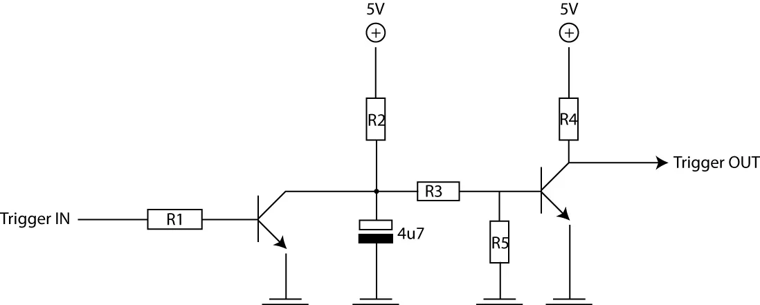
R3: 12V/330Ohm sind (P=U²/R) 440mW... jo, das wird warm. (Aber immerhin weiß ich damit jetzt sicher, wo der Ruhepegel ist. )
4,7kOhm wären wohl angemessener.

Der Impuls ist nicht zu 'schwach' sondern zu kurz.

trigger.jpg

(Die Reinzeichnung hat das Corel leider gefressen...)
R1 = 47k
R2 = 10k
R3 = 47k
R4 = 4k7

R2 und der Elko bilden die Zeitkonstante für die Impulsverlängerung, die anderen Widerstände sollten in sinnvollen Grenzen praktisch beliebig wählbar sein - alles 10k geht auch...

Ob du den rechten Transistor an +5 oder +12V hängst bleibt dir überlassen - sollte beides gehen.
 
  • #32
hmm, also leider ist immer noch kein konstanter impuls möglich.
hab mal beide transistoren an +5 V gehängt, bei +12 V kommt plötzlich kein trigger mehr... :-(
scheinbar ist die zeitkonstante immer noch zu klein... woran muss ich da drehen? ein grösserer elko, oder ein poti an r2 und dann den richtigen widerstand suchen?
 
  • #33
Kommando zurück - ES GEHT!!!! :D :D :D :D :D :D :D :D

YESS YESS es geht
hab den R2 mal gegen nen 10kB Pot ausgetauscht, und irgendwo kurz vor voll geht es wunderbar, kann alle steps steuern und hab grad mächtig spass damit!


also, um das mal loszuwerden: grossartig, ein mega dankeschön an euch alle! hab viel gelernt die letzten zwei tage, und bin euch echt was schuldig! >> Frei-Bier!!!

dicker gruss, mark
 
  • #34
Ups und ich schreibe noch Aufwand, dass die Lösung dann doch so einfach ist ... :)
Hätte jetzt erwartet mit so einer Schaltung eine merkliche zeitliche Verzögerung des Triggers reinzubekommen und es wohl eher unnötig kompliziert gemacht, wenn analog. Aber scheint ja auch so zufriedenstellend zu funktionieren.

Super - viel Spaß ...

Wie schmeckt´n das Bier in der Schweiz ? :P
 
  • #35
Besser R2 grösser machen. (47kOhm)

Während der langen Pausen lädt R2 den Elko auf. Die End-Spannung ergibt sich aus dem Spannungsteiler R2/R3 + die Spannung an der Basis-Emitter-Strecke von T2 (rechter Transistor) (ca. 0,7V). (ca. 3,5V)

Wenn jetzt ein Impuls kommt, dann muss der Transistor T1 (links) den Elko komplett entladen bekommen. Mit R1=47k an 5V-0,7V UBE(T1) gibt das einen Basisstrom von ca. 100µA * Stromverstärkung (geraten 200) sind ca 20mA, die entladen den Elko um: (mit U=It/C ) 20mA/4.7µF=4V pro ms. Bei einem 1ms Impuls reicht das grade so, wenn du den Elko dann noch grösser machst, muss also der Basiswiderstand R1 kleiner werden.

Wenn du R4 an 12V hängst, kannst du in Reihe zu R4 eine Leuchtdiode unterbringen. Die sollte dann entsprechende blinken, damit sie einigermassen hell leuchtet: R4 auf 1k Ohm runtersetzen.

Edit: Klasse das es jetzt geht.
Eventuell ist gar nicht der zu kurze Impuls schuld gewesen, sondern die knappe Entladung wie oben vorgerechnet. (Hätte ich wohl schon vorher "ausrechnen" sollen :oops: nicht immer nur nach Gefühl dimensionieren... )
Diese Entladung ergibt dann auch die Verzögerung des Triggers: unter eine Millisekunde, was ich für völlig unproblematisch halte.
 
  • #36
haha, das bier hier schmeckt gut! lohnt sich mal zu probieren!

habe eben mal den poti gemessen, sind 8,1 kOhm... mit 47 kOhm geht nix mehr, es kommt kein trigger...

was muss ich kleiner machen bzw. wenn ich 8,1 KOhm verwende, wie schnell kann sich der elko dann bestenfalls entladen?
 
  • #37
hmm, also hab jetzt nen 6,8 KOhm drin, und selbst sehr schnelle 16tel-Noten lassen sich nun sauber triggern... ich glaub ich lass das jetzt einfach so, es geht ja einwandfrei!

jetzt nur noch auf platine übetragen (habs auf breadboard aufgebaut) und rein in die kiste!

super sache, freu mich grad riesig! danke nochmals!!
 
  • #38
so, ich will diesen thread gerne wieder zum leben erwecken, denn es ist so, dass die triggerschaltung die hier entstanden ist zwar tut, aber jedoch nur so "halb":

Der original trigger der TR 808 bietet ja im zusammenspiel mit der sh-101 mehrere möglichkeiten des antriggerns eines arpeggios oder einer sequenz des int. sequenzers, je nachdem ob man den schalter der ENV auf GATE + TRIG oder auf GATE oder auf LFO mode stellt. hier der ausschnitt aus dem owners manual der 101:
101-envelope-modes.jpg


im service manual der tr-808 steht zudem dass der trigger der 808 genau 1ms lang ist, und diese länge auch benötigt wird um ein externes Instrument damit antriggern zu können; mit dem roland trigger als sample via MPC funktioniert es wie es soll - mit meinem trigger funktioniert einfach nur das tonantriggern, jedoch nicht mit diesen ganzen möglichkeiten.

im oszilloskop sieht mein trigger auch komplett anders aus im vergleich zum original:

Sample vom trigger der 808 (bei 0.2 Volt Div am Oszilloskop)
IMG_0749.jpg


Mein trigger der MB-808 (bei 0.5 Volt Div.)
IMG_0754.jpg


wie könnte ich denn nun meinen trigger (der auf der schaltung von fetz basiert) so modifizieren dass er dem der 808 näher kommt? könnte es an der negativen triggerkurve liegen? oder ist vor allem die länge das entscheidende kriterium?

viele grüsse
mark
 
  • #40
Der Puls an "A" muss schon positiv sein, sonst stimmt da was nicht. (Das Signal sieht so aus, wie es am Plus-Pol des Elkos aussehen sollte!)

Um den Puls länger zu bekommen würde ein Widerstand an der Basis des 2. Transistors gegen Masse helfen. (Übern Daumen müssten 10k sinnvoll sein. )
 
  • #41
hmm, hab das mal aufgemalt, als die schaltung von dir mit R5 gegen masse, 10k?



aber dass das Ausgangsignal negativ ist würde dadurch ja nicht behoben, oder?
hab ich evtl. die falschen Transistoren verwendet?
V1: PNP BC177
V2: NPN BC 141/16
 

Anhänge

  • trigger.webp
    trigger.webp
    8 KB · Aufrufe: 37
  • #42
mokkinger schrieb:
hmm, hab das mal aufgemalt, als die schaltung von dir mit R5 gegen masse, 10k?



aber dass das Ausgangsignal negativ ist würde dadurch ja nicht behoben, oder?
hab ich evtl. die falschen Transistoren verwendet?
V1: PNP BC177
V2: NPN BC 141/16
Eeehm, wo siehst Du in der Schaltung einen PNP Transistor? (Merke PNP = Pfeil Nach Platte)
 
  • #43
argh, right. das könnte schonmal der erste fehler sein... werd ich heut abend gleich mal checken, ob ich da wirklich zwei verschiedene Transistoren verbaut hab;

danke ;)
 
  • #44
und wo wir grad dabei sind: welche transistoren würden sich denn am besten dafür eignen? kenn mich da gar nciht aus, wo liegen da die unterschiede?? brauch ich da was bestimmtes, oder geht irgendein NPN??
 
  • #45
mokkinger schrieb:
und wo wir grad dabei sind: welche transistoren würden sich denn am besten dafür eignen? kenn mich da gar nciht aus,
ich auch nicht :)

wo liegen da die unterschiede?? brauch ich da was bestimmtes,
Im Prinzip liegen die Unterschiede natuerlich in einzelnen Charakteristika. Und dann natürlich im Pinout. Es gibt fast alle in der Version mit Basis als mittlerer pin und in einer Version mit Basis auf der Seite.

oder geht irgendein NPN??
naja, ziemlich viele werden gehen , aber einen 2N3055 würde ich zB nicht nehmen ;-)

Ich hab mir mal einen grossen Sack 2SA733 und 2SC945 besorgt, weil die auch in vielen Rolandgeräten verwendet werden, die ich halt meistens auf dem Tisch hab.

Ansonsten zB. BC546...BC549 und BC556 ... BC559

Florian
 
  • #49
super, danke euch fürs nochmalige befassen mit dem alten thred - es lag sowohl natürlich an dem Transistor, jedoch auch an dem 10k Widerstand am zweiten transistor. Ohne diesen ist das Signal zu Kurz, mit diesem ists perfekt. funktioniert wie es soll.

danke & grüsse
mark
 

News

Zurück
Oben