trouby
....
hiho,
experimentier & simulier hier ein bisschen herum...
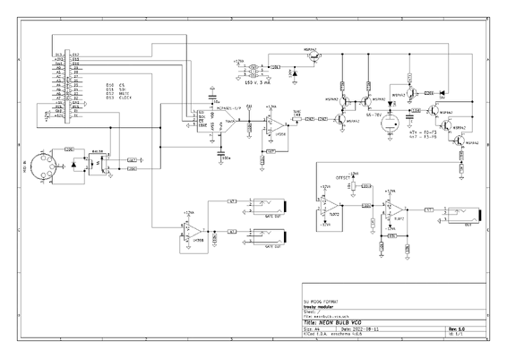
der sägezahn klingt super für bass, der VCO ist nicht 1V/Oct sondern linear - arduino und DAC.
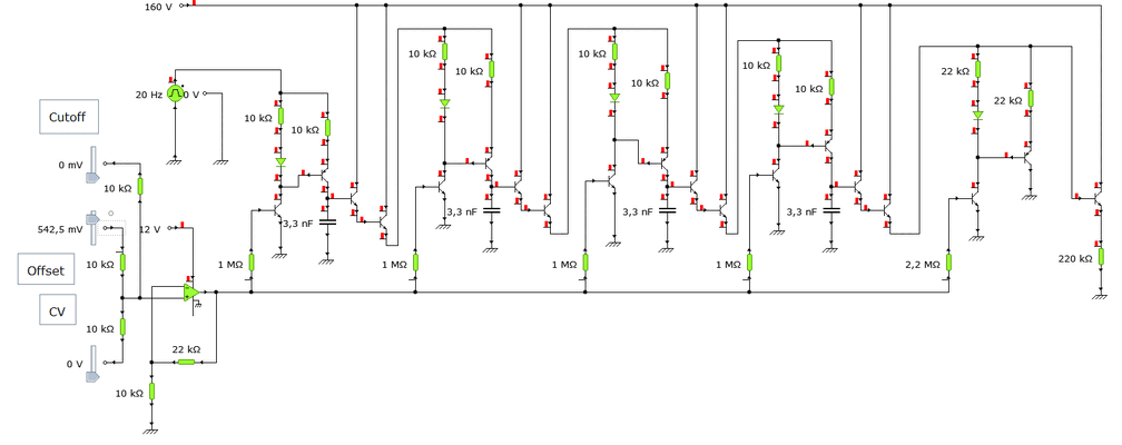
VCF: das filterelement besteht aus stromspiegel mit lade-C und buffer.
hab einen transistor des stromspiegels durch diode ersetzt. die transistoren MPSAxx sind für 300 Uce ausgelegt.
da der sägezahn eine mischspannung ist, bietet es sich an, das signal direkt weiterzunutzen (50V swing), der spannungsverlust ist irrelevant.
also VCF & VCA als hochohmige hochvoltausführung. die CV gewohnt 8 V.
hat jemand schon mal einen hochvoltsynth gebaut, oder gibt es schon ein projekt?
ersetze die pläne je nach erkenntnisstand.
btw. betriebsspannung ist 160 V, die Neonbulb zündet bei 95V und löscht bei 50V, 0,5 mA nennstrom.

experimentier & simulier hier ein bisschen herum...
der sägezahn klingt super für bass, der VCO ist nicht 1V/Oct sondern linear - arduino und DAC.
VCF: das filterelement besteht aus stromspiegel mit lade-C und buffer.
hab einen transistor des stromspiegels durch diode ersetzt. die transistoren MPSAxx sind für 300 Uce ausgelegt.
da der sägezahn eine mischspannung ist, bietet es sich an, das signal direkt weiterzunutzen (50V swing), der spannungsverlust ist irrelevant.
also VCF & VCA als hochohmige hochvoltausführung. die CV gewohnt 8 V.
hat jemand schon mal einen hochvoltsynth gebaut, oder gibt es schon ein projekt?
ersetze die pläne je nach erkenntnisstand.
btw. betriebsspannung ist 160 V, die Neonbulb zündet bei 95V und löscht bei 50V, 0,5 mA nennstrom.

Zuletzt bearbeitet:


