Neu

Roland MKS-10

Max

||||||||||
Moin,

der Postmann hat mir gerade einen wunderschönen MKS-10 vorbeigebracht, es war gleich Liebe auf den ersten Ton ❤ genau der richtige "unaufdringliche Grit" den viele Rolands aus dieser Zeit haben

Wer hat auch einen, irgendwelche Tips etc.? Es gibt wirklich sehr wenig bis gar keine Infos dazu hier im Forum und im ganzen Netz...

Ich hab was von diversen Mods gelesen, aber konnte nichts Genaueres finden - die analoge Sound-Engine dürfte denk ich mehr hergeben als die 8 Presets... wenn man die Sounds noch editieren könnte wäre das ziemlich genial (aber vielleicht sollte man ihn auch in seiner Schlichtheit belassen)

Bonusfrage: wofür steht die Abkürzung "MKS"?
 
Es gab vor kurzem einen Bericht bei Amazona.de:

Die Engine ist recht digital bei den Oszillatoren. Viel lässt sich da nicht modifizieren, ausser eine Anpassung der Resonanz des Filters. Siehe meinen Kommentar bei Amazona.de.

MKS könnte für Modular Keyboard System stehen. Das habe ich aber gerade nur so geraten.
 
  • Daumen hoch
M.i.a.u.: Max
Die Klangerzeugung ist echt spannend. Die Pulswellen von den programmierbaren Teilern schalten eine Spannung ein und aus. Diese Spannung ist der Envelope. Es ist quasi AM auf Envelope-Voltages. Müsste man echt mal am Modular ausprobieren.
 
  • ^
M.i.a.u.: Max
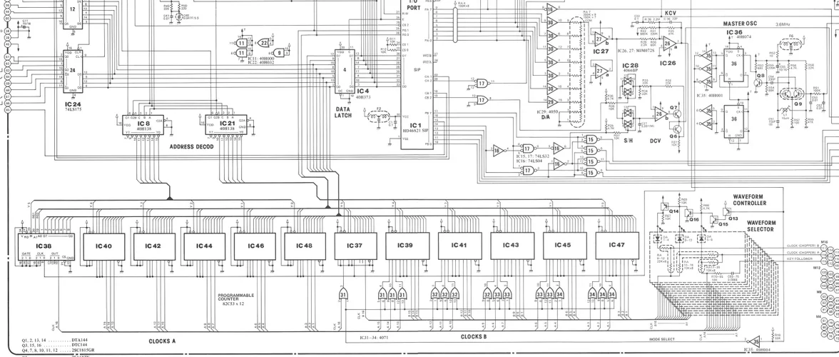
Lustige Mod: das sind ja zwei Teilergruppen (unten die ersten sechs ICs und die zweiten sechs ICs):

1596726793965.png

Man trennt die Clockleitung zwischen IC48 und 37 auf und bastelt sich einen zweiten in weiten Bereichen stimmbaren Masteroszillator (oben rechts im Ausschnitt). Das sollte in der Summe Cross-Mod artige Sounds ergeben.
 
  • hilfreich
M.i.a.u.: Max
das scheint ja wirklich ein hässliches Entlein zu sein, das mit ein paar Mods durchaus das Potential zum Schwan hat ?

da muss ich mich mal mit auseinandersetzen wie das alles funktioniert...

man hört echt kaum von der Kiste, ich hab den letztens zufällig bei Reverb rausgefischt, allein die 16x IR3109 kosten fast doppelt soviel wie ich bezahlt hab ;-) - aber er wird natürlich auf keinen Fall geschlachtet, der Grundklang gefällt mir echt sehr
 
der MKS-10 hat keine Tricks nötig, der klingt einfach immer zeitlos schön und hat richtig viel "Substanz" im Klang - im Gegensatz zum MKS-20, der zwar gemessen an der Anzahl der Features "überlegen" sein mag, aber am Ende läuft es doch immer auf diesen etwas schlecht gealterten 80er-Jahre-Türglocken-Piano-Sound raus...
 

Neue Beiträge

Zurück
Oben