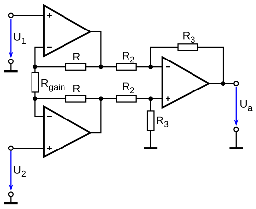
Ich möchte ein den Spannungsabfall eines Potis messen ohne den Spannungabfall zu beeinflussen. Da gibt es ja Instrumentenverstärker, entweder einzeln aus Opamps oder als fertige ICs
Am einfachsten wäre es sicher einen fertigen zu nehmen und aus. Allerding möchte ich 2 Verstärker koppeln so das ich einerseits den Spannungsabfall am Poti messen kann und anderseits nach der Messung das Singal nochmal gesteuert Verstärken.
Was wäre die Variante mit dem geringsten Schaltungsaufwand, ich nehme an das es keine fertigen ICs gibt die einen Instrumentenverstärker und einen normalen VCA parallel eingebaut haben. Desalb frage ich mich ob es eine Schaltung gibt wie ich beides mit einem möglichst wenig opamps realisieren kann.
Die Potenziale bleiben ja gleich, daher denke ich es sollte eine Schaltung mit 2-3 Opamps möglich sein..
Ich dachte daran gewisse Widerstände für die Potenziale beider Funktionen zu benutzen. (Die gegen Ground zb)
Wärs auch möglich das sich beide einen Opamp teilen?


Am einfachsten wäre es sicher einen fertigen zu nehmen und aus. Allerding möchte ich 2 Verstärker koppeln so das ich einerseits den Spannungsabfall am Poti messen kann und anderseits nach der Messung das Singal nochmal gesteuert Verstärken.
Was wäre die Variante mit dem geringsten Schaltungsaufwand, ich nehme an das es keine fertigen ICs gibt die einen Instrumentenverstärker und einen normalen VCA parallel eingebaut haben. Desalb frage ich mich ob es eine Schaltung gibt wie ich beides mit einem möglichst wenig opamps realisieren kann.
Die Potenziale bleiben ja gleich, daher denke ich es sollte eine Schaltung mit 2-3 Opamps möglich sein..
Ich dachte daran gewisse Widerstände für die Potenziale beider Funktionen zu benutzen. (Die gegen Ground zb)
Wärs auch möglich das sich beide einen Opamp teilen?