a.xul
..
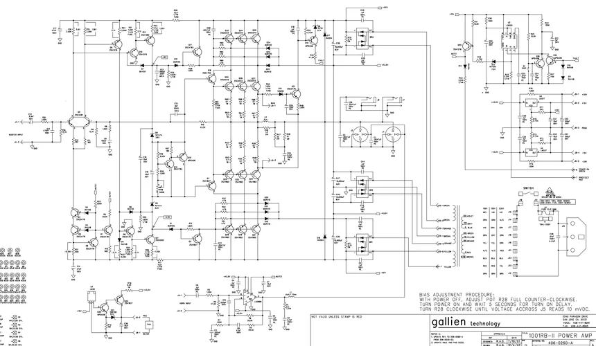
Kennt sich hier zufällig jemand mit Amps aus? Mein sonst zuverlässiger Gallien Krueger 1001RB II hat folgendes Problem:
Im kalten Zustand funktioniert er 2-3 Minuten normal, dann fängt er an ganz leises Noise oder Knackgeräusche von sich zu geben. Schaltet man ihn aus und direkt wieder an, geht der Spaß direkt los. Den Preamp konnte ich durch Abklemmen ausschließen. Der macht diese Geräusche auch ohne Preamp Board. Trafoausgänge gemessen, sind in Ordnung. Messe ich den Ausgang ohne Box, sind sporadische Ausflüge zwischen 0,0**V und ~0,300V zu messen.
Schaltplan habe ich:

Bin leider planlos und der Hersteller hat den Support für dieses Gerät eingestellt. Wäre zu schade, wenn es nur ein oder eine Hand voll Bauteile "erwischt" hat, den ganzen Amp wegzuhauen..
Bin über jede Hilfe dankbar!
Im kalten Zustand funktioniert er 2-3 Minuten normal, dann fängt er an ganz leises Noise oder Knackgeräusche von sich zu geben. Schaltet man ihn aus und direkt wieder an, geht der Spaß direkt los. Den Preamp konnte ich durch Abklemmen ausschließen. Der macht diese Geräusche auch ohne Preamp Board. Trafoausgänge gemessen, sind in Ordnung. Messe ich den Ausgang ohne Box, sind sporadische Ausflüge zwischen 0,0**V und ~0,300V zu messen.
Schaltplan habe ich:

Bin leider planlos und der Hersteller hat den Support für dieses Gerät eingestellt. Wäre zu schade, wenn es nur ein oder eine Hand voll Bauteile "erwischt" hat, den ganzen Amp wegzuhauen..
Bin über jede Hilfe dankbar!