G
Gosc35527473
Guest
Hallo liebes Forum.
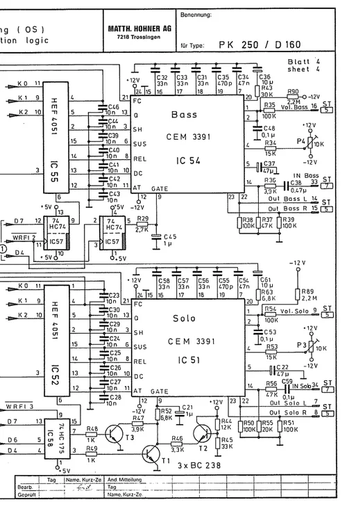
Ich habe das Hohner PK-250 modifiziert. (Schaltplan siehe unten). Ich habe bei dem Curtischip 3391 für die Bassstimme (IC 54) die Zungen für Cutoff, Resonance und ADSR (also 6,8,10,11,13,21), von der Platine getrennt und mit Potis über Steuerspannung regelbar gemacht. soweit so gut. es funktioniert :)
jetzt zum Problem: aus einem mir nicht erkennbaren Grund wirkt aufs Cutoff immer noch ein LFO der ansonsten wohl das Vibrato der Stimme regelt.
das würde ich gerne beheben, aber ich finde den Grund einfach nicht. Ein LFO ist im Manual nicht beschrieben und am Chip ist mir auch nicht ersichtlich, wo noch eine Leitung aufs Cutoff wirken könnte
Die Problematik der Fragestellung ist mir bewußt, da das warscheinlich noch nie jemand probiert hat. aber vielleicht kann ja einer von den Cracks mal ins Manual schauen. vielleicht habe ich was übersehen?
Mein Ansatz wäre es, das am Chip noch was abgeklemmt werden muss.
Falls mir jemand helfen könnte wäre ich sehr dankbar und Fragen beantworte ich gerne
MfG, Pike
Ich habe das Hohner PK-250 modifiziert. (Schaltplan siehe unten). Ich habe bei dem Curtischip 3391 für die Bassstimme (IC 54) die Zungen für Cutoff, Resonance und ADSR (also 6,8,10,11,13,21), von der Platine getrennt und mit Potis über Steuerspannung regelbar gemacht. soweit so gut. es funktioniert :)
jetzt zum Problem: aus einem mir nicht erkennbaren Grund wirkt aufs Cutoff immer noch ein LFO der ansonsten wohl das Vibrato der Stimme regelt.
das würde ich gerne beheben, aber ich finde den Grund einfach nicht. Ein LFO ist im Manual nicht beschrieben und am Chip ist mir auch nicht ersichtlich, wo noch eine Leitung aufs Cutoff wirken könnte
Die Problematik der Fragestellung ist mir bewußt, da das warscheinlich noch nie jemand probiert hat. aber vielleicht kann ja einer von den Cracks mal ins Manual schauen. vielleicht habe ich was übersehen?
Mein Ansatz wäre es, das am Chip noch was abgeklemmt werden muss.
Falls mir jemand helfen könnte wäre ich sehr dankbar und Fragen beantworte ich gerne
MfG, Pike

Zuletzt bearbeitet von einem Moderator:




