Neu

Kennt jemand die Potentiometerwerte im Furman RV-1?

  • #31
Das passt. (Potis haben +/-20% Toleranz!)

Die Kennlinien kann man übrigens auch prüfen:
Poti mechanisch in die Mitte stellen und wert von einer Seite (CCW) zu Schleifer messen.
Ca. die Hälfte= linear.
deutlich weniger als die Hälfte = Audio (logarithmisch)
deutliche mehr als die Hälfe = umgekehrt logarithmisch.

CCW=Counter Clock Wise, das ist der linke/Nullanschlag.
CW=Clock Wise, "voll aufgedreht".
 
  • #32
Das passt. (Potis haben +/-20% Toleranz!)
CCW=Counter Clock Wise, das ist der linke/Nullanschlag.
CW=Clock Wise, "voll aufgedreht".

Weiß ich ;).

Die Kennlinien kann man übrigens auch prüfen:
Poti mechanisch in die Mitte stellen und wert von einer Seite (CCW) zu Schleifer messen.
Ca. die Hälfte= linear.
deutlich weniger als die Hälfte = Audio (logarithmisch)
deutliche mehr als die Hälfe = umgekehrt logarithmisch

Logo, genau so hab ichs gemacht ;).
 
  • #33
So, jetzt "nur" noch rauskriegen, wo ich ein C2M-Poti herbekomme :shock: - idealerweise ohne Versandkosten, die den Preis des Potis um ein Mehrfaches übersteigen, und ohne irgendwas mit 50 Euro Mindestbestellwert... :roll:

Die anderen hab ich vorrätig, wenn auch nicht in 24-mm-Bauform. Aber egal, da behelfe ich mir mit Resten von Widerstandsbeinen, das geht schon.
Bloß das C2M wird schwierig, hab bei den "üblichen Verdächtigen" bislang nix finden können :(.
 
  • #34
Schon einmal überlegt diese Poties zu überholen?

Bei den Alten geht das sehr gut noch.
Wenn sie Laschen haben und keine Nieten.

Werte hast auch noch. Also dürften die Bahnen noch in Ordnung sein.

In der Regel ist es Schmutz im Poti und Korrosion an den Schleifern oder das diese nicht mehr in der Gleichen Position sind.

Kann man reinigen und die Schleifer nachbiegen, den deshalb kracht es oft.
 
  • #36
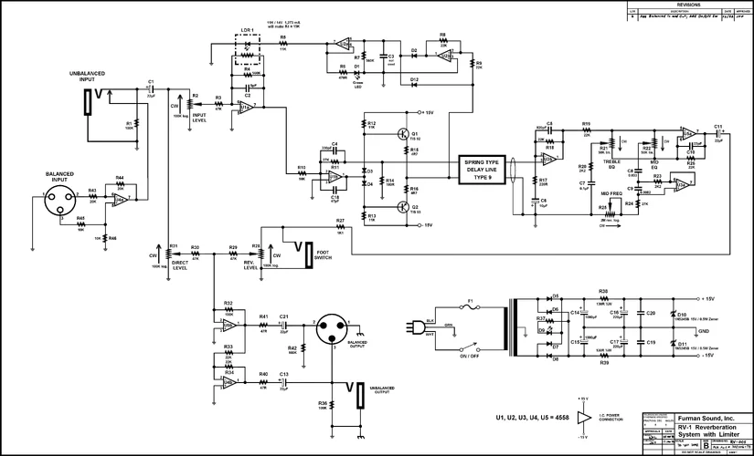
Ich habe den Schaltplan mal ein wenig 'aufgehübscht' :mrgreen: Sollten jemandem Fehler oder Ungereimtheiten auffallen, gerne mitteilen, dann könnt' ich's 'reparieren'

17.11.2020 16:22 Uhr: fehlenden Widerstandswert (R12) ergänzt.
 

Anhänge

  • RV-1 Schematic.webp
    RV-1 Schematic.webp
    339,6 KB · Aufrufe: 7
Zuletzt bearbeitet:
  • Daumen hoch
M.i.a.u.: Bodo und З456778674
  • #37
So, jetzt "nur" noch rauskriegen, wo ich ein C2M-Poti herbekomme [...]
Die anderen hab ich vorrätig, wenn auch nicht in 24-mm-Bauform. Aber egal, da behelfe ich mir mit Resten von Widerstandsbeinen, das geht schon.

Sooooo... dann möchte ich das noch ordentlich zum Abschluss bringen, nachdem ich am Donnerstag die Poti-Bestellung erhalten habe und gestern abend und vorhin dann den Potieinbau vorgenommen habe.

Der Hall ist seit 2 Stunden oder so fertig, tönt wieder schön - und kratzfrei :mrgreen: - und ist zurück an seinem Platz im Rack. Mit einer kleinen "Notlösung": Statt des C2M hab ich jetzt ein B2M drin, was bedeutet, dass die Frequenzangaben auf der Reglerskala (Midrange Equalization) jetzt nicht mehr stimmen. Aber damit kann ich - gut sogar - leben, zumal ich das eh nach Gehör zurechtdrehe.

Die A100k- und ein B2M-Poti in 24-mm-Bauform hab ich bei UK-Electronic bekommen können; B50k in 24 mm ist dort aber nicht gelistet. Und einen Schönheitspreis werde ich mit dem Gebastel auch nicht bekommen, aber was solls :lol:.

Die Pinabstände bei den jetzigen 24-mm-Potis (100k) waren je ca. 2 mm weiter als bei den alten :roll:. Also hab ich die beiden äußeren Pins entfernt und nur den mittleren direkt auf der Platine verlötet.

01IMGP3704.jpg

Die jeweils äußeren Pins wurden halt durch Widerstandsbeinreste ersetzt. Bei dem B2M betraf das sogar alle 3 Beine - das hab ich nur mit Lötösen bekommen. Egal.

01IMGP3706.jpg

Bei den beiden B50k hab ich dann eh noch vorrätige 16-mm-Versionen genommen - da ist der erfoderliche Bohrdurchmesser aber kleiner (7 statt 9,5 mm). Hab dann einfach ein Stück Elastikdichtung von einem Kunststoffgehäuse zum Ausfüllen verwendet. Improvisiert, aber erfüllt seinen Zweck. Potis sitzen hinreichend fest in ihrer Öffnung.

01IMGP3709.jpg

Und so schauen diese beiden von hinten aus.

01IMGP3711.jpg

Wie gesagt - einen Schönheitspreis gewinn ich damit sicher nicht, anber von außen sieht mans ja nicht, und was zählt ist, dass es funzt. Und das tut es :phat:.
 
  • Daumen hoch
M.i.a.u.: fanwander, Feedback und Miks
  • #38
Von außen hat sich jemand gemeldet und dies geschrieben - da ich hier nicht beteiligt bin und den Schreibenden auch nicht kenne, poste ich es einfach in der Hoffnung, es möge helfen.
habe im zuge von dem Furman sound RV-1 ein Posting auf der Sequenzer Website gefunden und gelesen, dass Du die Potis austauschen wolltest. Normalerweise brauchst Du das nicht, insofern kein mechanischer Defekt vorliegt. Es genügt, wenn du die Potis mit Tuner Reiniger von Contakt Chemie (beispielsweise) behandelst.

Viele Hersteller verwischen oder entfernen die Bezeichnungen bestimmter elektronischer Bauelemente, damit man sie nicht einfach selber austauschen kann und einer Repartur bei Vertragswerkstätten erforderlich macht.
Beispiel: TEAC V-770 - ein Kurzschluss aufgrund eines Ausbaus der Mechaniken des Tape Decks, mit der Hand gegen die Netzspannung, das Ding fallen lassen und Bum, tot. geschaut, welches Bauteil kaputt sein könnte, stieß ich auf einem DD IC (Dolby IC), der bei Aufnahme die Prozesse steuert. Die Beschriftung des ICs war weggeschliffen. Pech gehabt, sonst hätte ich den einfach austauschen können.

Im Forum bei Sequenzer hab ich kurz die Schaltpläne gesehen, aber die Bezeichnungen der einzelnen Bauelemente fehlten, die werden wohl in der Stückliste zu ersehen sein.

Ok, Dein Posting ist von 2020, aber für die Zukunft gilt, wenn ein Poti kratzt, dann ers tmal mit Tuner Reiniger versuchen. Das ist ein mildes Kontaktspray, das auch in gewisser Weise "schmierfähig" ist oder zu sein scheint.
So hochwertige Potis, wie in solchen Geräten verbaut sind, sind auch relativ robust. un d ich hoffe, das Poti, das kratzt, hat eine Öffnung, damit Du den Tuner Reiniger ins Poti sprayen kannst. Der Sprühnebel dürfte aber schon ausreichen, insofern er den mechanisch beanspruchten Ort erreicht, also den Schleifer des Potis.

Einige Potis sind aber gekapselt, das heißt, gegen Staub und Feuchtigkeit geschützt. Wenn die kratzen, na ja, dann wirst Du nicht um einen auswechsel herum kommen. Aber meistens ist irgendwo ein Loch, wo man das Kapillarrohr des Sprays reinhalten kann.

Mir war das jetzt zu blöd, mich in dem Forum anmelden/registrieren zu müssen, nur im einmal hilfsbereit zu sein.

Ich war allerdings mal technischer Support (Mischpult usw.) der Ur-Band, Vigilante, von Oliver Hartmann (Avantasia, AdVance, Edguy, Echoes usw), 1987 hier in Mörfelden-Walldorf. Später dann vom Bassisten der Ur-Band Ende der 90er. Wir hatten damals (1987) auch einen Furman Sound RV-1, aber leider hat der Bassist ioohn später zusammen mit dem Mitec 1602 verkauft.

Viel Spaß mit dem Ding.
 
  • #39
Von außen hat sich jemand gemeldet und dies geschrieben - da ich hier nicht beteiligt bin und den Schreibenden auch nicht kenne, poste ich es einfach in der Hoffnung, es möge helfen.

Erstmal danke, auch wenn das ja schon lange erledigt ist.

Ich bin bei den diversen Kontaktsprays allerdings eher skeptisch, weil die den Dreck, Abrieb etc. nun einmal auch nicht entfernen können, sondern ihn "nur" verteilen. Kurzfristig bringt das zumindest gelegentlich wohl schon was, aber auf lange Sicht schiebt es den Poti-Austausch meines Erachtens nur auf ;).
 
  • #40
ich auch - Kontaktspray kann Leiterbahnen und Potikohleschichten abfressen - ich hab auch nen Furman aber das ist ein Stromwaschgerät, ich halt zudem die Schnauze, weil ich nicht wirklich weiss was abgeht.

Ich hoffe das konnte dir helfen, denn er hat ja extra gemailt.
 

Neue Beiträge

News

Zurück
Oben