Hi Leute,
micht haben es aktuelle spezielle & einfache VCO angetan.
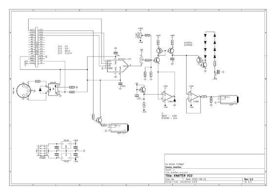
Prinzip: Arduino - DAC - CV SAW :)
Mal eine Blinkschaltung stark abgewandelt - den variablen Widerstand durch ein komplettes CV-Glied ersetzt.
Die Scale ist angepasst für praktische 4 Oktaven plus Reserve bei 5V CV - es ergeben sich als Basisparallelwiderstand 820 Ohm bzw. 1k || 4k7.
Die Tempkomp. ist vom Simplesizer...
Meine Versionen sind Dual-VCO für Bass (ab 32' F) und Diskant (ab 4' c).
Ausgangsspannung ist 0,7-7V, bei Bedarf kann ein Nulllinienmixer noch eingefügt werden.
Klingt gut :)

micht haben es aktuelle spezielle & einfache VCO angetan.
Prinzip: Arduino - DAC - CV SAW :)
Mal eine Blinkschaltung stark abgewandelt - den variablen Widerstand durch ein komplettes CV-Glied ersetzt.
Die Scale ist angepasst für praktische 4 Oktaven plus Reserve bei 5V CV - es ergeben sich als Basisparallelwiderstand 820 Ohm bzw. 1k || 4k7.
Die Tempkomp. ist vom Simplesizer...
Meine Versionen sind Dual-VCO für Bass (ab 32' F) und Diskant (ab 4' c).
Ausgangsspannung ist 0,7-7V, bei Bedarf kann ein Nulllinienmixer noch eingefügt werden.
Klingt gut :)
