8
89PF67hewfhjffj347
Guest
Salute,
die wichtige Frage ist punkt 3 (entspricht nicht ganz dem Header )
zuerst:
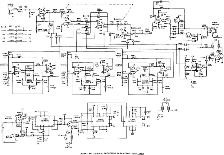
1. ich hab ein verständnis Problem. Nehmen wir einen analogen 4 Band parametric EQ als beispiel:
sind diese Bänder per se immer in der signalkette in Serie geschaltet ?
also: audio ---> IN- EQ, band1 ----> In, EQ band 2 ----> In, EQ band3 ---> in, EQ band 4
ja ?
2.(edit: neu: in fett gesetzt ) bei mir gehts HIER grad NUR um Git und Bass Elektronik ! entweder muss ich intern was aufbauen oder extern im pult gehäuse. Bzw. beides zugleich
Die Frage wären da die: ---> für intern:
ich hab nen EQ gefunden, den gibts als 3 Band inkl. 1x mitten, ......und es gibt ein Mitten band modul einzeln zu kaufen.
(selber hersteller, aber beides nicht genau die gleiche Platine. Gewisse Infos fehlen / KEINE angaben mir mitten band platine im 3 band EQ set / in-out unbekannt)
( in beiden Fällen sind diese mitten bänder semi parametrisch, also Frequenz adjustiebar)
zur einzel mitten band platine gibts infos, beim input ist von hot + cold die rede.
3. mein Problem besteht darin zu verstehen, ob ich die einzelne mitten Band platine einfach "da einfügen kann", in den 3 Band EQ ?
heisst, ich will den einzelnen "mid-sweep EQ" in das "3 band EQ set" integrieren, und es so zum 4 band system machen.
mid sweep, infos https://www.east-uk.com/wp-content/uploads/2020/06/midsweep02.pdf?v=1ee0bf89c5d1
mid sweep, produkt https://www.east-uk.com/product/mid-sweep-01/?v=1ee0bf89c5d1
das 3 band set, infos https://www.east-uk.com/wp-content/uploads/OperationManuals/uni-pre-features.pdf?v=1ee0bf89c5d1
ich würde die 3 poti variante nehmen
3 band set, produkt https://www.east-uk.com/product/uni-pre-3-knob/?attribute_finish=Chrome+Knobs&v=1ee0bf89c5d1
4. die andere Frage: ich könnte mir im grunde genommen ein multiband system als einzelband platinen aufbauen, im desktop gehäuse,
einfach ein Band hinters andere hängen, so wie ich will ? gitatren FX spezifsiche platinen, also alles für mit 9V akku oder - pol innen PSU
die wichtige Frage ist punkt 3 (entspricht nicht ganz dem Header )
zuerst:
1. ich hab ein verständnis Problem. Nehmen wir einen analogen 4 Band parametric EQ als beispiel:
sind diese Bänder per se immer in der signalkette in Serie geschaltet ?
also: audio ---> IN- EQ, band1 ----> In, EQ band 2 ----> In, EQ band3 ---> in, EQ band 4
ja ?
2.(edit: neu: in fett gesetzt ) bei mir gehts HIER grad NUR um Git und Bass Elektronik ! entweder muss ich intern was aufbauen oder extern im pult gehäuse. Bzw. beides zugleich
Die Frage wären da die: ---> für intern:
ich hab nen EQ gefunden, den gibts als 3 Band inkl. 1x mitten, ......und es gibt ein Mitten band modul einzeln zu kaufen.
(selber hersteller, aber beides nicht genau die gleiche Platine. Gewisse Infos fehlen / KEINE angaben mir mitten band platine im 3 band EQ set / in-out unbekannt)
( in beiden Fällen sind diese mitten bänder semi parametrisch, also Frequenz adjustiebar)
zur einzel mitten band platine gibts infos, beim input ist von hot + cold die rede.
3. mein Problem besteht darin zu verstehen, ob ich die einzelne mitten Band platine einfach "da einfügen kann", in den 3 Band EQ ?
heisst, ich will den einzelnen "mid-sweep EQ" in das "3 band EQ set" integrieren, und es so zum 4 band system machen.
mid sweep, infos https://www.east-uk.com/wp-content/uploads/2020/06/midsweep02.pdf?v=1ee0bf89c5d1
mid sweep, produkt https://www.east-uk.com/product/mid-sweep-01/?v=1ee0bf89c5d1
das 3 band set, infos https://www.east-uk.com/wp-content/uploads/OperationManuals/uni-pre-features.pdf?v=1ee0bf89c5d1
ich würde die 3 poti variante nehmen
3 band set, produkt https://www.east-uk.com/product/uni-pre-3-knob/?attribute_finish=Chrome+Knobs&v=1ee0bf89c5d1
4. die andere Frage: ich könnte mir im grunde genommen ein multiband system als einzelband platinen aufbauen, im desktop gehäuse,
einfach ein Band hinters andere hängen, so wie ich will ? gitatren FX spezifsiche platinen, also alles für mit 9V akku oder - pol innen PSU
Zuletzt bearbeitet von einem Moderator:

