D
Dehenry
long time no see - Klicke Reset Passwort
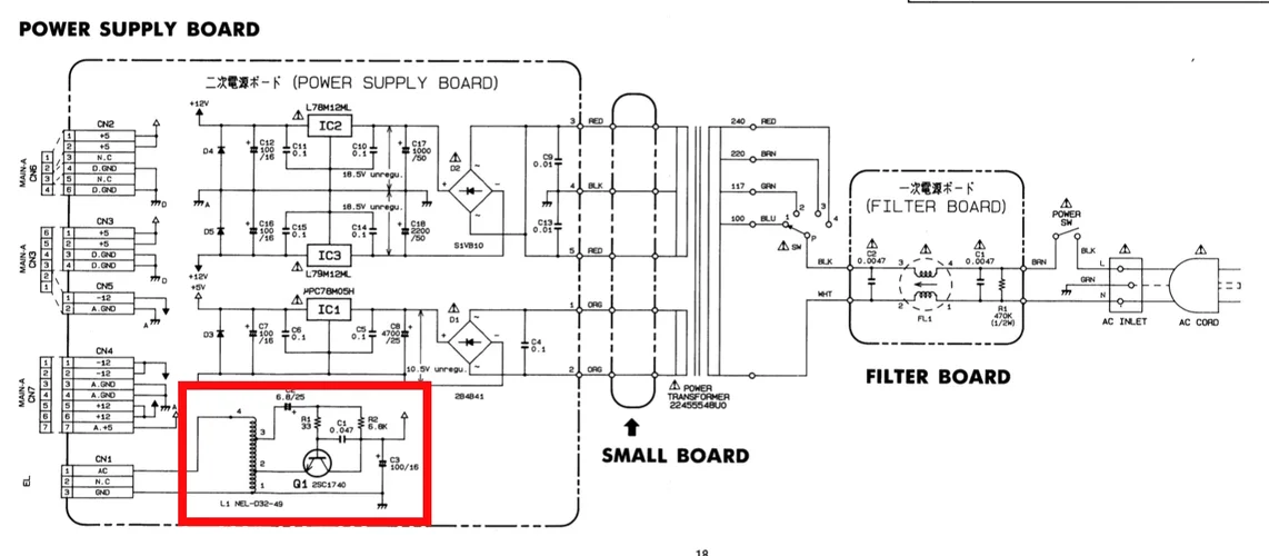
Ich habe meinen V50 gestern auseinandergenommen, um eine kaputte Taste am Keyboard zu reparieren. Seit dem Zusammenbau brummt das Netzteil leise, obwohl ich das nicht angerührt habe. Kann das durch Erschütterung passieren (habe den Synth vorsichtig auf den Kopf gedreht zum Aufschrauben) und kann man etwas dagegen tun?
