GKMsound
Systemimmun
Ich will hier mal eine Sammlung nützlicher passiv Schaltungen starten.
Ich finde es immer wieder bemerkenswert was mit ein paar Teilen ohne Strombedarf so alles geht.
Also los :


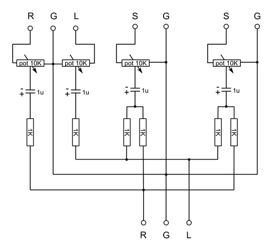
Stereo Mixer:


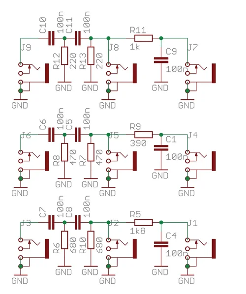
Distortion/Fuzz:

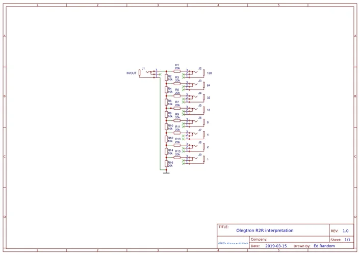
Bemerkenswert finde ich R2R :

Filter bisschen leise am Out aber funktioniert :

Bin gespannt was es sonst noch so gibt....
Ich finde es immer wieder bemerkenswert was mit ein paar Teilen ohne Strombedarf so alles geht.
Also los :


Stereo Mixer:


Distortion/Fuzz:

Bemerkenswert finde ich R2R :

Filter bisschen leise am Out aber funktioniert :

Bin gespannt was es sonst noch so gibt....





