ANYWARE
||||||||||
Re: SEMplesizer???
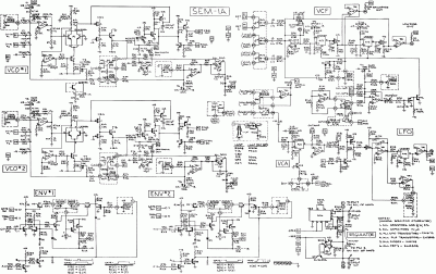
ok. du könntest schon mal sadnoise, bruder303,bartleby,und fairplay freischalten. die könnten dann die anderen (die da bock haben) einladen. hab wenig zeit für sowas gerade. das sem ist ja schon halb fertisch. fehlt nur noch die unterseite der platine. würde auch gerne mal was polyphones machen mit dem teil derweil ja die trigger und so flexibel für sowas sind.. eeeeendlich kann ich nachts schlafen. hab schon vom onkel oberheim geträumt der mir meinen kühlschrank leermampft...von teufelszeichen in dem semlayout usw...
ok. du könntest schon mal sadnoise, bruder303,bartleby,und fairplay freischalten. die könnten dann die anderen (die da bock haben) einladen. hab wenig zeit für sowas gerade. das sem ist ja schon halb fertisch. fehlt nur noch die unterseite der platine. würde auch gerne mal was polyphones machen mit dem teil derweil ja die trigger und so flexibel für sowas sind.. eeeeendlich kann ich nachts schlafen. hab schon vom onkel oberheim geträumt der mir meinen kühlschrank leermampft...von teufelszeichen in dem semlayout usw...
