GuywithBass
Synthesizer Azubi
Hallo Gemeinde,
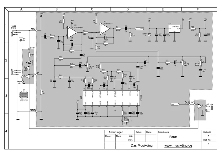
ich möchte Gitarren-Tretminen in mein Modul-Synth integrieren. Hier zu möchte ich mir ein Modul mit fester Abschwächung bauen, das gleichzeitig von Mini-Mono-Klinke auf 6,35 Monoklinke die Anschlüsse wechselt.
Als beispiel sei hier das "Link" aus der "Drum series" von "erica synths".

Leider habe ich keinen Schaltplan gefunden. Es dürft sich sicherlich um einen einfachen Spannungsteiler mit Widerständen handeln. Da ich nicht weiß welche Annahmen ich für die Spannungen und Ströme machen soll, möchte ich hier erstmal auf einen vorgegeben Schaltplan zurückgreifen.
Hilfreiche Kommentare, weiterhelfende Antworten und sachdienliche Links sind mir wie immer willkommen.
Gruß
GwB
ich möchte Gitarren-Tretminen in mein Modul-Synth integrieren. Hier zu möchte ich mir ein Modul mit fester Abschwächung bauen, das gleichzeitig von Mini-Mono-Klinke auf 6,35 Monoklinke die Anschlüsse wechselt.
Als beispiel sei hier das "Link" aus der "Drum series" von "erica synths".

Leider habe ich keinen Schaltplan gefunden. Es dürft sich sicherlich um einen einfachen Spannungsteiler mit Widerständen handeln. Da ich nicht weiß welche Annahmen ich für die Spannungen und Ströme machen soll, möchte ich hier erstmal auf einen vorgegeben Schaltplan zurückgreifen.
Hilfreiche Kommentare, weiterhelfende Antworten und sachdienliche Links sind mir wie immer willkommen.
Gruß
GwB




