4
4t6ßweuglerjhbrd
Guest
Anhang anzeigen orche B.mp3der Gesamtklang eines Orchesters / Orchester Hits
ist work in progress, ich erklärs wenns fertig ist, funktioniert etwas ähnlich wie die Strings
Anhang anzeigen orche B.mp3der Gesamtklang eines Orchesters / Orchester Hits
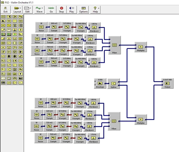
Bezüglich Gesamtklang eines Streichorchesters gab es in der Vergangenheit schon genügend Ansätze bei den Stringmachines, über LFO-modulierte Delaylines dem Gesamtklang durch Schwebungen nahezukommen. Ich habe ja diesbezüglich meine Experimente mit FX2 bereits realisiert. Ein für mich neuer Ansatz wäre es, die individuellen Vibrati der einzelnen Streicher in das Synthesemodell von vorneherein einzubinden. Dazu kam mir die Idee, ausgehend von einer Vibrato-Frequenz von 5Hz diese im Zeitverlauf in unterschiedlichen Abständen zu variieren und das für jede virtuelle Geige jeweils individuell. Dazu habe ich aus einem rosa-Rauschen per Sample&Hold-Modul in unterschiedlichen Abständen Steuersignale abgeleitet, mit denen der jeweilige für das Vibrato zuständige LFO moduliert wird, sodass dessen Schwingungsfrequenz sich innerhalb sinnvoller Grenzen in variierenden Zeitabständen ändert. Zugegeben: die nachgeschalteten individuell parametrierten Bandpässe sind bezüglich Nachbildung der Resonanzeigenschaften der jeweiligen Geige wirklich nur als Krücke zu betrachten. Dennoch: Zur Begutachtung der auf diese Weise erzeugten orchestralen Schwebungen reicht das FX2-Patch allemal. Natürlich habe ich alles wieder zweikanalig aufgebaut, sodass der Sound "in statu nascendi" schon stereophon ist:Ideen dazu

Du lässt Deine letzten Beispiele aber auch in einer ziemlichen Hallfahne schwimmen. Das hübscht natürlich jeden Sound auf, erschwert aber die Beurteilung eines Syntheseprinzips, weil bereits durch den Hall ja gewisse Schwebungen erzeugt werden könn(t)en. Unter diesen Bedingungen lassen sich Syntheseprizip-bedingte Schwebungen eben nicht ganz objektiv beurteilen. Insofern würde ich den Hall auf dem Weg zum Ziel "Orchestersound" vielleicht erst ganz zum Schluss als Sahnehäubchen einsetzen. Ansonsten gefällt mir vor allem das letzte Beispiel. Die Subtraktion eines phasengleichen Sinustons vom eigentlichen Oszillator zur Gewinnung der reinen Obertöne finde ich äußerst spannend. Danke für die Anregung!Und hier noch ein Experiment:
Pulswelle, von der ein phasengleicher Sinus vom Grundton abgezogen wird so daß (fast) kein Grundton zu hören ist,
gemischt mit einer Pulswelle in der gleichen Art mit 3-facher Frequenz (die fehlende Harmonische ergänzt)
licht verstimmt per Random Drift, und Lowpass gefiltert.
Gibt einen interssanten glockenähnlichen Klang
Anhang anzeigen 136944

Klasse. Geht schon sehr Richtung CP70. Weiter so!hervorragendes Klavier
Hier mal das CP30 zum VergleichGeht schon sehr Richtung CP70
Das finde ich in den tiefen Lagen sehr gelungen. Wenn Du das mit einem passenden Resonanzfilter kombinierst, das die Korpusresonanzen einer Bratsche oder eines Cellos liefert, dann bist Du schon sehr nah dran.Ich hab an den Strings weiter gemacht.
Ist jetzt ne andere spezielle Wellenform:
Anhang anzeigen 136825
wie man die analog machen würde bin ich nicht ganz sicher, eigentlich müsste das mit RM / AM
und Pulse und Sägezahn gehen
wenn die Wellen unipolar sind, und dann durch einen DC Blocker bzw Highpass.
Die Filter sind jetzt alle gleich laut und ohne dry Signal.
Ist 2 Oszis für Stereo, Frequenz mit Random moduliert und 4-fach unison. (dh also 8 -fach)
mal mit wenig Detune und wenig Hall, mal mit viel von beidem:


Sehr organischer Brass-Sound. Jetzt noch eine Steuerung per Blaswandler, das wär's... :)
1. Man kann die Impulse Response des Instruments effizient durch eine rekursive "Zufalls" Funktion mit geeigneten Startkonditionen annäheren.
Effizienter als mit Samples.
Soweit so gut.
2. Uanbhängig davon ob man ein Sample oder eine Funktion benutzt, physikalisch korrekt wäre es, zB im Fall des Klavierklangs,
diese Impulse Response mit dem veränderlichem Tri-Pulse zu falten, dh Convolution.
Das kostet normalerweise ein paar hunderte Rechenschritte pro Sample Tick.
Hundertaussende pro Sekunde.
3. Es gibt jedoch eine super effiziente Abkürzung:
Die Ableitung des Tri-Puls ist eine 3-stufige Pulsefunktion.
Dh der Tri-Puls lässt sich aus zwei Pulswellen mit anschließender Integration bilden (so mache ich das).
Die Ableitung der Pulswellen sind Doppelimpulsfolgen mit unterschiedlichen Vorzeichen.
Dh die Pulswellen ließen sich durch Integration zweier Impulse erzeugen.
Die Faltung (Convolutiion) mit einem Impuls ist aber nur noch eine einzelne Multiplikation.
Folglich lässt sich die zweite Ableitung der Impulse Response mit wenigen Multiplikatiionen und Additionen mit der zweiten Ableitung des veränderlichen Tri-Pulses falten.
Durch zweimalige Integration erhält man dann die Faltung der Response mit dem TriPulse, die sonst hunderte an Rechenschritten kosten würde.
In der Praxis zieht man einfach den Oszillator oder Generator mit der (Ableitung der) Impulse Response phasenversetzt von sich selbst ab
und integriert mit einem Intergrator mit exponentiellem Fenster, dh einfach einem 1-Pol-Lowpass Filter.
Mehrfaches integrieren kann in der Praxis problematisch sein, deswegen sollte man sich uU auf nur eine Ableitung beschränken.
Dann braucht man nur 2 Multiplkationen und zwei Additionen und einen 1 Pol Lowpass. um die Impulse Response mit der veränderlichen Dreickspulsewelle zu falten.
Ich bekomme offenbar sogar 256 Stimmen raus.ich bekomme auf meinem i5 über 160 Stimmen raus plus Hall


Folge dem Video um zu sehen, wie unsere Website als Web-App auf dem Startbildschirm installiert werden kann.
Anmerkung: Diese Funktion ist in einigen Browsern möglicherweise nicht verfügbar.