U
ujhdsrtzhvdr
Guest
Mein Juno-6 ist und bleibt mein Sorgenkind, alle paar Jahre wieder überrascht er mich mit neuen Zicken. Jetzt ist es wieder soweit.
Problem/Symptome
Beim Einschalten zeigt sich folgendes Verhalten:
Und dann plötzlich, aus dem Spielen heraus, zack, wieder das fehlerhafte Verhalten - manchmal nach ein paar Minuten, manchmal erst nach Stunden.
Ein paar Erkenntnisse dazu:
Gerät
Kontext
Nach dem Einbau im 2018 trat erstmal solch erratisches Verhalten auf. Ich konnte die Ursache damals nicht finden, meine Suche war alledings auch begrenzt auf kalte Lötstellen und Lötbrücken sowie optische Kontrolle der Bauteile. Die Auftretenshäufigkeit reduzierte sich danch und das Problem verschwand zwischenzeitlich ganz.
Nachdem ich vor Weihnachten die beiden Panelboards und das Benderboard zwecks Reinigung der Fader und Ersatz der MN3009 ausgebaut und wieder eingebaut hatte, zeigte sich das Probklem wieder in der gleichen Intensität und Art wie 2018.
Bisher (mit Multimeter) kontrolliert
Rückschlüsse/Vermutungen (kann komplett falsch sein, darf gerne in Zweifel gezogen werden, Input sehr erwünscht)
Da die Klangerzeugung selbst korrekt zu funktionieren scheint, vermute ich ein Problem bei der Tonhöhensteuerung, also irgendwo im Bereich Master Clock, Counter, CPU, Tastatur, allenfalls noch Transpose und Bender.
Ist das aus eurer Sicht plausibel, oder bin ich da auf dem falschen Weg unterwegs?

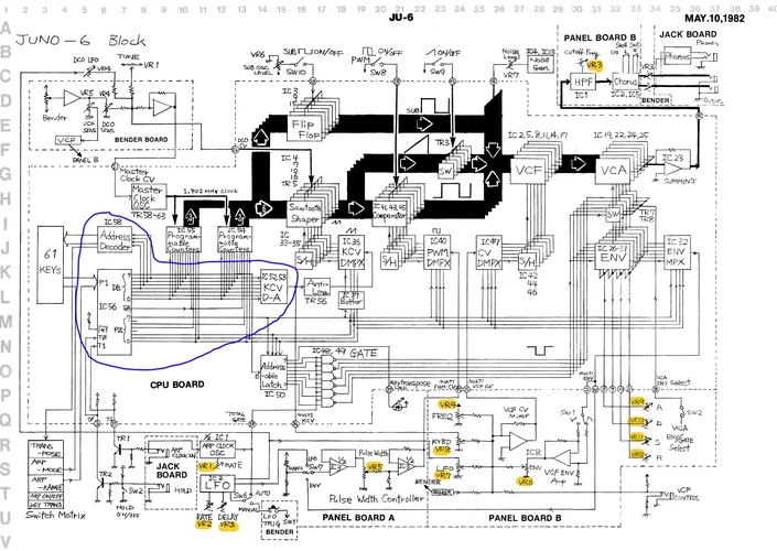
Meinem Verständnis nach haben wir da im Kern zwei Schaltungen: (1) Lesen der Tastatur -> CPU -> (2) Steuern der Divider (IC54/55). Es könnte also sein, dass (a) das Keyboard falsch abgelesen wird, (b) die abgelesenen Daten durch die CPU falsch prozessiert werden oder (c) die Counter nicht richtig funktionieren.
Falls das Tastaturabhängen ohne Seiteneffekte möglich sein sollte, wäre das wohl mein nächster Schritt, weil ich denke, damit den IC58 als Fehlerquelle ausschliessen oder erhärten zu können.
Problem/Symptome
Beim Einschalten zeigt sich folgendes Verhalten:
- der Juno produziert keine Töne bei Noten unterhalb G#4, bei entsprechenden Tastenanschlägen wird kein Ton ausgegeben
- die Tonhöhenunterschiede der einzelnen Notenschritte oberhalb G#4 sind minimal, weit von einem Halbton entfernt, eher in der Art "gleiche Tonhöhe mit instabiler Stimmung aka VCO :))
- in unregelmässigen Abständen beim Anschlagen einer Taste (egal ob die gleiche oder eine andere) wird ein sehr tiefer Basston erzeugt (ich vermute es ist das C1 - unteres Ende des Tonumfangs des Juno)
Und dann plötzlich, aus dem Spielen heraus, zack, wieder das fehlerhafte Verhalten - manchmal nach ein paar Minuten, manchmal erst nach Stunden.
Ein paar Erkenntnisse dazu:
- Ich kann das Problem nicht forciert auslösen, ich erkenne keinen Trigger, der durch eine Einstellung/Manipulation von mir ausgelöst würde. Weder bei Auftreten noch beim Verschwinden des Problems.
- Die Klangerzeugung selbst scheint korrekt zu funktionieren, ich habe ausser der Tonhöhenproblematik keine klanglichen Artefakte.
- Wenn ich, wenn das Problem auftritt, VCF, VCA, ENV, .. ändere, dann funktioniert das, der Klang verändert sich wie erwartet - nur die Tonhöhenproblematik bleibt
Gerät
- Juno-6, japanischen Ursprungs (lange Geschichte), d.h. 100 Volt, betrieben mit einem soliden Stepdown Transformer
- 2018 Tubbutec Juno-66 eingebaut (CPU ausgetauscht, gesockelt)
- 2022 Beide MN3009 gegen Xvive ausgetauscht (gesockelt)
Kontext
Nach dem Einbau im 2018 trat erstmal solch erratisches Verhalten auf. Ich konnte die Ursache damals nicht finden, meine Suche war alledings auch begrenzt auf kalte Lötstellen und Lötbrücken sowie optische Kontrolle der Bauteile. Die Auftretenshäufigkeit reduzierte sich danch und das Problem verschwand zwischenzeitlich ganz.
Nachdem ich vor Weihnachten die beiden Panelboards und das Benderboard zwecks Reinigung der Fader und Ersatz der MN3009 ausgebaut und wieder eingebaut hatte, zeigte sich das Probklem wieder in der gleichen Intensität und Art wie 2018.
Bisher (mit Multimeter) kontrolliert
- Output Stepdown Convertor 100 Volt, stabil
- Output Netzteil:
- +15V: +14.92 Volt, stabil
- -15V: -14.92 Volt, stabil
- +5 V: +5.12 Volt, stabil
- Keystep via Juno-66 Midi-in an den Juno gehängt - das Problem tritt genau gleich auf.
Rückschlüsse/Vermutungen (kann komplett falsch sein, darf gerne in Zweifel gezogen werden, Input sehr erwünscht)
Da die Klangerzeugung selbst korrekt zu funktionieren scheint, vermute ich ein Problem bei der Tonhöhensteuerung, also irgendwo im Bereich Master Clock, Counter, CPU, Tastatur, allenfalls noch Transpose und Bender.
Ist das aus eurer Sicht plausibel, oder bin ich da auf dem falschen Weg unterwegs?

Meinem Verständnis nach haben wir da im Kern zwei Schaltungen: (1) Lesen der Tastatur -> CPU -> (2) Steuern der Divider (IC54/55). Es könnte also sein, dass (a) das Keyboard falsch abgelesen wird, (b) die abgelesenen Daten durch die CPU falsch prozessiert werden oder (c) die Counter nicht richtig funktionieren.
- Keyboard
Wenn ich über Midi zuspiele, besteht das Problem indentisch wie wenn ich über die Tastatur spiele. Das würde eher weg von der Tastatur als Urasche deuten, aber zum ganz ausschliessen reicht das wohl nicht. Ich habe mir darum überlegt, ob ich die Tastatur ganz vom Board trennen (sind ja einfach zwei Steckverbindungen) und via Midi zuspielen kann, um zu schauen, ob das Problem dann weiter besteht.
Spricht aus eurer Sicht etwas dagegen, die Tastatur einfach abzuhängen und via Midi zuzuspielen oder könnte das Seiteneffekte haben?

- IC54/54
Die beiden ICs haben ja jeweils 3 Counter (weshalb es bei 6 Stimmen ja auch deren 2 braucht). Wäre einer davon defekt und der andere funktionierte, würde das dann doch erwarten lassen, dass nur die Hälfte aller Noten eine falsche Tonhöhe hätten. Wären beide defekt, wäre es ein unwahrscheinlicher Zufall, dass sich beide gleichzeitig gleich falsch verhalten. Das scheint mir eher gegen ein Problem mit dem Counter zu sprechen?

- IC 58
IC58 ist ein M74LS42P, dessen Aufgabe es meinem (unsicheren) Verständnis nach ist, den BCD Code (binary coded decimal), der von der CPU auf dem Datenbus zur Steuerung der Counter ausgegeben wird (DB3 .. DB6), abzulesen und in Hexadezimalwerte zu konvertieren, welche dann über die 8 Kanäle (Leitungen) vom IC58 auf die Tastatur ausgegeben werden. Nach Durchlaufen der Tastatur werden diese Werte dann wieder von der CPU auf den 8 Eingangskanälen (Port 1, P10..17) eingelesen.



Bei Betrachten der "Umrechnungs-Tabelle" ist mir aufgefallen, dass die fünfte Reihe (0100) genau mit dem G#4 beginnt, unterhalb dessen keine Töne mehr produziert werden. Das kann ein Zufall sein, aber auch ein Hinweis, dass da allenfalls etwas im IC 58 schief läuft. Zudem ist das interessanterweise gerade die Reihe, an der das dritte Bit von 0 auf 1 wechselt - oder mit anderen Worten, alle Tonhöhen, die mit einem 0-Wert im dritten Bit kodiert sind, werden nicht erzeugt.

Falls das Tastaturabhängen ohne Seiteneffekte möglich sein sollte, wäre das wohl mein nächster Schritt, weil ich denke, damit den IC58 als Fehlerquelle ausschliessen oder erhärten zu können.
Zuletzt bearbeitet von einem Moderator:






)






















