Bauteile-(Tausch)börse

Hat hier noch jemand einen SSM2033 rumfliegen? Benötige nur einen
 
Für meinen letzten Fonik-TH555 VCO fehlt mir der Tempco 2k +3500ppm/C.
Bevor ich im ex-EU-Land bestelle,-
hat jemand noch einen übrig?
Im Tausch zB gegen CA3080 ?
 
Für meinen letzten Fonik-TH555 VCO fehlt mir der Tempco 2k +3500ppm/C.
Bevor ich im ex-EU-Land bestelle,-
hat jemand noch einen übrig?
Im Tausch zB gegen CA3080 ?

Ich hab hier noch Tempcos 1k .. könntest zwei Stück seriell nehmen.
Falls Interesse gern PM.
 
hab noch 2k Temcos rumliegen, muß ich eh raussuchen da ich grade einen TH555 baue ;-)
CA3080 bräuchte ich aber nicht
 
@ HansLanda und telefonhoerer:
Vielen Dank Euch beiden,
aber jetzt hab ich eben doch eine größere Bestellung
bei Thonk aufgegeben.
etwas off topic:
Zu meinen älteren 16HP-555ern löt ich mir gerade zwei
10-HPs; und da weiß ich jetzt nicht, was da zwischen F1 undC4
auf den Platz R_LED gehört,- die bicolor LED
sitzt doch schon auf dem Poti-und Buchsen-PCB?
Einfach offenlassen?

Danke nochmal
 
Hi,
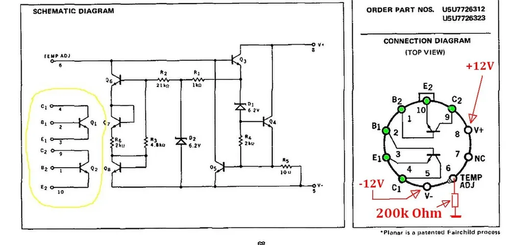
hab in meinem Fundus 2 µA726 gefunden und würde gerne Wissen bevor ich sie Anbiete (oder selbst was baue)ob die Funktionieren ?
Leider hab ich keine Geräte (VCO) in denen sie verbaut wurden und sie Testen könnte ,gibt es evtl.eine Testschaltung für den IC
Danke für eure Hilfe
StormB
 

Anhänge

  • UA726.jpg
    UA726.jpg
    3,5 MB · Aufrufe: 18
Die beiden Transistoren könnte man mit einem Transistor - Tester prüfen ; z.B.mit Multifunktions-Tester - TC1/TC2

tc1.jpg

Zur Überprüfung der eingebauten Heizungs-Regelung brauchts schon etwas mehr :

ua726.jpg



Wenn das IC i.O. ist , sollte eine merkliche Temperatur-Erwärmung am Gehäuse feststellbar sein.
 

Anhänge

  • datasheet.pdf
    103,7 KB · Aufrufe: 6
Hi Humax5600,
ja das mit dem Tester hat mir auch schon Werner empfohlen
werde auf jeden Fall machen
das mit der Temp muß ich wohl auch machen um sicher zu sein ob die Teile echt sind
Danke
StormB
 
Hab hier einiges an Bauteilen abzugeben. Neben einigen ICs auch Potis und schalter:


6 Pos. Drehschalter - CK1050 LORLIN ca. 100 Stück
Potis 100k Ohm Lin. (Mouser: 652-PDB181K420K104A2) ca. 100 Stück
Potis 1M Ohm (Mouser: 652-PDB181K420P105A2) ca. 90 Stück
Trimmer 100k Ohm (Reichelt: PT 10-L 100K) ca. 100 Stück

Fischer Elektronik Stiftleisten (Stapelleiste) SL 6 223 40 Z - circa 100 Stück


MC14016BCP (Motorola) NOS - 75 Stück
TL074 - 26 Stück
CA3240 - 50 Stück

0.1 uF/50V MLCC Keramik-Vielschicht - ca 200 Stück
1nF/100V WIMA Film - ca 50 Stück
10uF/63V - ca. 200 Stück

KRL Tempco 1K Ohm - 20 Stück

Sollte irgendetwas davon benötig werden bitte PM.
Bin allerdings nicht daran interessiert jetzt einzelne Kondensatoren oder sowas zu verschicken.
Ihr sollten schon ein paar Stück nehmen.
 
Hi,
ich brauche
3x OPA4171 TSSOP-14,
3x MMBFJ309 smd,
1x 3340 VCO IC
Vielleicht kann mir die IC's jemand abgeben.... auch gegen Bezahlung.
 
Zuletzt bearbeitet:
Nicht mehr zu haben...

Ahoi, ein Freund zieht um und hat ziemlich viele Bauteile, die er günstig los werden will... gibt es hier vielleicht Interessenten? Ich habe ein paar Bilder gemacht, aber nicht alles fotografiert... Es sind 4 Plastiktüten voll. Besten Dank schon mal für Eure Rückmeldung!
 

Anhänge

  • IMG_2966.jpg
    IMG_2966.jpg
    1,4 MB · Aufrufe: 16
  • IMG_2967.jpg
    IMG_2967.jpg
    1,5 MB · Aufrufe: 17
  • IMG_2968.jpg
    IMG_2968.jpg
    1,5 MB · Aufrufe: 14
  • IMG_2969.jpg
    IMG_2969.jpg
    1,3 MB · Aufrufe: 15
  • IMG_2970.jpg
    IMG_2970.jpg
    1,4 MB · Aufrufe: 13
  • IMG_2972.jpg
    IMG_2972.jpg
    701 KB · Aufrufe: 12
  • IMG_2973.jpg
    IMG_2973.jpg
    827,4 KB · Aufrufe: 13
  • IMG_2974.jpg
    IMG_2974.jpg
    1,1 MB · Aufrufe: 12
  • IMG_2975.jpg
    IMG_2975.jpg
    989 KB · Aufrufe: 13
  • IMG_2976.jpg
    IMG_2976.jpg
    752,8 KB · Aufrufe: 10
  • IMG_2977.jpg
    IMG_2977.jpg
    929,6 KB · Aufrufe: 11
  • IMG_2978.jpg
    IMG_2978.jpg
    897 KB · Aufrufe: 10
Zuletzt bearbeitet:
Hilfe ich benötige folgende Parts und hoffe es kann mir jemand helfen.
Digikey und Mouser haben die über Monate nicht !!!

Film
1​
1n5mm LS647-QYX2A102KTP1FD
1​
100n5mm LS647-QYX1H104JTP1FD
2​
4n75mm LS647-QYX1H472KTP or 647-QYX2A472JTP
Electrolytic
3​
1u50V 2mm LS647-USA1H010MDD1TE
1​
10u BP16V BP 2mm LSUSP1V100MDD or UMP1C100MDD
Diodes
21​
1SS-1331SS133M R0G
Trimmers
1​
B1KVertical RJ6531-PT6KV-1K
 
Ahoi,

Hilfe ich benötige folgende Parts und hoffe es kann mir jemand helfen.


hat sich bestimmt schon erledigt aber falls nicht: Reichelt hat Polyester Folienkondensatoren z.B. WIMA FKS2 mit 1nF und 4,7nF und von Kemet 100nF in 5mm Rastermass. Die 1SS133 lässt sich sicher durch eine 1N4148 ersetzen und die Elkos, tja ... ist den kein Platz für Alternativen vorhanden?
Für die Folienkondensatoren kannst du auch sicher irgendein Gerät Hifigerät der 80/90/00er Jahre schlachten.
 
Zuletzt bearbeitet:
Nachtrag: Wenn du mit gebrauchten Bauteilen leben kannst, dann kann ich dir die Kondensatoren schicken. Ich löte die aus Platinen die ich hier habe und prüfe sie selbstverständlich mit einem Bauteiletester. 1SS133 müsste ich auch noch irgendwo haben(neu).
 
Falls jemand AD8066 SO8, OPA2132 SO8, uPC4570G2, NJM4556 SO8, LME49860MAX/NOPB, 1x CS4391KZZ (DAC für SN2), CS4192KZZ (DAC für SN2) braucht, kann sich bei mir melden. Ich habe von jeder Sorte noch ziemlich viel neu übrig.
 
Hat hier jemand TL072 sowie TL074 die nachweislich aus den 70/80ern stammen?
Also NOS Teile.. bräuchte davon ein paar wenige.
Gerne melden :)
 
Muss es NOS sein, können die nicht gebraucht sein?
 
OK dann bin ich aufmerksam wenn mir wieder Technik in die Hände fällt.
 
TL072 habe ich hier einige . Aber von wann die sind ? Woran kann man das erkennen?
Aus den 70/80er sind die defenitiv nicht , da hab ich nur mit LM324 und/oder uA741 hantiert .( Hab´ ich auch noch welche davon )
Und welchen Vorteil erhoffst du dir von den "Oldtimer" ICs ?

tl072.jpg
 
Zuletzt bearbeitet:
Woran kann man das erkennen?
Am Datumscode. Der sieht bei den ICs auf deinem Bild sehr herstellerspezifisch aus, da müsste man im Datenblatt von TI nachlesen.
Bei ICs aus den 70/80ern ist meist ein 4 stelliger Code aufgedruckt bei dem die ersten 2 Stellen das Jahr und die letzten 2 Stellen die Kalenderwoche angeben in der der IC hergestellt wurde.

Ausserdem sind die ICs bedruckt und nicht per Laser beschriftet wie auf deinem Bild.
 
Voodoo oder Schlangenöl würde ich das nicht nennen , sondern dass widerspricht allem was ich
in über 40 Berufsjahren während meiner Tätigkeit als Elektroniker gelernt habe.
Würde nie,niemals nicht bei einer Rep. 30-40 Jahre alte Chips verwenden (es sei denn es gibt partout nix anderes),
welche dann vorraussichtlich nach ein paar Tagen /Wochen wieder ausfallen.
Aber wenn du meinst. Jeder so wie er mag, und noch viel Glück beim finden der alten Chips !
 
Kann mir gut vorstellen, das die Fertigungstoleranzen früher auch größer waren. Wenn ich was vom einen Ende habe und was vom anderen, wie verhält sich sowas dann klanglich bei einem 5 stimmigen Synth, wenn die TLs in unterschiedlichen Stimmen sitzen? Oder ist das dann das "gewisse etwas", was am Ende entscheidet, ob der Song die Top Ten gerade wegen dieser Ungenauigkeiten erreicht? Ich hatte hier noch einige getauschte TLs liegen aus alten Mitec Pulten aus den 80ern, hatte sie, weil ich gerade keine neuen hatte in irgendwelchen Eurorackmodulen verbaut. Klingen die jetzt besser, luftiger, oder feinzeichnender?
Mit Elkos würde ich sowas nicht machen.
 


News


Zurück
Oben