
GKMsound
Systemimmun
Hi,
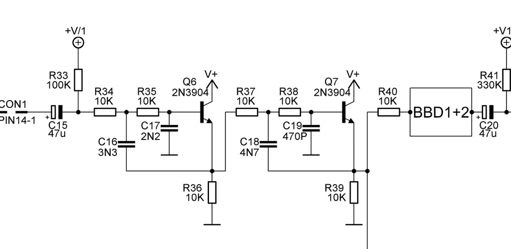
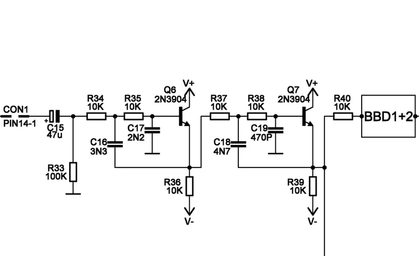
ich habe die Schaltung, das Modul von Feedback Multidimension nachgebaut und wie erwartet gibt es Probleme.
Ich bekomme kein sauberes Signal zum BBD-Ic.
Der negative Teil der Wellenform verliert sich am Emitter von Q6.

An der Basis ist noch alles gut:

Am Emitter:

Somit habe dann am Eingang des BBD schon keine saubere Wellenform mehr. Mir ist unklar ob das Signal nur im positiven zum BBD soll. ?
Anhang anzeigen MultiDim Schematic 1-2.jpg
Anhang anzeigen MultiDim Schematic 2-2.jpg
Um am Ausgang des MN3007 überaupt sowas wie ein Singnal zu haben was nicht vom MN3101 kommt ist ein Offset von etwa 3V nötig.
Wenn ich mit dem Offsettrimmer des BBD das Signal am BBD Eingang runterziehe habe ich kein Signal mehr am Ausgang.
3V + ein Signal vom Takt OSC bleibt natürlich am BBDout.
Ich hoffe jemand hier versteht wie, was ich meine und weiß mehr . ?
ich habe die Schaltung, das Modul von Feedback Multidimension nachgebaut und wie erwartet gibt es Probleme.
Ich bekomme kein sauberes Signal zum BBD-Ic.
Der negative Teil der Wellenform verliert sich am Emitter von Q6.

An der Basis ist noch alles gut:

Am Emitter:

Somit habe dann am Eingang des BBD schon keine saubere Wellenform mehr. Mir ist unklar ob das Signal nur im positiven zum BBD soll. ?
Anhang anzeigen MultiDim Schematic 1-2.jpg
Anhang anzeigen MultiDim Schematic 2-2.jpg
Um am Ausgang des MN3007 überaupt sowas wie ein Singnal zu haben was nicht vom MN3101 kommt ist ein Offset von etwa 3V nötig.
Wenn ich mit dem Offsettrimmer des BBD das Signal am BBD Eingang runterziehe habe ich kein Signal mehr am Ausgang.
3V + ein Signal vom Takt OSC bleibt natürlich am BBDout.
Ich hoffe jemand hier versteht wie, was ich meine und weiß mehr . ?
Anhänge
Zuletzt bearbeitet: