Neu

Echocord Mini, worauf achten beim K̶a̶u̶f̶ Restaurieren?

  • #151
Ja schon, aber du schrubtest oben

Ist halt nicht der Löschkopf. Der sitzt bei den Echocords immer hinten und hat kein Gehäuse, auf das man die Kappe fixieren könnte

Danke.

Für diesen guten Morgen.

Danke.

Für diesen neuen Tag.

Danke.

Ach Herr, ich will Dir danken, daß ich danken darf.


Ist fast wie bei der Konfirmandenfreizeit.

Stephen
 
  • HaHa
M.i.a.u.: MacroDX
  • #152
Ja schon, aber du schrubtest oben
Versteh isch nüsch?

Ist halt nicht der Löschkopf. Der sitzt bei den Echocords immer hinten und hat kein Gehäuse, auf das man die Kappe fixieren könnte
Stimmt.

Aber um sich – dankenswerterweise – mal dem Erkenntnisgewinn anzunähern:
Möchte/Sollte man nun Wiedergabe- oder Aufnahmekopf abschirmen?
Da es im Manual so erwähnt ist, tendier ich zum Wiedergabekopf, würde aber gern das »Warum« verstehen.
 
  • #154
Sodele, nachdem @rblok mir seine Geräte anvertraut hat, hat sich für das Super 75 folgendes ergeben:
Zunächst war festzustellen, daß kaum eins der Potis wirklich gut funktioniert hat. Und da meine Vermutung für das Krachen auch dahin ging, habe ich eines davon mal zerlegt.
Wie befürchtet waren die Schleiferringe gebrochen, wodurch kein ausreichender Federdruck des Schleifers und somit Kontakt dann auch mäßig bis garnicht vorhanden ist.
Anhang anzeigen 142592
Habe die Bruchstellen dann beidseitig verlötet und das scheint zu funktionieren. Ansonsten müssten irgendwann Ersatzpotis her, zum Beispiel aus einem ausschlachtbaren Eminent II. Alles dann noch ein bischen mit dem Dremel abgeschliffen, des besseren Kontaktes wegen.
Anhang anzeigen 142593

Leider waren alle Potis in diesem Zustand, lediglich einer der Schleifer war nicht gebrochen.

Nachdem ich dann auschließen konnte, das krachende Potis die Ursache waren, habe ich die Knackser mit dem Oszi verfolgt und konnte sie auf einen bestimmten Bereich auf Platine 81008 von Kanal 2 eingrenzen. Schlußendlich hat sich herausgestellt, dass es der Koppelkondensator C111 auf Kanal 2 war, ein 220nF Elko. Meßtechnisch war dieser augenscheinlich vollkommen okay, nur nicht mehr unter Last. @binary tubes du hattest damit Recht mit deinem Hinweis, nur dass es eben nicht von der PSU kam :). Habe den dann durch einen 220nF Folienkondensator ersetzt und das Knacksen war weg.
Zumindest bis zu dem Punkt, wo ich grad ne kurze Demo aufnehmen wollte. Auf einmal gings wieder los
:meise:
. Habe dann aber glücklicherweise schnell feststellen können, dass der Kollege C111 von Kanal 1 nun auch direkt entschieden hatte auszusteigen
:selfhammer:
. Dann eben noch diesen Ersetzt und jetzt ist Ruhe :)
Hab dann noch ein gescheites Band eingesetzt und ne kleine Demo aufgenommen
Würde sagen das klingt jetzt ganz ordentlich.

Anhang anzeigen 142594

Ei dann geh ich doch mal nachgucken. Da es sich ja »nur« um die Doppelpotis handelte, ist der Feedback-Poti schonmal raus. Aber ich glaub daran hängts nicht. Habe beide Eingänge probiert, bei beiden ist nur mit Gefummmel Echo zu entlicken. Aber wenns dann mal läuft:

giphy.gif
 
  • #155
Mal wieder was fürs Protokoll:
Super75 #2 (7/70) zeigt zur Abwechslung mal den Motor in schwarz. Kannte ich noch nicht, du @MacroDX?

WP_20221127_16_21_43_Pro.jpg
 
  • #156
Nope, ist mir neu … ich dachte zuerst du meinst damit, er wär abgeraucht 😅
 
  • #158
Moin in die Runde. Hier ist zwar schon eine Weile nichts passiert, ich versuche aber trotzdem mein Glück. Ich hab ein Echcord Mini geschenkt bekommen aus dem ich aktuell leider keinen Ton rausbekomme.

Der DIN auf TS Klinke Stecker am Ausgang scheint mir richtig konfektioniert zu sein. (Pin 1 Signal & Pin 2 Masse). Daher habe ich hier erst mal mindestens ein Brummen oder Rauschen erwartet. Es bleibt aber still.

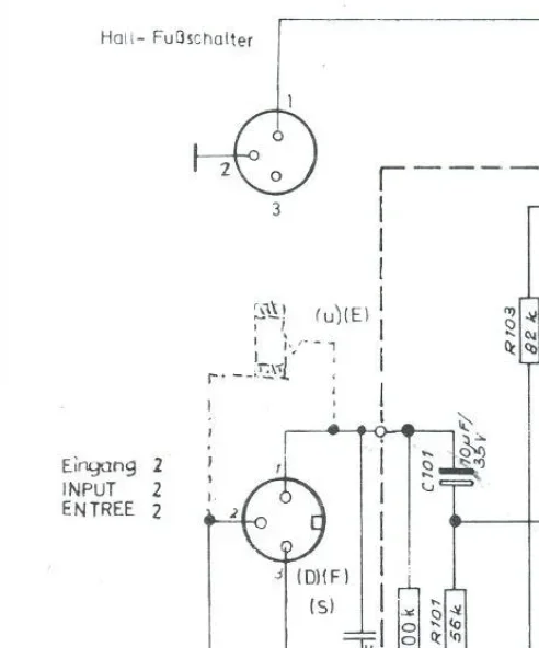
Da der Vorbesitzer versucht hat die DIN Eingänge auf TRS umzubauen, sie aber nicht fertig sind, bräuchte ich etwas Hilfe. Kann mir jemand die PIN Belegung für die Boards 81001 und 81002 erklären? Wenn die Ein-, & Ausgänge korrekt verbunden sind, kann ich das schon mal abhaken und überprüfen ob es einen anderen Grund für die Stille gibt.

Vielen Dank im Voraus.
Ralf
 
  • #159
Moin @ralfw, hier der Auszug aus dem SM, falls du das SM per Mail haben möchtest (26MB), PM an mich.

1729775372036.webp
 
  • #160
Und denk dran dass die Pin zwar 1-5 nummeriert sind, aber GEGEN den Uhrzeigersinn:

Bildschirmfoto 2024-10-24 um 15.51.57.png

Hab in der Ablage noch n Bild aus der Bastelzeit gefunden, vllt. hilfts:
Bildschirmfoto 2024-10-24 um 15.54.03.webp
 
  • Daumen hoch
M.i.a.u.: JuBi
  • #161
Erst mal vielen Dank an @JuBi und @rblok für die super schnellen antworten. Gibt’s eine Art Leitfaden welche Elkos alle getauscht werden sollten. Die hier sind offensichtlich alle noch die ersten. Sind halt mit „Made in W-Germany“ gelabelt. Sollten ggf alle getauscht werden? 🤷‍♂️ Ich bin echt dankbar für jeglichen Input eurerseits.
 
  • #162
Ich würde alle inkl. Netzteil tauschen.

Du siehst ja das wir hier schon Probleme hatten und die Suche dann sehr schwer ist. Trotz W Germany sind das keine Guten Elkos.

Im Gegenteil, zw. 60er und 80er gab es viel Schrott. Weltweit.
Eigentlich, wann waren Elkos je gut?

Die Maschine brummt sicher auch schon im Audio. Somit lassen die Elkos bereits Ströme durch.

Wenn Du diese Arbeit anfängst mach es einmal richtig und dann hast du lange Ruhe.
 
Zuletzt bearbeitet:
  • Zustimmung
  • Daumen hoch
M.i.a.u.: ralfw und ppg360
  • #163
@binary tubes Danke für den Hinweis. Die Info über die „West-Germany-Elkos“ habe ich auch nur dazu geschrieben um auf das Alter hinzuweisen. Von besonderer Qualität bin ich keineswegs ausgegangen. 😉

Dann schnappe ich mir am Wochenende mal Stift und Papier und mache eine Shoppinglist fertig. Bi-Polare Elkos sind hier angesagt, richtig?
 
  • #164
Bi-Polare Elkos sind hier angesagt, richtig?
Eher nicht. Hast du dir das Servicemanual schicken lassen? Da gibts halt 2 Ansätze: alles tauschen oder nur angeschlagenes plus Netzteil-Elkos.
Hab selber lange mit mir gerungen, aber der Elko-Tester ist schon eine sehr sehr große Hilfe.
 
  • Daumen hoch
M.i.a.u.: ralfw und Miks
  • #165
Bi-Polare Elkos sind hier angesagt, richtig?
Nein - außer der Schaltplan sieht an bestimmten Stellen welche vor. Bi-polare Elkos werden in Schaltplänen meistens mit BP (Bi-Polar) oder NP (Not Polarized) gekennzeichnet.
 
  • Zustimmung
  • Daumen hoch
M.i.a.u.: ralfw und MacroDX
  • #167
Da ich gerade mal den ganzen Thread durchgeschaut habe, noch dazu...:
ich habe bei meinen Echocord Mini immer wieder das Problem, dass die Klebestelle der Bandschleifen ein leichtes Plopp verursacht. Da konnte ich mir beim Kleben noch so viel Mühe geben.
Wie schneidest Du denn? 90°-Schnitt oder ein schräger 45°-Schnitt?
 
  • #168
@fanwander Ich benutze die Schneidhilfe einer B77, die ich mir abgeschraubt habe und damit sind das dann 45°.
Ich meine aber auch festgestellt zu haben, dass die Plopp-Amplitude auch von der Reinheit des Kopfes abhängt. Bei frisch geschliffenen Köpfen ist es weniger.
Was hast du für eine Theorie?
 
  • #170
Nein - außer der Schaltplan sieht an bestimmten Stellen welche vor. Bi-polare Elkos werden in Schaltplänen meistens mit BP (Bi-Polar) oder NP (Not Polarized) gekennzeichnet.
Danke. Wieder was gelernt. Euer Schwarmwissen ist echt ne große Hilfe. Tausend Dank.
 
  • Daumen hoch
M.i.a.u.: Miks
  • #171
In dem Thread oder in einem anderen zur Echocord habe ich denke ich das Problem erörtert was mit einem defekten und durchschlagenden Elko war und wie aufwendig es war das einzugrenzen.


Ich würde da gar nicht viel Zeit mit einem Elko Tester verschwenden.

Die zeigen einen die Kapazität und wieviel davon noch verfügbar ist.

Aber das Essenzielle nicht, wie der Zustand des Dielektrikum ist und ob es durchschlägt.


Der Typ von "Mr Carlsons Lab - siehe Capasitors Videos" hat das mit seinem Selbstgebautem Tester und Fertigen Tester, auch gut gezeigt, wie gut und dekekt Kondensatoren die eine "Gute Kapazität" hatten, wirklich sind.

Enstcheidend wäre hier eher Alter und Zusand der Innereien, ob ein Kondensator Spannungsfest und geeignet ist und wie lang.

Also ein Guter Tester müsste so funktionieren das er zusätzlich die Spannunsfestigkeit des Dielektrikums messen könnte.


Also in dem SM Auschnitt sehe ich schon mal 2 Typen von Kondensatoren.
Musst in der Legende schauen oder auf Schaltzeichen Normen dieser Zeit, was die Bedeuten.

Aber was Elkos und Bi bzw. Uni Polar sind, lässt sich aber auch sicher im Vergleich SM und Gerät selbst, herausfinden.

Denke 2x Schwarz ist Bi Polar und 1x Schwarz und 1x Weiß, Elko.

Leider versteh ich eure Definition von Bi und Uni Polare Kondensatoren nicht. Für mich das Gleiche.

Ich kenne nur Polare und Nicht Polare (Bi, Uni, Non) Kondensatoren.


Wichtig auch beim ReCappen das Kondensatoren gewollt verschiedene oder "Schlechtere" Werte haben. Also nicht alles soll "Low ERS" sein oder evtl. auch gar nicht.

Bei einigen ist ein Hoher ERS oder innen Wiederstand erwünscht, als Schaltungsschutz oder als Funktion.

Daher solltest Du da ein wenig recherchieren, was Du womit tauscht anstatt auf Top aktuelle, niedrige Werte zu schauen.

Ein höher Zykus, Lebendauer Wert ist jedenfalls anzustreben.
 
Zuletzt bearbeitet:
  • Daumen hoch
M.i.a.u.: ppg360
  • #172
@fanwander Ich benutze die Schneidhilfe einer B77, die ich mir abgeschraubt habe und damit sind das dann 45°.
Ich meine aber auch festgestellt zu haben, dass die Plopp-Amplitude auch von der Reinheit des Kopfes abhängt. Bei frisch geschliffenen Köpfen ist es weniger.
Was hast du für eine Theorie?
Die Frage war nur ob du 90°-Schnitte verwendest. Die ploppen immer. Die 45° sind halt bei 19cm/s oder 38cm/s ok, aber so ein Bandecho läuft vermutlich mit irgendwas im Bereich 5cm/s; da wäre ein noch "flacherer" Schnitt hilfreicher. Einfach beide Bandenden übereinander auf eine Platte legen und mit gespreizten Fingern auf der Platte festdrücken und dann die beiden übereinander liegenden Bandenden mit einer Rasierklinge durchschneiden. Zum Kleben muss man sie dann in die Schneidhilfer B77 legen oder an eine Lineal anlegen.
 
Zuletzt bearbeitet:
  • hilfreich
M.i.a.u.: MacroDX
  • #173
Leider versteh ich eure Definition von Bi und Uni Polare Kondensatoren nicht. Für mich das Gleiche.

Ich kenne nur Polare und Nicht Polare (Bi, Uni, Non) Kondensatoren.
Ich nehme an, dass mit "Bi-polare" Nichtpolarisierte Electrolytkondensatoren gemeint sind.

Schönes Beispiel aus dem Service Manual des Roland System 100
1729859723229.webp

1729859687550.webp

Tatsächlich sind mir auch schon Elkos begegnet, die man als "bipolar" hätte bezeichnen können: die bestanden aus zwei "normalen" Elkos, die mit der "Plus"-Seite kopf-an-kopf in eine Hülse montiert waren.
 
  • Daumen hoch
M.i.a.u.: Miks und binary tubes
  • #174
Ich nehme an, dass mit "Bi-polare" Nichtpolarisierte Electrolytkondensatoren gemeint sind.

Schönes Beispiel aus dem Service Manual des Roland System 100
Anhang anzeigen 232515

Anhang anzeigen 232514

Tatsächlich sind mir auch schon Elkos begegnet, die man als "bipolar" hätte bezeichnen können: die bestanden aus zwei "normalen" Elkos, die mit der "Plus"-Seite kopf-an-kopf in eine Hülse montiert waren.

Krasses Schaltbild. Vorallem wo Links die üblichen Schaltzeichen aufgezeichnet sind.

Und dann steht da noch + und N P, zum Glück, aber diese beiden Schaltbilder sind gleich gezeichnet.

Könnte man auch mit einer Z Diode verwechseln.

Wahnsinn mit diesen 2 Elkos.

Schon krass was früher so gebaut und gezeichnet wurde.
 
  • #176
Der entsprechende Standard ist JIS C0617 “electrical drawing symbols”. Warum soll es den Synthetikern besser als den Fotografen gehen. Dort haben die winzigen Schrauben auch spezielle Köpfe, die zwar wie normale Kreuzschlitz aussehen, aber leicht anders geformt sind. Mit falschem Werkzeug ist dann schnell was kaputt.
 
  • #179
Ist halt Japan-Style:
Die unterscheiden jetzt aber auch zwischen bipolar:

1729890372056.png

und non-polar:

1729890440784.png

Was ist aus deren Sicht der Unterschied?

PS: ChatGPT ist - mal wieder - auch nicht wirklich viel aussagekräftiger als unser eigenes Gestopsel:
The main difference between bipolar (or non-polar) capacitors and non-polar capacitors lies in their construction and the way they are used in circuits.

### Bipolar Capacitors
- **Construction**: Bipolar capacitors can handle AC signals and are designed to work with both positive and negative voltages. They typically have symmetrical construction, allowing them to operate in either direction.
- **Usage**: Commonly found in AC applications, such as audio circuits, where the polarity of the voltage can reverse. They can also be used in situations where the voltage may fluctuate around zero.

### Non-Polar Capacitors
- **Construction**: Non-polar capacitors are designed to be used in AC circuits, similar to bipolar capacitors. They do not have a specific positive or negative terminal, making them versatile for various applications.
- **Usage**: Often used in coupling and decoupling applications in AC circuits, as well as in timing and filtering circuits.

### Key Points
- **Polarity**: Bipolar capacitors can tolerate both polarities, while non-polar capacitors are also made to be indifferent to polarity.
- **Application**: Both types are suitable for AC applications, but bipolar capacitors may be specifically designed for more demanding environments.

In general, the terms are sometimes used interchangeably in practical applications, but the specific context can determine the preferred terminology.
 
Zuletzt bearbeitet:
  • #180
Aber wieso Sie dann Japan und UK in einem Plan verwenden?
Die unterscheiden jetzt aber auch zwischen bipolar:
Die Tabelle oben listet verschiedene Symbole verschiedener Standards. JIS C0617 ist nur kostenpflichtig zu bekommen und ausserdem auf Japanisch verfasst. Ansonsten empfiehlt sich die Lektüre von Wikipedia in verschiedenen Sprachen und auch mal ein Blick in ein gutes Fachbuch.
 

Ähnliche Themen


Neue Beiträge

Zurück
Oben