intercorni
*****
Hallo,
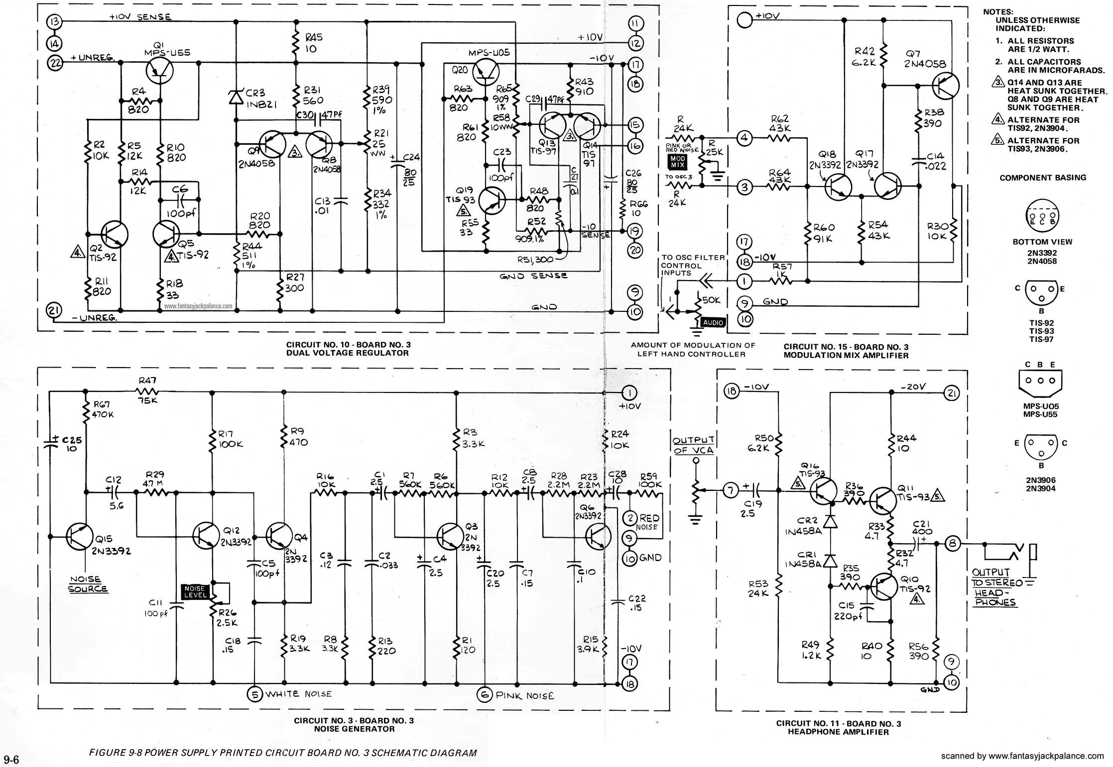
ich habe mir gerade mal den Schaltplan zur Minimoog PSU näher angeschaut und festgestellt, dass es verschiedene Abgriffe gleicher Spannungen gibt, z.B. +10V und +10V sense.
Was hat das mit dem "sense" auf sich?
Hier mal der Plan dazu:
ich habe mir gerade mal den Schaltplan zur Minimoog PSU näher angeschaut und festgestellt, dass es verschiedene Abgriffe gleicher Spannungen gibt, z.B. +10V und +10V sense.
Was hat das mit dem "sense" auf sich?
Hier mal der Plan dazu:
