flimsy
......
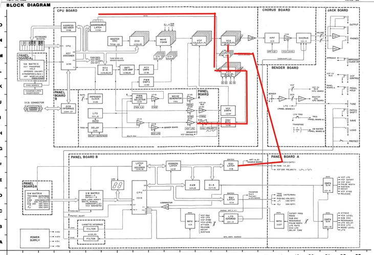
Mein Juno hat seit neuestem einen Defekt. Die Stimmen sind nur zu hören, wenn das VCA auf Gate eingestellt wurde, und dann mit unendlichem Sustain. Ändert man ein Preset, ist dieses nur zu hören, nachdem zwischen Envelope und Gate einmal geschaltet wurde. Habe an dem Gate-Header mal gemessen, da kommen keine 5 V an. Anbei ein Link zu einem Video welches den Fehler zeigt.
https://youtube.com/shorts/p6p9vHQpTpA
Falls jemand einen Tip hat...
https://youtube.com/shorts/p6p9vHQpTpA
Falls jemand einen Tip hat...
