Hätte ich eine TB 303 würde ich sie so lassen.Das hat er sich ja bisher auch ordentlich bezahlen lassen. Für einen Preis, für den man 5-10 Kisten von Behringer kriegt.
Also ehrlich, wenn jemand einen original Roland kaufen und dann für 1000 Dollar modden lassen kann, der wird sich doch nicht jetzt statt dessen den DF bei behringer kaufen, nur weil es ihn gibt. Robin wird deswegen kein einziges Mod weniger verkaufen. Ich hätte die 15.000 genommen und dann fröhlich weitergemacht.
Eben, jeder baut z.B. ´nen Neve Preamp nach und wird dafür gefeiert. Besonders dann, wenn teure Originalteile verwendet werden.Selbst wenn es, rein theoretisch, darauf ein Patent gegeben hätte: Patente sind maximal 20 Jahre ab Einreichung gültig. Also selbst dann dürfte die Schaltungen heute jeder nachbauen, egal wie innovativ das vor >20 Jahren einmal war.
Nur ist gut. Gerade das macht eher Arbeit als die eigentlichen Mods. Musst ja erstmal einen Sub zusammenlöten inkl. eine Platine dafür schnitzen, wenn es schön sein soll. Ich tippe mal, dass du niemanden dafür finden wirst.Bietet eigentlich jemand Modding für die Ur-TD-3 an?
Ich möchte an sich nur den Sub-OSC.
Wenn sie schlecht klingt, warum nicht? Bist du Sammler oder Musiker? Bisschen was an der Resonanz, dem Filter oder dem VCA kann man doch immer machen, damit es schöner wird.Heutzutage würde ich keine echte 303, welche sich noch im Originalzustand befindet, mehr modden.
Wenn dann, ne RE-303. :P
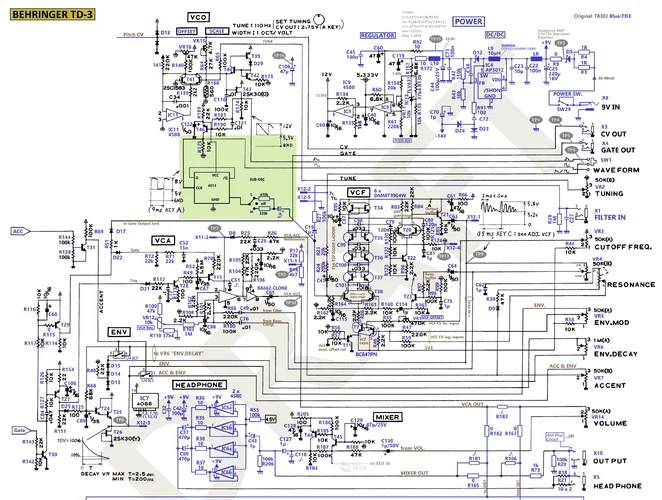
Die RAMs werden durch einen neueren Typen ersetzt (128kx8)die schalter für die speicherbank der df 303
Ich möchte an sich nur den Sub-OSC.

Das darfst du aber nicht!eins11! Damit machst dem dem armen Robin ihm sein Geschäft kaputt ausserdem hat der daran jahrelang getüftelt und nur kein Patent drauf angemeldet weil er immer an das Gute in den Meschen geglaubt hat (und nicht etwas weil das nicht patentierbar war..) und du bist dann ein ganz pöser Mensch!11!einselfDie übrigen Mods sind übrigens auch kein Problem, die kann ich dir live und ohne googlen in den Schaltplan zeichnen.
Was letzte Preis* für das Abenteuer (TD-3 ist vorhanden)?Die RAMs werden durch einen neueren Typen ersetzt (128kx8)
10 Adressleitungen haben die Originale.
3 Adressleitungen kommen an die 3 /CS Signale.
Das CE-Signal von dem RAM kommt an den 4. (bisher unbenutzten )Dekoderausgang /Q0.
4 Adressleitungen kommen aus den Schaltern.
Es werden nur 4 Daten-Bits benutzt.
Das ist also nur Verdrahtung.
Der Trick ist hier, etwas nachzudenken, wie man ohne weitere ICs auskommt und den Standby-Zustand nicht versiebt.
Wenn man nicht grade autodidaktischer Bastler ist, dann ist die Schaltung völlig nahe liegend.
Die übrigen Mods sind übrigens auch kein Problem, die kann ich dir live und ohne googlen in den Schaltplan zeichnen.
Leicht abenteuerliche Idee - aber wenn das funktioniert, dann würde es mir gefallen:
Anhang anzeigen 105067
Die Spannungsversorgung vom Teiler IC ist ... ziemlich kreativ ... das erspart einem allerdings diverse Pegelanpassungen, die sonst nötig wären.
Die RAMs werden durch einen neueren Typen ersetzt (128kx8)
10 Adressleitungen haben die Originale.
3 Adressleitungen kommen an die 3 /CS Signale.
Das CE-Signal von dem RAM kommt an den 4. (bisher unbenutzten )Dekoderausgang /Q0.
4 Adressleitungen kommen aus den Schaltern.
Es werden nur 4 Daten-Bits benutzt.
Das ist also nur Verdrahtung.
Der Trick ist hier, etwas nachzudenken, wie man ohne weitere ICs auskommt und den Standby-Zustand nicht versiebt.
Wenn man nicht grade autodidaktischer Bastler ist, dann ist die Schaltung völlig nahe liegend.
Die übrigen Mods sind übrigens auch kein Problem, die kann ich dir live und ohne googlen in den Schaltplan zeichnen.
Leicht abenteuerliche Idee - aber wenn das funktioniert, dann würde es mir gefallen:
Anhang anzeigen 105104
Die Spannungsversorgung vom Teiler IC ist ... ziemlich kreativ ... das erspart einem allerdings diverse Pegelanpassungen, die sonst nötig wären.
noch so eine aktion und ich ruf zum kauf boykott auf in solidarität zu Robin Whittle.
den kauf der td3 mo sollte man ansich jetzt schon boykottieren !
Idee:kannst du mir sagen was man wo zwischen löten muss, um zwischen den OSC Wellenformen überblenden zu können?

Idee:
Der Schalter muss natürlich raus, statt dessen ein Poti und vier Widerstände rein und R24 brücken, R23 kann man wahrscheinlich so lassen, evtl. auch noch brücken.
Anhang anzeigen 105113
Die Widerstände sind etwas umständlich zu bestimmen.
Da das sowieso keiner machen wird (das ist mechanisch völlig eklig), habe ich mir das mal gespart.
Und das ist auch noch mit der Filter-Overdrive Modifikation inkompatibel, wenn man das beides will, dann braucht man eine echte Mischerstufe dazwischen.
(Immerhin ein Beispiel für eine Sache, die ein kompetenter und weniger divenhafte Whittle für Behringer in einer Werksmodifikation hätte umsetzen können... )
Die halte ich als "mod" (im Sinne von "nachträglich rein gefummelt") auch nicht für realistisch. Wenn, dann kann man nur versuchen die skizzierte passive Lösung hin zu fummeln.diese Mischer-Stufe
Nach der Logik, dürfte es immer nur einen Hersteller eines Produkts geben, also der Erfinder. Dann gäbe es nur Daimler Benz als Automarke, Zuse wäre der einzige Computer Hersteller und alle Telefone wären von Bell .. Natürlich alle persönlich von den Herren persönlich gebaut.
Schon mal daran gedacht, das Du hier eine elitäre Gruppe von seltenen und teuren Geräten vertrittst. Hat schon was Snobbiges..
Weil eben die anderen keinen schicken Namen dafür hatten ;)R.W. war auch nicht der einzigste oder erste in den 90ern der das modden einer TB angeboten hatte.
gab da noch ein paar andere, die sind heute aber so gut wie alle nicht mehr im geschäfft.
...
Musst Du am besten bei Thomann anrufen und fragen.wann kommt die schleuder denn nu bei thomann an? weiß das vielleicht jemand?
Das ist doch normale YouTube-Qualität.Wahnsinn, was die 2 aus den Kisten rausholen. Sowas habe ich noch nie gehört.
Ich stornier´ meine Bestellung.
Wahnsinn, was die 2 aus den Kisten rausholen. Sowas habe ich noch nie gehört.
Ich stornier´ meine Bestellung.
Naja, diese 2 haben mit 909 und 303 Lebensgefühl genau garnix gemeinsam. Meine 303 frisst die beiden auf, wenn die versuchen sie lieb anzufassen. Das wirkt wie eine perfekte Parodie.anstrengend.. allerdings ist das auch nicht wirklich einfach aus so ner 303 noch was richtig neues und mega fettes raus zu holen. Da muss man sich schon richtig Mühe geben und noch dazu übelst Glück haben das es den Nerv vieler trifft,

Folge dem Video um zu sehen, wie unsere Website als Web-App auf dem Startbildschirm installiert werden kann.
Anmerkung: Diese Funktion ist in einigen Browsern möglicherweise nicht verfügbar.