horacewimp
||
Sind nur vier kleine Lötstellen, passt aber trotzdem ganz gut in „Lötkunst“ 
Das Korg Micro-Piano ist ein sehr hübsches und originelles Instrument, leider wurde von Anfang an zu Recht bemängelt, dass es keine Midi-Buchsen besitzt (und auch kein USB-Midi).
Allerdings gibt es sehr wohl Midi-Anschlüsse auf dem Board des Pianos, diese wurden jedoch nicht nach aussen geführt. Aus irgendeinen Grund muss in der Entwicklungsphase des Instruments der Entschluss gefallen sein, diese wegzulassen. Auf dem Mainboard und in der Firmware ist Midi offensichtlich vollständig implementiert.
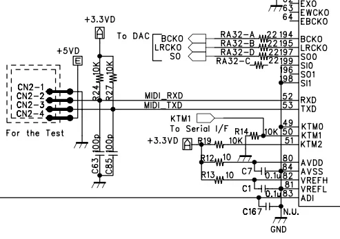
Man erkennt es im Service Manual auf dem Schaltplan als Connector CN2 - ein kleiner Standard 4pin Steckverbinder im 2mm Raster mit den Anschlüssen Masse, +5V, Midi In und Out.
Wahrscheinlich könnte man den Midi-Ausgang auch so schon irgendwie direkt benutzen, die Spezifikation schreibt aber eine Standardbeschaltung vor, die unter anderem einen Optokoppler für den Eingang vorsieht etc…
Bei http://www.hobbytronics.co.uk/midi-breakout
gibt es ein sehr günstiges, einfaches Midi Breakout Board, welches genau diesen Zweck erfüllt, den passenden Steckverbinder mit PH 4Pin 2.0 mm JST Stecker hab ich bei Ebay gefunden.
Der Einbau gestaltet sich einfach, es müssen nur die 4 Kabel zum Steckverbinder an das Breakout-Board gelötet werden (CN2 pin1 -> Masse, pin2 -> Midi In, pin3 - Midi Out, pin4 -> 5V) und die Steckverbindung hergestellt werden.
Ich wollte keine Löcher in das Gehäuse des Micropianos bohren, daher hab ich einen Yamaha Bluetooth-Midi Adapter MD-BT01 in die Midi-Buchsen gesteckt und das Ganze mit einem bereits vorhandenen Schräubchen im Inneren befestigt.
Somit hat mein Micropiano jetzt immerhin Bluetooth-Midi und kann sich mit Computern, Handys und Tablets verbinden :) Die Latenz ist bluetooth-typisch nicht ganz optimal, aber noch im Rahmen.
Natürlich kann man das Midiboard auch einfach an der Rückseite anschrauben, aber dann braucht man entsprechende Bohrungen.
Ich habe bisher nur getestet ob Noten gesendet und empfangen werden, das klappt problemlos, vielleicht werden ja auch diverse Controllerdaten ausgewertet - oder es gibt eine geheime Sysex-Implementation - wer weiss :)
Anbei noch ein paar Bilder.
das geöffnete Micropiano - Connector CN2 auf dem Board ist Midi:

Das Midi Breakout Board:

An dieser Schraube hab ich das Midi Board befestigt:

und fertig !

Midi im Micropiano-Schaltplan:

Das Korg Micro-Piano ist ein sehr hübsches und originelles Instrument, leider wurde von Anfang an zu Recht bemängelt, dass es keine Midi-Buchsen besitzt (und auch kein USB-Midi).
Allerdings gibt es sehr wohl Midi-Anschlüsse auf dem Board des Pianos, diese wurden jedoch nicht nach aussen geführt. Aus irgendeinen Grund muss in der Entwicklungsphase des Instruments der Entschluss gefallen sein, diese wegzulassen. Auf dem Mainboard und in der Firmware ist Midi offensichtlich vollständig implementiert.
Man erkennt es im Service Manual auf dem Schaltplan als Connector CN2 - ein kleiner Standard 4pin Steckverbinder im 2mm Raster mit den Anschlüssen Masse, +5V, Midi In und Out.
Wahrscheinlich könnte man den Midi-Ausgang auch so schon irgendwie direkt benutzen, die Spezifikation schreibt aber eine Standardbeschaltung vor, die unter anderem einen Optokoppler für den Eingang vorsieht etc…
Bei http://www.hobbytronics.co.uk/midi-breakout
gibt es ein sehr günstiges, einfaches Midi Breakout Board, welches genau diesen Zweck erfüllt, den passenden Steckverbinder mit PH 4Pin 2.0 mm JST Stecker hab ich bei Ebay gefunden.
Der Einbau gestaltet sich einfach, es müssen nur die 4 Kabel zum Steckverbinder an das Breakout-Board gelötet werden (CN2 pin1 -> Masse, pin2 -> Midi In, pin3 - Midi Out, pin4 -> 5V) und die Steckverbindung hergestellt werden.
Ich wollte keine Löcher in das Gehäuse des Micropianos bohren, daher hab ich einen Yamaha Bluetooth-Midi Adapter MD-BT01 in die Midi-Buchsen gesteckt und das Ganze mit einem bereits vorhandenen Schräubchen im Inneren befestigt.
Somit hat mein Micropiano jetzt immerhin Bluetooth-Midi und kann sich mit Computern, Handys und Tablets verbinden :) Die Latenz ist bluetooth-typisch nicht ganz optimal, aber noch im Rahmen.
Natürlich kann man das Midiboard auch einfach an der Rückseite anschrauben, aber dann braucht man entsprechende Bohrungen.
Ich habe bisher nur getestet ob Noten gesendet und empfangen werden, das klappt problemlos, vielleicht werden ja auch diverse Controllerdaten ausgewertet - oder es gibt eine geheime Sysex-Implementation - wer weiss :)
Anbei noch ein paar Bilder.
das geöffnete Micropiano - Connector CN2 auf dem Board ist Midi:

Das Midi Breakout Board:

An dieser Schraube hab ich das Midi Board befestigt:

und fertig !

Midi im Micropiano-Schaltplan:
