bartleby
lieber nicht.
schoener synth, aber es gilt osc hardsync und ein paar andere sachen nachzuruesten. nur wie? das wichtigste ist natuerlich erstmal:
- osc2 hardsync zu osc1. wie geht das beim reissue?
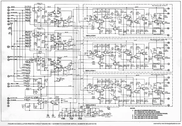
in dieser huebsch handschriftlichen mod-uebersicht gibt es fuer osc-sync zwei anleitungen, eine nur mit diode + widerstand fuers 'old osc board', eine etwas komplexere fuers 'new osc board'.
hier hingegen lese ich, dass es nicht nur zwei osc-board-versionen gab, sondern drei, und der reissue nutze die zweite dieser drei.
also welche der beiden vorgenannte osc-sync-anleitungen gilt dann fuer die neuauflage - die einfachere fuers 'old' oder die komplexere fuers 'new osc board'?
und dann:
- osc sync wird erst dann richtig interessant, wenn man die frequenz des sychronisierten oszillators separat modulieren kann. also brauche ich einen eigenen osc2-pitch-cv-eingang. wo gehe ich damit rein, und worauf muss ich dabei achten? (und das gleiche vielleicht fuer osc3? waer doch nett, den auch noch unabhaengig von den anderen beiden modulieren zu koennen...)
und nicht zuletzt:
- so eine zusaetzliche osc-pitch-modulation braucht natuerlich auch geeigenete modulationsquellen. velocity und aftertouch sind beim reissue schon als ausgaenge vorhanden.
aber wie ist es mit dem zusaetzlichen lfo und der filter-huellkurve - kann ich die einfach direkt an den entsprechenden schalter-kontakten am neuen interface-board abgreifen? oder muss ich die irgendwie noch puffern oder sonstwie ummodeln?
und die vca-huellkurve, wo kann ich deren signal als zusaetzlichen cv-ausgang am besten abgreifen?
freue mich auf tipps, hinweise und erfahrungsberichte...
- osc2 hardsync zu osc1. wie geht das beim reissue?
in dieser huebsch handschriftlichen mod-uebersicht gibt es fuer osc-sync zwei anleitungen, eine nur mit diode + widerstand fuers 'old osc board', eine etwas komplexere fuers 'new osc board'.
hier hingegen lese ich, dass es nicht nur zwei osc-board-versionen gab, sondern drei, und der reissue nutze die zweite dieser drei.
also welche der beiden vorgenannte osc-sync-anleitungen gilt dann fuer die neuauflage - die einfachere fuers 'old' oder die komplexere fuers 'new osc board'?
und dann:
- osc sync wird erst dann richtig interessant, wenn man die frequenz des sychronisierten oszillators separat modulieren kann. also brauche ich einen eigenen osc2-pitch-cv-eingang. wo gehe ich damit rein, und worauf muss ich dabei achten? (und das gleiche vielleicht fuer osc3? waer doch nett, den auch noch unabhaengig von den anderen beiden modulieren zu koennen...)
und nicht zuletzt:
- so eine zusaetzliche osc-pitch-modulation braucht natuerlich auch geeigenete modulationsquellen. velocity und aftertouch sind beim reissue schon als ausgaenge vorhanden.
aber wie ist es mit dem zusaetzlichen lfo und der filter-huellkurve - kann ich die einfach direkt an den entsprechenden schalter-kontakten am neuen interface-board abgreifen? oder muss ich die irgendwie noch puffern oder sonstwie ummodeln?
und die vca-huellkurve, wo kann ich deren signal als zusaetzlichen cv-ausgang am besten abgreifen?
freue mich auf tipps, hinweise und erfahrungsberichte...
Zuletzt bearbeitet:




