Neu

Syncussion SY1M

  • #61
danke dafür.. jetzt erzählt mir ein Freund indes, dass man auf jeden Fall Zinn MIT Blei nehmen sollte, da bleifreies Lötzinn schwer zu löten sei und schwergängig
Gutes bleifreies Zinn hat meistens einen hohen Silberanteil und ist deswegen nicht billig. Für den Hausgebrauch ist man mit verbleitem Zinn wesentlich besser bedient.
 
  • Daumen hoch
M.i.a.u.: xenosapien
  • #62
Mein Bruder (Informationselektronik-Meister) sagt mir auch immer, dass man ruhig bleihaltig nehmen soll da günstiger und besser zu bearbeiten, wenn man nicht den lieben langen Tag mit Nase/Lunge direkt drüber hängt und tief inhaliert...

Ich bilde mir zwar ein dass ich ab und zu nach längeren (3h+) Lötsessions Kopfschmerzen bekomme, aber das kann genauso gut vom konzentrierten Arbeiten kommen... ;)
 
  • #63
SOT 363 hat 0.65mm Beinchenabstand, das ist nur noch für geübte SMD-Löter machbar.
Die 0,95mm des SOT457 gehen auch für geübte Normallöter (ggf. mit Lupe!).

Weil es alle lesen dürfen, schreib ich es öffentlich in den Thread anstatt per PN bzw. "Unterhaltung".

Nochmal ein fettes DANKE! für dieses Posting von Dir. Ich hab gestern die SMD-Löterei beim Syncussion-Kit (das mit MIDI aus England von Psycox bzw. "satindas" bei Muffwiggler) erledigt - Bilder im "Woran baut ihr gerade so" -, und ja: Das war für mich an der Grenze. Ein paar mal musste die Entlötlitze ran, und ich hab nach jeder "Dreierreihe" (also jeweils eine Seite des Bauteils) sorgfältig mit der Lupe kontrolliert. Ich war froh, als ich durch war (156 Lötpunkte :selfhammer:) und mir keiner der Doppeltransistoren runtergefallen/verlorengegangen war. Die restlichen paar SMD-Teile (insgesamt 8 Tantal-Elkos) sind dagegen pillepalle.

Rahmeninfo für andere Bastler, die noch nicht angefangen haben - weils ja etwas Hin und Her gab:

1) Die BCM847 und BCM857 sind definitiv SOT-457 (nicht 323). Ist für Oldschool-TTH-Löter wie mich fisselig genug. Noch winziger muss für mich echt nicht :lol:.
2) Die BCM857 lagen, wie von satindas bei MW angekündigt, meinem Kit bei, die BCM847 waren im Mouser-Paket.
 
  • #64
Nicht wundern:
Sy1m 100R sind 6 statt 8Stück.
Der silkscreen ist falsch auf der pcb.
Es sind 2x 1K auf der pcb bedruckt obwohl 100R reinkommt.
Spielt aber keine Rolle..
Poste es nur der Form halber.
Simon ändert es mit dem nächsten batch im Herbst
 
  • #65
Nicht wundern:
Sy1m 100R sind 6 statt 8Stück.
Der silkscreen ist falsch auf der pcb.
Es sind 2x 1K auf der pcb bedruckt obwohl 100R reinkommt.
Spielt aber keine Rolle..
Poste es nur der Form halber.
Simon ändert es mit dem nächsten batch im Herbst

wieso sollte das keine rolle spielen?
ich wusste davon nichts und habe bestimmt 1k eingelötet. alles so wie es auf der PCB steht.
kannst du sagen welche widerstände es sind?
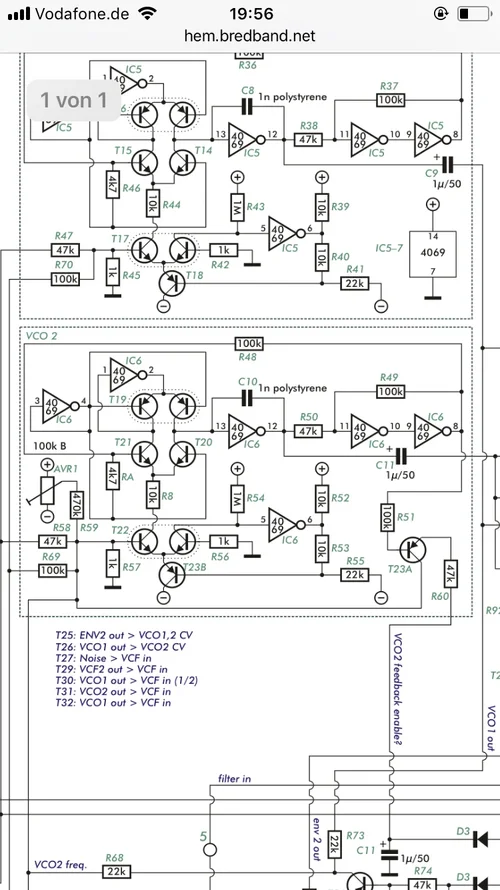
ich hänge mal den plan an. damit ist es einfacher zu definieren
 

Anhänge

  • #68
naja, das haben ja schon etliche probiert. der tauschtipp kommt ja nicht aus dem nichts, sondern ist ja schon eine reaktion darauf, dass der pegel bei den urspruenglich vorgesehenen 10k anscheinend deutlich zu niedrig ausfaellt...
 
  • #69
das ist zwar aus entwicklersicht sicherlich voellig richtig, bringt aber leute, die bereits ein platinenset dahaben und es moeglichst schnell in ein moeglichst funktionstuechtiges instrument verwandeln wollen, nicht wirklich weiter. ;-)

die brauchen einen moeglichst einfachen hack, mit dem sie den rauschpegel anheben koennen, kein grundlegend ueberarbeitetes schaltungsdesign, das das uebel an der wurzel packt - aber nichts mehr mit der bereits vorhandenen platine zu tun hat...

im idealfall muesste beides parallel passieren: grundlegend korrigierte schaltung fuer die nachste auflage, pragmatischer hack fuer bereits vorhandene platinen.
 
Zuletzt bearbeitet:
  • #70
na dann mach doch mal nen vorschlag, wies besser geht.
da wird dir sicher keiner boese sein, wenn du ne bessere loesung praesentierst.
:)
 
  • #71
ich warte noch auf meine platinen. wenn sie da sind, und ich dazu komme, das aufzubauen, helfe ich gern bei der fehlersuche.

ich hab aber leider selbst so gut wie keine ahnung von elektronik, wuerde dann also sehr genaue anweisungen brauchen. ein oszilloskop hab ich aber da, und wenn ich dabei was lernen kann, mach ich gern mit...

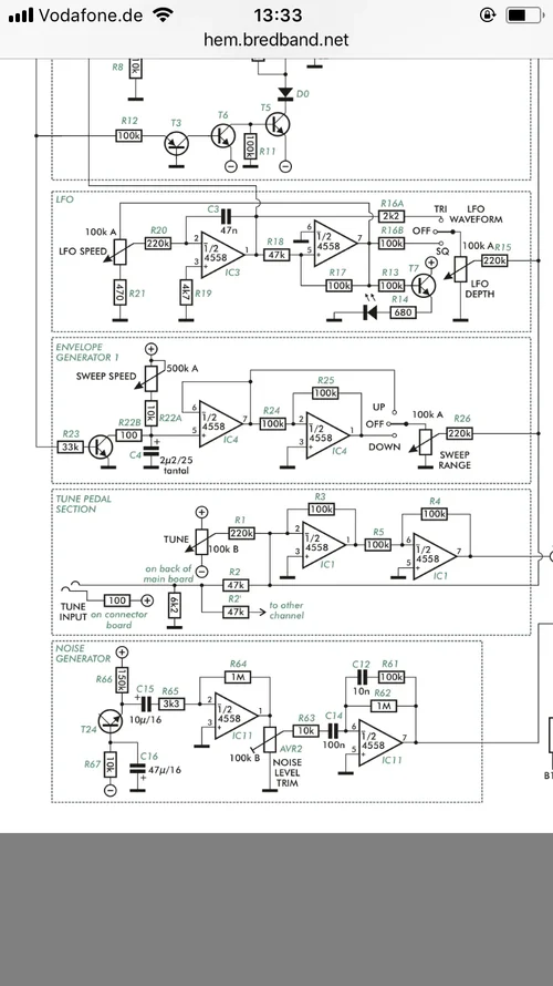
waer hilfreich, wenn du schon mal ein paar tipps geben koenntest, ob und wie ich die fehlersuche beim aufbau ggf schon vorbereiten koennte, also r63 sockeln ist ja zb schon ein guter tipp zur vorbereitung der fehlersuche...

[edit:] welcher ist denn der rauchtransistor? q24? also den dann auch schon mal sockeln, um rumprobieren zu koennen?
 
Zuletzt bearbeitet:
  • #72
ok, also dann werde ich beim aufbauen mal q24, r63 und r64 sockeln, um die ggf. leichter tauschen zu koennen.

(wobei ich meine mitbekommen zu haben, dass die allgemeine erklaerung fuer den r63-tausch ist, dass das einfach ein fehler im schaltplan sei, dass 1k der richtige wert sei und bei echten syncussions auch schon drin gewesen sei. aber das ist mti blick auf die schaltung aus deiner sicht unglaubwuerdig, ja?)
 
  • #73
oh nein, jetzt habe ich blut geleckt und bin wild entschlossen, meinen beitrag zu leisten, das original zu verbessern. :D

ich meld mich, wenn ich soweit bin.
 
  • #74
so nun aber mal zurueck zur urspruenglichen frage:
Nicht wundern:
Sy1m 100R sind 6 statt 8Stück.
Der silkscreen ist falsch auf der pcb.
Es sind 2x 1K auf der pcb bedruckt obwohl 100R reinkommt.
also los, spucks aus: welche zwei widerstaende auf welcher platine muessen 100r statt 1k sein?
 
  • #75
Und warum doktern dann alle am Symptom herum, statt den Fehler zu finden?
Man möchte einen Clone bauen. Der funktioniert nicht wie das Original. Dann muss die erste Frage doch lauten: warum nicht?
Kannst du denn sagen welcher Rauschtransistor im Original verwendet wurde?
Evtl. findet man noch Exemplare über eBay o.ä und könnte diesen verbauen?
 
  • #76
R151 und auf der anderen Voice entsprechend der Widerstand welcher direkt zum Tantal geht.
Ist für die Aufladung des EG caps.
Hab gestern lange mit Simon geschrieben, er hat es mit 1K und 100R simuliert, macht keinen Unterschied.
Da ich bei mir auch keinen Unterschied festgestellt habe, haben wir uns entschlossen das erstmal so zu lassen,
Da sonst viele ihre Geräte wieder auseinander bauen obwohl es nicht notwendig ist.
 
  • #77
Siehe Bild..
Das ist vom Original mit dem 2SC1815
TR24.
Das andere ist vom Bergofon.
 

Anhänge

  • 962E6C37-E292-4E44-97AA-58C224F716F3.webp
    962E6C37-E292-4E44-97AA-58C224F716F3.webp
    96,7 KB · Aufrufe: 17
  • C103BBF8-A5C4-4813-B821-367CC2EBA183.webp
    C103BBF8-A5C4-4813-B821-367CC2EBA183.webp
    79,9 KB · Aufrufe: 17
  • #78
Ich hab noch 2 Sy1m hier und werde heute oder morgen ein 2SC1815 ausprobieren und ggfs. den Rest anpassen.
Das Problem was ich sehe ist, dass die Hersteller diese meistens selektiert haben, vor allem Roland beim 808 ;)
 
  • #79
R151 und auf der anderen Voice entsprechend der Widerstand welcher direkt zum Tantal geht.
Ist für die Aufladung des EG caps.
Hab gestern lange mit Simon geschrieben, er hat es mit 1K und 100R simuliert, macht keinen Unterschied.
Da ich bei mir auch keinen Unterschied festgestellt habe, haben wir uns entschlossen das erstmal so zu lassen,
Da sonst viele ihre Geräte wieder auseinander bauen obwohl es nicht notwendig ist.

okay, dann hast du hier die pferde scheu gemacht hehe :D
ne trotzdem danke.. aber befor ich jetzt hier anfange widerstände auszulöten lass ich es lieber so wenn es in der simulation eh keinen eklatanten unterschied macht :)
 
  • #80
ja klingt, als waers kein thema, um das sich besitzer eines fertigen sy1m gedanken machen muessten.

aber solche wie ich, die mit dem bauen noch nicht angefangen haben, koennen es mit der info gleich richtig machen (auch wenn ‚falsch‘ an der stelle ‚auch ok‘ heisst).
 
  • #81
Deshalb hatte ich “der Form halber” gemeint, da es schon komisch ist wenn man auf einmal 2x 100R über hat.
Bei so etwas werd ich auch irre wenn man ewig sucht und keine 100R auf der pcb findet ;)
 
  • #82
Deshalb hatte ich “der Form halber” gemeint, da es schon komisch ist wenn man auf einmal 2x 100R über hat.
Bei so etwas werd ich auch irre wenn man ewig sucht und keine 100R auf der pcb findet ;-)

ja die 2x 100R waren bei mir auch übring. ansonsten hat alles gepasst. außer noch die 3 100k die übrig sind.
aber ich glaub wirklich da hat Mouser einfach 3 Stück zuviel eingepackt. Kann schonmal passieren wenn mal 100 Stück abzählt.
Ich bin jetzt soweit auch durch. Muss nur noch morgen die Steckverbindungen anbringen.
IMG_1728.webp
 
  • #83
Du hast leider bei dem VCOs 4069er (4)
1nF Film genommen statt C0g or styroflex,polypropylene.
Kann sein das du Probleme mit dem timing bekommst.
 
  • #84
Q24 pinout ist beim BC547 richtig.
Hab jetzt mal ein 2SC1815 drin, natürlich angepasste pinout.
Kann dann hoffentlich morgen mehr dazu sagen.
 

Anhänge

  • 7C6D708B-295D-4F5C-B380-8FA143EA0A2F.webp
    7C6D708B-295D-4F5C-B380-8FA143EA0A2F.webp
    1,3 MB · Aufrufe: 14
  • 4F635F9D-C916-4C2D-9D4A-79E43B27AEA5.webp
    4F635F9D-C916-4C2D-9D4A-79E43B27AEA5.webp
    887,8 KB · Aufrufe: 13
  • #85
Dann stellt sich mir die Frage warum im Original ein Styroflex ist.
 

Anhänge

  • A184BE06-22FC-4256-A731-A277408E6290.webp
    A184BE06-22FC-4256-A731-A277408E6290.webp
    89,9 KB · Aufrufe: 12
  • #87
Hab jetzt mal den SC1815 mit 10k Widerstand dran, läuft.
Muss heute Abend mal einen direkten Vergleich machen.
 
  • #88
Da - was die BOMs angeht- ziemlich Kraut und Rüben herrscht, habe ich heute mal in sorgfältiger Arbeit zwei neue BOMS erstellt... einen von Mouser und den anderen von Reichelt. Damit sind alle Bauteile verfügbar und man spart auch noch etwas Geld.
Die Buchse für's Netzteil habe ich durch 2.1mm ersetzt, da diese gängiger sind als die 2.5mm im Original BOM von Psyco. (Netzteil ist ebenfalls mit enthalten)

Mouser: https://www.mouser.com/ProjectManager/ProjectDetail.aspx?AccessID=F6C04804D7

Reichelt: https://www.reichelt.de/my/1476644

Damit kommt man für die Bauteile auf etwa 114€ im Gegensatz zu den 150€ im Original BOM


Die Bom bitte anpassen,
4069 sind doppelt drin.
Die Strombuchse passt nicht zum Netzteil, entweder 2.1mm oder 2.5mm
10uf ist auch doppelt.
Bitte die IC Sockel gegen hochwertige tauschen.
M3 Muttern 2x fehlt
2knobs ggfs. hinzufügen
 
  • #89
Du hast leider bei dem VCOs 4069er (4)
1nF Film genommen statt C0g or styroflex,polypropylene.
Kann sein das du Probleme mit dem timing bekommst.

Wieso? Die stehen doch so im BOM drin von Simon.
Und was heißt Timing-Probleme?

EDIT: und was spricht gegen die günstigeren IC sockel?
Ich hab die jetzt schon verbaut
 
Zuletzt bearbeitet von einem Moderator:
  • #90
Die günstigen IC Sockel können irgendwann Probleme verursachen.
Gedrehte sind bessser.
 

Neue Beiträge

News

Zurück
Oben