Shunt
|||||||||||
Bin mal wieder bei der Suche nach dem Britzeln...
Weiß jemand was die 4 Bauteile mit der Bezeichnung LC1-4 für ne bedeutung haben?
Das sind die 4 grünen, in jedem sind 2 Potis, die sich rein und rausschrauben lassen.
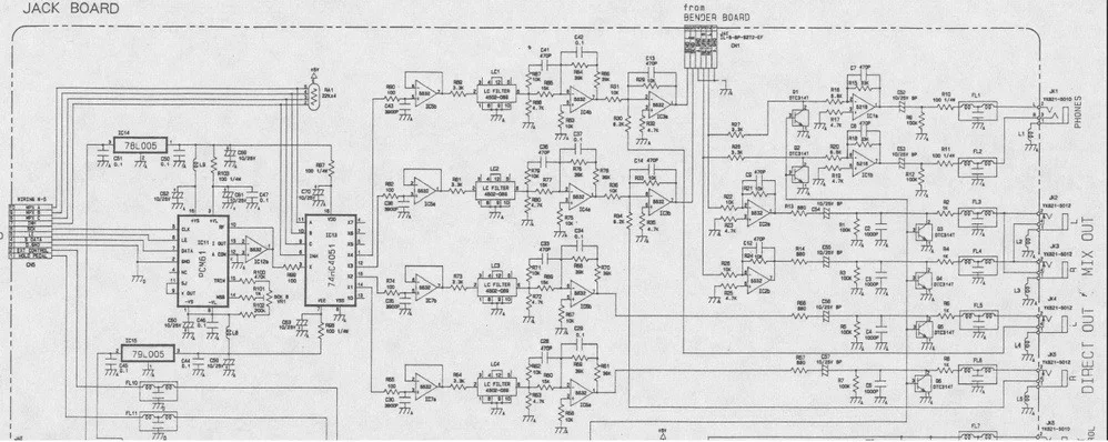
Hier nochmal die Schematics, die 4 senkrecht, links von der Mitte.
Weiß jemand was die 4 Bauteile mit der Bezeichnung LC1-4 für ne bedeutung haben?
Das sind die 4 grünen, in jedem sind 2 Potis, die sich rein und rausschrauben lassen.
Hier nochmal die Schematics, die 4 senkrecht, links von der Mitte.