Das funktioniert aber nur im ausgelöteten bzw. nicht verschalteten Zustand.Ich würde es trotzdem nicht total ausschließen. Wenn die wirklich so leicht zu testen sind wie ich eben auf Goggl gelesen habe..
"Wie erkenne ich ob ein Widerstand defekt ist?
Aber wer einen defekten Widerstand vermutet kann dies mit nahezu jedem Multimeter feststellen. Dazu wird das Messgerät einfach auf Widerstandsmessung geschaltet und die beiden Pole an den Widerstand gehalten. Wenn der Wert innerhalb der Toleranzgrenzen liegt, ist der Widerstand in Ordnung."
Du musst aber D1 und D2 entfernen, damit Dir das Netzteil nicht Deine neue Batterie sprengt:Baue jetzt noch eine Batterie ein ( anstatt des Akkus ) . Obwohl das eigentlich ein Frevel ist und der Jupiter dadurch bestimmt kälter und nasaler klingt

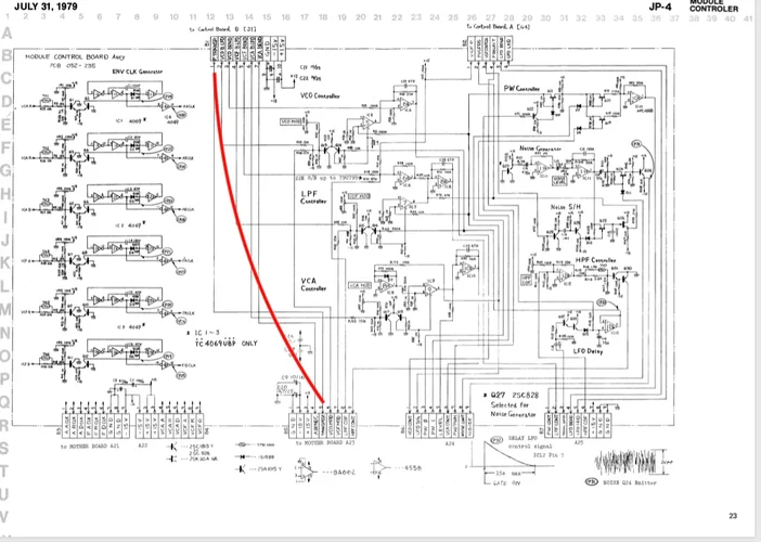
Ich bin mir vom Symptom her sehr, sehr sicher, dass das Problem im direkten Umfeld des 4052 liegt.
[Angeber Modus Off]Es war dieses doofe 50 Cent multiplexer Ding . Danke an Alle mitfühlenden hier .
Wahnsinnstipp.ach ja: Wenn Du willst, dass danach das Nasale weggeht, dann hängst Du einfach pin2 des Connectors an Ground.![]()

Was mich selbst ärgert:[Angeber Modus On]
[Angeber Modus Off]
Das ganze war aber auch von Deiner Seite immer gut dargestellt und beschrieben, daher auch für uns andere letztlich lösbar.
Ne, bei meinem geht das in jeder Fußlage.Oder muss das so ?




Was kann ich Deinem Gehirn anbieten, um eine Erholphase zu durchlaufen ? Ein Flasche Absynth ? Ein Kasten Oettinger ? Oder was zum Rauchen ?Mein Hirn ist aber zu unerholt um die Gate-Kombi auf dem Mainboard durchzudenken.
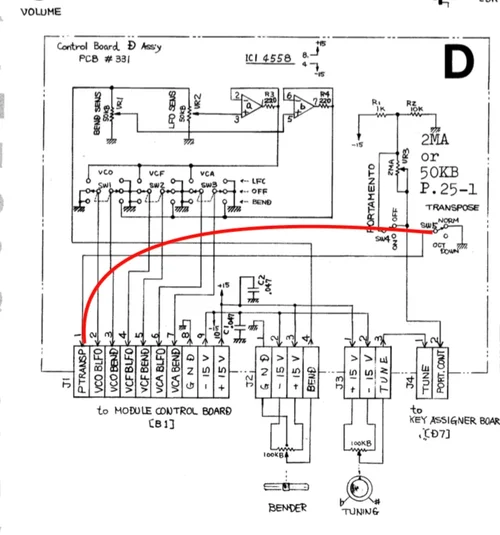
Der Fehler dürfte aber bei IC20 oder IC21 (oder den beiden Dioden) liegen.
Mit den Voicecards hat das nix zu tun, das passiert vorher.
Messe mal was jeweils an Pin 2 und an Pin 12 von IC20 jeweils bei den VCO-Fußlagen 4", 8", und 16" für ein Signal anliegt. (ohne Transpose).
Mein Verdacht ist weiterhin IC20 und IC21, wobei der CD4001 (IC21) ein beliebter Abnippel-Kandidat ist. Ich würde einfach beide gegen aktuelle 4001 bzw 4070 tauschen. (beide bitte in der <nummer>B oder <nummer>BE Variante).

DIN-Buchsen unterscheiden zwischen Abschirmung und Ground (Pin 2).Nebenfrage: gibt es einen Grund eine Midibuchse NICHT als stereo-Klinke auszulegen ?
Bei einer Nachrüstung finde ich das einfacher einzubauen, als die DIN Buchsen .
Folge dem Video um zu sehen, wie unsere Website als Web-App auf dem Startbildschirm installiert werden kann.
Anmerkung: Diese Funktion ist in einigen Browsern möglicherweise nicht verfügbar.