Noise-Generator
Preset-User
Hallo,
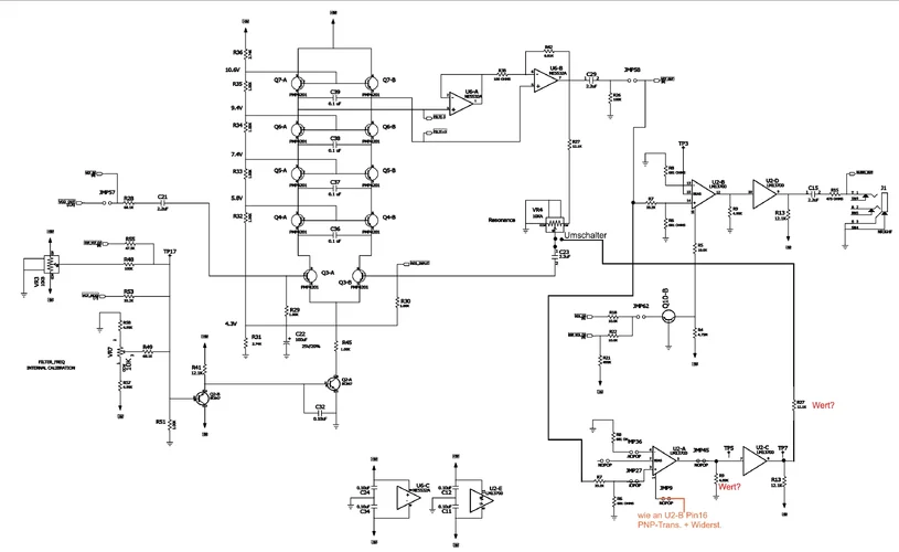
ich will einen Moog oder auch Arp Ladder Filter bauen, bei dem man Cut und Reso (bzw. Emphasis) mit CV steuern kann.
Ich bin hier gelandet, weil dort die Aufbauten per Lochraster verfügbar sind: https://www.eddybergman.com/2019/12/synthesizer-build-part-7-moog-ladder.html
Problem ist nur, alle Ladder Filter bieten lediglich CV für Cut Off und das verstehe ich nicht. Ist das normal und liegt am design?
ich will einen Moog oder auch Arp Ladder Filter bauen, bei dem man Cut und Reso (bzw. Emphasis) mit CV steuern kann.
Ich bin hier gelandet, weil dort die Aufbauten per Lochraster verfügbar sind: https://www.eddybergman.com/2019/12/synthesizer-build-part-7-moog-ladder.html
Problem ist nur, alle Ladder Filter bieten lediglich CV für Cut Off und das verstehe ich nicht. Ist das normal und liegt am design?

.

