The Human Comparator TTSH ARP 2600 Clone

nordcore schrieb:
Was meint ihr?


10 x 10 cm

Konzept:
Umsetzung der Funktionen, die das ARP3620 Keyboard hat, in einem Midi-Interface. Die Steuerung ist dabei komplett über Midi-Controller. (Pedal, Pitch-Bender, LFO-Frequenz usw. alles per Midi. )
Damit kann man das Interface in den TTSH einbauen ohne zusätzliche Bedienfläche zu brauchen. Lediglich die Buchsen (6 ... 7 Mini-Klinke + 1...2 Midi), ein Taster und eine LED muss man unterbringen.
Gate, Trigger und (eine) Tonhöhe werden intern angeschlossen. Die Versorgung schafft auch der kleinere (15W) DC/DC Wandler noch.

Daten:
2 Tonhöhen-CV Ausgänge, 16Bit Auflösung, -3 ... 10V. Dual/Intervall-Ansteuerung wie es das ARP3620 macht.
2 analoge Modulationsausgänge, 12Bit Auflösung, einer für Delayed-Sinus LFO, einer Dreieck LFO, +/- 5V.
1 Rechteck LFO-Ausgang 0/10V.
1 Eingang "ext. Vibrato", +/- 10V.

Trigger und Gate Ausgang mit 10V Signalpegel.

Es gibt keine analoge Hardware außer Wandler und Pegelumsetzer, da (fast) alle Funktionen gut in Software gebaut werden können.
Die einzige Einschränkung ist der "ext.Vibrato" Eingang, der im Original auch audiofrequent verwendbar ist, hier aber auf LFO-Frequenzen beschränkt ist.
Da man das allerdings problemlos ohne das Interface Patchen kann, halte ich das für vertretbar.

Zusätzliche Features:
1 Eingang "quantisierte Transponierung". Verschiebt die Tonhöhe auf Halbtöne Quantisiert. +/-5V.
1 Gate-Eingang für 5V Gate Signale.

Abgleich: da man für das Interface sowieso einen Midi-Controller braucht, dessen CCs man unter Kontrolle hat, ist der Abgleich komplett in Software (über Midi). Spart vor allem Platz auf der Platine, und wenn man auf die etwas grenzwertigen Reichelt-Trimmer verzichten will, auch ernsthaft Geld.

Konfiguration: es gibt keine Konfiguration außer dem "Midi-Learn" für den Midi-Kanal. Alles andere ist "fest verdrahtet" oder per CC/Spielhilfe steuerbar.

sieht sehr fein aus, würde da gerne eines kaufen.
cool wäre sowas wie der orginale arp Expander also mit Sequenzer, müssen aber keine fader sein da würden mir schraubpotis reichen.

ahoi
 
Ein wesentlicher Punkt an dem Ding ist allerdings, das es selber *keine* Bedienelemente hat, sondern man die vom Midi-Keyboard benutzten *will*.
Hat man da keinen Bock drauf, dann ist das Konzept unpassend.

Sobald da Frontpanel und Bedienelemente hinzu kommen, wäre mehr Entwicklungsaufand nötig, als ich Aufbringen kann/will.
Mein TTSH wird da auch so eine ähnliche Alu-Leiste bekommen wie deiner - da kommen dann die extra Buchsen rein.
Wenn ich in das Ding noch 'ne richtige Frontplatte rein planen würde, dann würde der nie fertig.
 
nordcore schrieb:
Ein wesentlicher Punkt an dem Ding ist allerdings, das es selber *keine* Bedienelemente hat, sondern man die vom Midi-Keyboard benutzten *will*.
Hat man da keinen Bock drauf, dann ist das Konzept unpassend.

Sobald da Frontpanel und Bedienelemente hinzu kommen, wäre mehr Entwicklungsaufand nötig, als ich Aufbringen kann/will.
Mein TTSH wird da auch so eine ähnliche Alu-Leiste bekommen wie deiner - da kommen dann die extra Buchsen rein.
Wenn ich in das Ding noch 'ne richtige Frontplatte rein planen würde, dann würde der nie fertig.

kann ich verstehen das mit endlich fertig werden, war nur Träumerei um ein komplettes arp set, also Keyboard, Expander und 2600.

fg
 
Ich hatte durchaus überlegt, das ganze "dichter" ans 3620 anzulehnen. Nur braucht man dann entweder eine Tastatur als Einzelteil (mit zugehörigem großem mechanischen Aufwand) [1], oder man stellt ein kleines Kistchen mit 3620 Clone-Frontpanel neben die Midi-Tastatur[2], oder man baut das Front-Panel in ein angepasstes TTSH Gehäuse[3].

[1]scheitert am Aufwand, die beiden anderen Lösungen fand ich eher doof. ([2]: ein Kasten mit nervigem Bender-Poti neben die Tastatur mit richtigem Bender, der dann nix macht... ich weiß ja nicht. Und [3]versaut einfach die Anmutung der Kiste. )

Die Idee einer Expander-Einheit die man auf / unter den TTSH stellen kann, und die dann auch noch LFO/ADSR/SEQUENCER (...) enthält ist plausibel, mir aber zu viel Aufwand.


Also nutze ich die Knöppe die fast alle Midi-Tastaturen eh schon haben. Sieht dann zwar so gar nicht nach 3620 aus, die DYMO Beschriftung ist sicher auch nicht Jedermanns Sache, das ganze ist aber eine in sich stimmige Lösung. Die meisten können es, ohne all zu monströse Umbauarbeiten, in ihren TTSH integrieren. Viel kosten tut es auch nicht, und der Bauaufwand ist überschaubar.


Ähm.. expander? Meinst du den Sequencer?
Bei dem würde ich eher die Schieberegler als wesentlich ansehen, der ganze Rest ist allerdings grenzwertig. Generell halt ich gar nix davon, die Sequencer-Schaltungen von damals zu clonen. Da entwirft man heute natürlich eine Lösung, die das tut, was man haben will, und nicht das, was der Entwickler mit dem Chips hin bekommt, die er kennt. Das Problem ist ja wohl vor allem, dass man entweder das heilige Original nimmt, oder man von 100 Leuten 500 unsinnige Features genannt bekommt, die das Teil unbedingt haben muss. (Generell ja einer der Punkte, warum "Vintage" so beliebt ist: nur dem billigt man zu, sich auf das wesentliche Konzentrieren zu dürfen - und auch einfach mal eine Entscheidung zu treffen, die nicht mit dem Anwender ausdiskutiert wird. )
 
Rate mal, warum diese Platine schon fertig aussieht... geht beides dieses Wochenende raus. (... Versandkosten sparen, das ist bei den Protoypen-Mengen ja sonst schon merklich... )

Irgendwelche Gedanken/Ideen zu dem TTSH MIDI Interface, oder passt dir das so, wie es ist?
 
nordcore schrieb:
Rate mal, warum diese Platine schon fertig aussieht... geht beides dieses Wochenende raus.

Irgendwelche Gedanken/Ideen zu dem TTSH MIDI Interface, oder passt dir das so, wie es ist?

Der stromanschluss ist wannenstecker. .
Wieviel mm ist dort der Durchmesser der solderholes ?
Würde dort gern ebenfalls wie beim ttsh 3pin stecker nehmen - oder halt 4pol buchse.
Wannenstecker ist wieder fummelig auf der anderen seite des kabels zu adaptieren.
Sonst sieht das alles sehr gut aus, auch die specs.
 
Nö, der Wannestecker ist für ISP. (Programmieren) Der wird normal gar nicht bestückt.

Stromanschluss ist oben rechts in der Ecke in der Reihe mit den "MTA"s, die ersten 3 Pins. (Kurzer Schreck, Check: ja Pin1 ist Minus, wie sonst überall. )
 
So, Gerber-Daten sind beim Chinesen in der Bearbeitung ("processing").
[x] VCO Voltage Regulator
[x] Midi Interface
[x] LEDs "even dimmer brightness"

Die Nachfrage nach dem Midi-Interface ist etwas verhaltener als ich erwartet hatte, es kann gut sein, dass ich da gar keinen weiteren Batch von mache, zumindest wenn die Prototypen-Boards ohne große Probleme zum laufen zu bringen sind.
 
Es ist nicht alles löten ... die Montage-Adapter für die Lautsprecher. (Sperrholz 4mm)
Zum einen decken die die Löcher seitlich der Membran ab (gegen den akustischen Kurzschluss), zum anderen schaffen sie etwas Abstand, damit die Membran/Sicke platz für ihren Hub bekommt. )



(Lochsäge im Set mit 5 Größen übrigens keine 10€ beim Hornbach (von Wolfcraft). Bin ja sonst kein Fan von Billigwerkzeug, aber die Dinger sind echt brauchbar, im Zweifel auch für Alu... da macht dann eher die Bohrmaschine schlapp. )
 

Anhänge

  • bracket.jpg
    bracket.jpg
    57,1 KB · Aufrufe: 263
Die Spannungsregler für die Prototypen passieren grade Südengland in 37000ft Höhe. (In einem Boing 777 Frachter )
Die Platinen hängen im Zoll in Südkorea(?!).

Dürfte also so Dienstag oder Mittwoch losgehen mit den Protoypen.
Irgendwer Interesse Prototypen zu testen?
Ihr bekommt ein komplettes Teile-Kit, das ihr bitte relativ zügig aufbaut und testet - und von Problemen berichtet.
(Wenn ihr das Teil behalten wollt, dann bekomme ich das Material bezahlt, sonst schickt ihr das Dinges zurück. )
 
gebongt!
(noch wer? sonst kannste auch gleich zwei oder drei kriegen... )

So, jetzt hängt auch die Mouser-Lieferung im Zoll (in Paris). (Allerdings haben die bisher am Wochenende gearbeitet, außerdem sind die Mouser-Zollpapiere natürlich korrekt, da bin ich beim Chinesen etwas skeptisch. )
 
Die Platinen sind grade in Kasachstan (Almaty) gelandet, sollen Montag hier sein.
 
nordcore schrieb:
Die Spannungsregler für die Prototypen passieren grade Südengland in 37000ft Höhe. (In einem Boing 777 Frachter )
Die Platinen hängen im Zoll in Südkorea(?!).

Dürfte also so Dienstag oder Mittwoch losgehen mit den Protoypen.
Irgendwer Interesse Prototypen zu testen?
Ihr bekommt ein komplettes Teile-Kit, das ihr bitte relativ zügig aufbaut und testet - und von Problemen berichtet.
(Wenn ihr das Teil behalten wollt, dann bekomme ich das Material bezahlt, sonst schickt ihr das Dinges zurück. )

würde ja gerne mitmachen, hab aber leider nicht die nötige zeit um es "zügig aufzubauen" und auf herz und nieren zu testen, aber wenns funktioniert und davon gehe ich aus, würde ich gerne eines haben wollen.
zudem wäre es möglich zwei deiner midiinterfaces zu bekommen, würde gerne eins davon in mein obi Sem einbauen wenns mit der versorungs spannung klappt.

danke, fg
 
nordcore schrieb:


passt da nicht ein altmodischer, Ovallaitsprecher dahinter? Die Membran kann ruhig größer sein als die Fronplattenöffnung, immerhin mehr bewegte Luft, etwas Bässe..!?

Aber noch was: 1600 Euro sind ein stolzer Kurs. Ich habe im Thread von allerlei Fehlern gelesen die man mit Bastelei korrigieren muss. Sollte man bei dem Preis kein fehlerfreies Set erwarten dürfen?
 
Cyborg schrieb:
nordcore schrieb:


passt da nicht ein altmodischer, Ovallaitsprecher dahinter? Die Membran kann ruhig größer sein als die Fronplattenöffnung, immerhin mehr bewegte Luft, etwas Bässe..!?

Aber noch was: 1600 Euro sind ein stolzer Kurs. Ich habe im Thread von allerlei Fehlern gelesen die man mit Bastelei korrigieren muss. Sollte man bei dem Preis kein fehlerfreies Set erwarten dürfen?

1600 Euro?
 
nordcore schrieb:
gebongt!
(noch wer? sonst kannste auch gleich zwei oder drei kriegen... )

So, jetzt hängt auch die Mouser-Lieferung im Zoll (in Paris). (Allerdings haben die bisher am Wochenende gearbeitet, außerdem sind die Mouser-Zollpapiere natürlich korrekt, da bin ich beim Chinesen etwas skeptisch. )


also ich würde das kit ebenfalls sehr gerne testen, und auch anschl. gern behalten, soweit es funktioniert!
klingt sehr cool, und würde mein 10V trigger / Gate problem lösen.

dennoch wärs cool, wenn du kurz die schaltung für den 10V trigger/gate boost posten könntest, da ich die zudem gern in so ein mini-case einbauen würde, fänd ich super praktisch;
 
Die VCO-Regler-Platinen, die grade im Test sind, sind die hier:
http://www.muffwiggler.com/forum/viewto ... highlight=


Die lösen "nur" das Problem der Versorgungsspannung der VCOs: der variable Stromverbrauch insbesondere der Clock-Schaltung verändert die Spannung die aus den DC/DC Konvertern kommt, und das schlägt auf die Tonhöhe.
(Bei Muff wurde das i.A. "clock bleed" genannt. )

Ähm... und sorry, aber die Kits kann ich nicht in die Schweiz schicken. Das braucht eine Zollerklärung (für jedes Teil einzeln => geht nicht mehr in/auf einen 50g Brief ) und dauert zu lange.

(Bei den Boards ist das einfacher, denn das ist ja nur ein Teil, eine Taric Nummer... )

--------------------------------

Midi Interface mache ich zwar auch ein passendes für den TTSH, da habe ich aber bisher nur die Prototyp-Platine, die muss ich erst mal löten und sie braucht auch noch "etwas" Software.
http://www.muffwiggler.com/forum/viewto ... start=1600
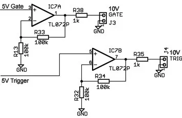
Der 5V auf 10V Trigger-Umsetzer:

basiert allerdings darauf, dass recht genau 5V reinkommen, ist nämlich einfach ein analoger x2 Verstärker. (was man ggfls. einfach anpassen kann. )

Edit: Trigger-Amp Schaltplan korrigiert. (Verstärkung von 3 auf 2)
 

Anhänge

  • regulator-comp-side.jpg
    regulator-comp-side.jpg
    43 KB · Aufrufe: 114
  • trig-amp.jpg
    trig-amp.jpg
    14,6 KB · Aufrufe: 91
cool, danke dir! die VCO-versorgungs-Platine würde ich auch gerne nehmen - und ich hab ne deutsche Adresse, also alles easy. ich schick dir gram mal alles per pm, ok?

den trigger-boost werd ich direkt einsetzen, sehr cool. danke dir für die viele mühe, die du dir mit dem TTSH machst. sehr sehr cool!
 
Teile an dich sind in der Post.

... und aus dem Trigger-Verstärker musste ich doch noch einen etwas peinlichen Fehler rausmachen....
(... der ist auch im Bestückungsdruck von den ersten TTSH-Midi-CV Platinen, aber immerhin bleibt mir so erspart, dass erst beim Test zu bemerken. )
 
mir ist grad aufgefallen, dass er Midibox Core32 ja nur 3.3 V trigger und Gates ausspuckt :sad:

kann ich das irgendwie in der Schaltung easy modifizieren, mit nem anderen widerstand, oder ist das nicht so trivial?
 
:selfhammer: tja .... dann wäre der falsche Wert doch richtig gewesen... (R33 bzw. R34 = 200kOhm)
Denn das ist einfach ein Verstärker. Der hat den Vorteil mit sehr wenig Teilen auszukommen und aus einen definierten Eingangssignal macht er auch ein definiertes Ausgangssignal.
Das heißt, dass diese Schaltung fest am Ausgang deiner Midibox die passende Lösung ist, als "Vorschaltkiste" für den ARP allerdings etwas zu simpel. Da braucht man das volle Programm. (Schwellwertschalter und Ausgangsstufe mit definiertem Pegel)
(Fuzzbass hat da im Muffwiggler-Forum eine (deutlich aufwendigere) Schaltung gemacht, da gibt das sogar ein Layout für... )

Gate und Trigger am ARP kann man parallel schalten bzw. normalisieren (oder die Diode wie oben vorgeschlagen verwenden) und braucht dann keinen extra Trigger. Der Trigger muss nur dann "wieder weg sein", wenn man nachtriggern möchte, also die Hüllkurve einen neuen Attack machen lassen will, während Gate noch an ist. Das hat man aber eigentlich nur mit Tastatur (legato).
 
okay, aber dann bin ich ja schon fast am ziel :)

ich werde diese Verstärkung auf jedenfalls mal in den Seq V4 einbauen, und sehen, wie das dann tut. die Lösung von fuzzbass würde mich aber dennoch interessieren - hast du da grade einen lnk zum schema & Layout? hab zwar den ganzen thread zum TTSH (mehrmals:) gelesen, aber wüsste grad nicht, wo genau diese Schaltung war... :selfhammer: :selfhammer:

ich hab gestern Abend noch versucht diese Gate Buffer Schaltung von musicoutofspace in eagle aufzubauen, bin aber an meinen eagle-fähigkeiten gescheitert :sad: insofern wäre vielleicht die Lösung von fuzzbass die einfachere Variante

EDIT: habe gefunden!
das sollte die Platine sein, richtig?
http://xpmtl.net/sdiy/projects/ttsh-gate-booster/
 


Neueste Beiträge

News


Zurück
Oben