rolfdegen
|||||||||||
Hallo zusammen..
Hier ist der Degenerator - Synthesizer
So sieht er final aus - ein Rundlauf:
https://www.youtube.com/watch?v=-QxENbXdaIQ&t=572s
Die Geschichte (geh ans Ende für fertige Optik und Funktionen):
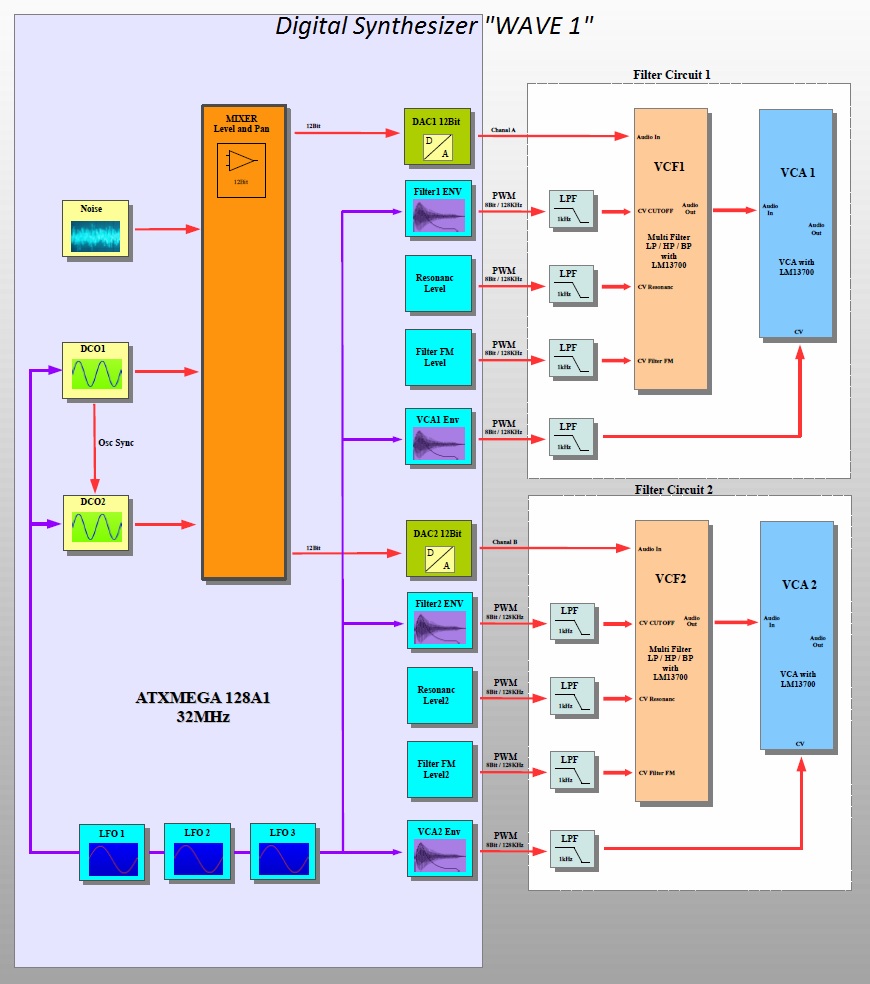
Ich möchte Euch meinen selbstentwickelten "WAVE 1" vorstellen. Es handelt sich hierbei um einen Stereophonen Digital Synthesizer mit analogen Filter und 1MByte Sample Ram.
Zwei Jahre Entwicklungszeit liegen nun hinter mir und ein Ende ist bald abzusehen. Die komplette Entwicklung ist OpenSource. Zur Zeit wird noch fleißig an der Hardware und
der Software geschraubt. Ende Februar wirds dann hoffentlich ein PCB Board und ein fertiges Gehäuse geben.
Im Forum des ComputerClub2 (http://www.cczwei-forum.de/cc2/thread.php?threadid=5878&threadview=0&hilight=&hilightuser=0&page=1) gibts einen riesigen Blog,
in dem die ganze Entwicklungsgeschichte des "WAVE 1" beschrieben ist.
"WAVE 1" Synthesizer
Das Bild ist eine Fotomontage da das Gehäuse noch nicht fertig ist
Einige Eckdaten zum "WAVE 1"
Blockschemata
Auf Youtube habe ich vom Synth einige Videos hochgeladen: http://www.youtube.com/user/rolfdegen1806
Demosounds sind auch schon vorhanden. Aber bitte nicht meckern, hab zwei linke Hände beim musizieren
https://soundcloud.com/rolfdegen
Ich hoffe euch gefällts und wenn Interesse besteht werde ich hier weiter berichten.
Bis dann lieben Gruß. Rolf aus Wuppertal
Nachtrag vom 10.10.2024: Für den Degenerator gibts im Anhang eine neue Firmware 1.10-01
Im Sequenzer funktionierte die Einstellung für den Ext Midi Clock nicht (BPM ganz nach links drehen).
Hier ist der Degenerator - Synthesizer
So sieht er final aus - ein Rundlauf:
https://www.youtube.com/watch?v=-QxENbXdaIQ&t=572s
Die Geschichte (geh ans Ende für fertige Optik und Funktionen):
Ich möchte Euch meinen selbstentwickelten "WAVE 1" vorstellen. Es handelt sich hierbei um einen Stereophonen Digital Synthesizer mit analogen Filter und 1MByte Sample Ram.
Zwei Jahre Entwicklungszeit liegen nun hinter mir und ein Ende ist bald abzusehen. Die komplette Entwicklung ist OpenSource. Zur Zeit wird noch fleißig an der Hardware und
der Software geschraubt. Ende Februar wirds dann hoffentlich ein PCB Board und ein fertiges Gehäuse geben.
Im Forum des ComputerClub2 (http://www.cczwei-forum.de/cc2/thread.php?threadid=5878&threadview=0&hilight=&hilightuser=0&page=1) gibts einen riesigen Blog,
in dem die ganze Entwicklungsgeschichte des "WAVE 1" beschrieben ist.
"WAVE 1" Synthesizer

Das Bild ist eine Fotomontage da das Gehäuse noch nicht fertig ist
Einige Eckdaten zum "WAVE 1"
- 2x DCO
- 3x LFO
- 4x ENV
- 1x Noise Generator
- 2x 2pol analog Multimode Filter (mit LM13700)
- 2x VCA
- Filter Matrix
- 5x Drehgeber für Parametereingabe und Menü Funktion
- 1 MByte Sample Ram
- SD Karte zum Laden und Speichern von Soundparametern und Samples
- Oszilloskop Funktion und MiniScope Window
uvm
Blockschemata

Auf Youtube habe ich vom Synth einige Videos hochgeladen: http://www.youtube.com/user/rolfdegen1806
Demosounds sind auch schon vorhanden. Aber bitte nicht meckern, hab zwei linke Hände beim musizieren

Ich hoffe euch gefällts und wenn Interesse besteht werde ich hier weiter berichten.
Bis dann lieben Gruß. Rolf aus Wuppertal
Nachtrag vom 10.10.2024: Für den Degenerator gibts im Anhang eine neue Firmware 1.10-01
Im Sequenzer funktionierte die Einstellung für den Ext Midi Clock nicht (BPM ganz nach links drehen).
Anhänge
Zuletzt bearbeitet: