
Folge dem Video um zu sehen, wie unsere Website als Web-App auf dem Startbildschirm installiert werden kann.
Anmerkung: This feature may not be available in some browsers.
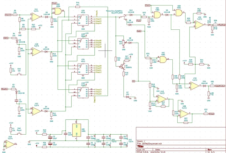
Ich wollte erst einen 3-Wege-Schalter um einen alternativen PulsOut zu haben. aber OPulsOut ist jetzt AUS also C/D am 4081 (und nachfolgendes) ohne Funktion.Ich verstehe den Unterschied zwischen OPulsOut und PulsOut nicht. Was macht diese Verbindung von Pin6 U6 zu R.28? Warum gibts Du da nochmal die Gate rein?
Ah, ok.Der GateMixOut soll Pulse und Gate mischen um längere Gates als 1Step zu erhalten.
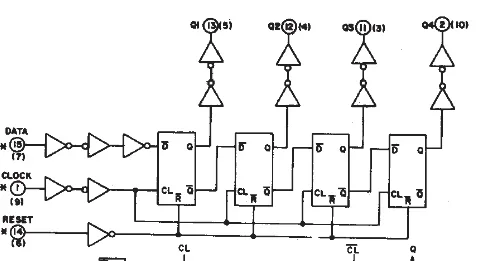
Kuck Dir mal das Datenblatt des 4015 an:Leider klappt etwas noch nicht ganz, der je 4. Step macht gleichzeitig den nächsten hoch. Das sollte eigentlich nicht sein.
Hm ok, aber in der kleinen Tabelle siehts anders aus und in der Schaltung vom Original ist auch nix invertiert.Du brauchst also zwischen jedem Viererblock bei der Verbindung von Q4 zum D des nächsten Blocks einen Inverter.
Vielleicht probierst Du mal die Dämpfung mit dem RC-Glied, das die Turing-Maschine zwischen Q4 und nächsten Data-In hängt
Tiefpass Filter wie R43/C14 vermeiden da diese die Schaltvorgänge
verzögern.
Mich interessiert es definitiv, aber leider bin ich noch lange nicht so weit ! Ich bastel seit 2 Tagen an nem Rauschgenerator mit 13 einfachen Bauteilen rum und bekomme keinen Ton raus...bis ich sowas checke, vergehen noch ein paar Monde... Ich wünsche dir aber viel Erfolg und dass es balde richtig funktioniert!Schade das es hier niemanden zu interessieren scheint.
Die Taktsteuerung.Was könnte also noch eine Rolle spielen?
besser wären Schmitt-Trigger Gatter/Inverter vom typ 40106 oder 4093.Also lieber über den freien Teil den 4081 Takten?
besser wären Schmitt-Trigger Gatter/Inverter vom typ 40106 oder 4093.
mit denen kannst du auch Reset On Power realisieren. Google doch mal.
Die Turing-Maschine hängt auch manchmal. (Zumindest meine hier).Ich versteh auch nicht wie das dann bei der Turing Maschine oder bei Gated Comparator funktionieren kann.
Die Turing-Maschine hängt auch manchmal.
warum geht R44 an CP und nicht an D wie im UrSchaltplan? ....
D5/R37 ergeben auch keinen Sinn für mich, oder soll damit
minus Volt Clock abgeblockt werden?
die Diode direkt am Clock in (Pin 3) wäre dann doch Logischer Oder?
Aber genau so und nicht anders haben wir es alle gelernt. Niemand hat die Weisheit mit Löffeln gefressen.verstehe ich wohl noch recht wenig von diesen Schaltungen