werner_d
|||
Hallo zusammen,
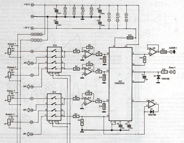
ich hätte da mal ne Frage an die Elektronikspezialisten. Ich habe mir einen bzw 3 3310-ADSR gebaut (Schaltung vom pro-one abgemalt). 2 der 5 LP habe ich verschenkt, 3 habe ich eben selbst gebaut. Von den 3 für mich, macht einer ein Problem. Und zwar schließt sich nach Ende der Sustainphase die Releasephase nicht direkt an, sondern es gibt einen Spannungssprung/Stufe (siehe Bild). Dieser Spannungssprung ist auf dem Bild deutlich zu sehen, ich habe ihn auch rot markiert. Von den 5en, die gebaut wurden, laufen 4 wie sie sollen, nur eben dieser eine macht Zicken. Hat von euch jmd ne Idee, was die Ursache sein könnte? Den 3310 hab ich schon gewechselt, der ist es nicht. Bauteile sind auf Sicht kontrolliert, aber noch nicht durchgemessen. Ich hänge auch mal meinen Schaltplan mit an.
Grüße aus Südoberfranken...
Werner
ich hätte da mal ne Frage an die Elektronikspezialisten. Ich habe mir einen bzw 3 3310-ADSR gebaut (Schaltung vom pro-one abgemalt). 2 der 5 LP habe ich verschenkt, 3 habe ich eben selbst gebaut. Von den 3 für mich, macht einer ein Problem. Und zwar schließt sich nach Ende der Sustainphase die Releasephase nicht direkt an, sondern es gibt einen Spannungssprung/Stufe (siehe Bild). Dieser Spannungssprung ist auf dem Bild deutlich zu sehen, ich habe ihn auch rot markiert. Von den 5en, die gebaut wurden, laufen 4 wie sie sollen, nur eben dieser eine macht Zicken. Hat von euch jmd ne Idee, was die Ursache sein könnte? Den 3310 hab ich schon gewechselt, der ist es nicht. Bauteile sind auf Sicht kontrolliert, aber noch nicht durchgemessen. Ich hänge auch mal meinen Schaltplan mit an.
Grüße aus Südoberfranken...
Werner
