Rolo
*****
cool! Ich wußte nicht daß der auch als Boutique Version rauskam. Hätt ich auch genommen anstatt das klapprige RiesenbabyIch habe nur einen JX-08.
cool! Ich wußte nicht daß der auch als Boutique Version rauskam. Hätt ich auch genommen anstatt das klapprige RiesenbabyIch habe nur einen JX-08.
Espen Kraft ist eine Konifere auf dem Gebiet der 80er Synth.Wer interessiert sich denn für irgendwelche Klugscheißer im Internet und macht seine Meinung von der Meinung anderer abhängig?
Viel zu viele.
Stephen
Espen Kraft ist eine Konifere auf dem Gebiet der 80er Synth.
Aber Achtung: Wort-Fauxpas als Steilvorlage für einen K.Lauer wird mit Forenverachtung bestraft.Hoffen wir also, daß noch alle Nadeln an der Tanne sind.
Stephen
Ich wollte auch schon was zu Espen Kraft was sagen.Wer interessiert sich denn für irgendwelche Klugscheißer im Internet und macht seine Meinung von der Meinung anderer abhängig?
Viel zu viele.
Stephen
Aber Achtung: Wort-Fauxpas als Steilvorlage für einen K.Lauer wird mit Forenverachtung bestraft.
Na da hattest du noch Glück, bei mir fehlten ~2500 Lachgummis in der Tüte…Die habe ich mir schon schwer erarbeitet.
Bis mir 2.000 Gummipunkte gelöscht wurden.
Stephen
Mit CBD?Na da hattest du noch Glück, bei mir fehlten ~2500 Lachgummis in der Tüte…
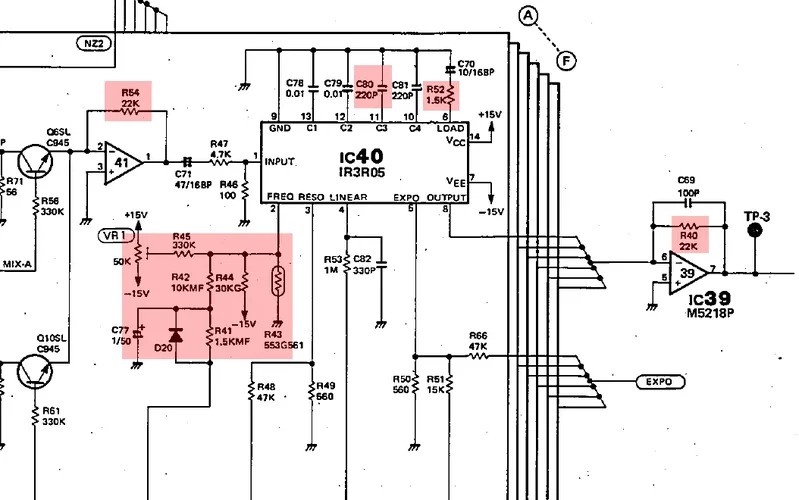
Wollte ich schon länger mal im Schaltplan ansehen, nun mal gemacht. Online findet man Hinweise, unter anderem, dass andere Op-Amps am Ausgang verwendet wurden und auch, dass der JX-8P einen analogen LFO habe (was natürlich nicht so ist). Aber nun die Schaltung um das Filter herum beim JX-8p vs. den MKS-70. Zum JX-10 liegen keine Schaltpläne zu den Voices vor.Die Unterschiede, die @micromoog immer wieder anspricht, halte ich für überbewertet.



So despektierlich von anderen Kreativen zu reden finde ich etwas daneben . Geht doch garnicht um Abhängigkeiten sondern eher um Inspiration. Konnte Espens Video vom Jx08 mit Klangbeispielen sehr gut nachvollziehen umsomehr ich ähnliche Erfahrung mit dem Ju06 hatte und den 106 habe ich hier , fand das ziemlich spannenden Vergleich. Der hat schon Plan von der Materie und eine gute Art an die 80er Sound Mache ranzugehen , hab da einiges gelernt ;) . Nichtsdestotrotz liegt es am Ende natürlich im individuellen Ohr des Hörers welche Präferenz man da bevorzugt . Auch seine Reduktion ist absolut schlüssig. hats einfach aufs wesentliche reduziert- gut für das kreative Schaffen .Wer interessiert sich denn für irgendwelche Klugscheißer im Internet und macht seine Meinung von der Meinung anderer abhängig?
Viel zu viele.
Stephen
Momentan gerade nicht, weil Marco von WaveRex aus persönlichen Gründen momentan pausiert, aber ansonsten hat er eine offenbar sehr gute Lösung gebaut: https://www.keyboards.de/allgemein/vintage-tipp-mc-64-von-waverex-pfiffiger-speicher-fuer-roland-legenden/Gibt’s da eigentlich heute noch Cartridges für den 8P?
Also näselig finde ich den Jx8p nicht wirklich, im vergleich zum 106 zb. noch schöner, breiter und versatiler, es gab aber wohl unterschiedliche Versionen, vielleicht lags ja daran ? Die Boutiques sind mir zu Va lastig / künstlich , gerade im Filterbereich , jetzt nicht schlecht per se sondern im Vergleich mit Analog, einfach zu anders. Mini Formfaktor ist natürlich ein riesen Vorteil.Das ist immer eine sehr persönliche Entscheidung, da gibt's kein "richtig", "falsch" oder "böse".
Für mich und meine Ohren hat der JX8P immer etwas unangenehm Näseliges im Grundsound, das auch die Alpha-Juno-Serie hat (und komischerweise auch der Oberheim Matrix-6). Da kann man mit viel Mühe drumrumprogrammieren, macht aber keinen Spaß.
Diese Klang-Teil-Farbe hat der JX-08 nicht (vielleicht eben wegen der nicht perfekten Emulation), sodass für mich der JX-08 die in jeder Hinsicht verbesserte Weiterentwicklung ist.
Klein, günstig, richtige (wenn auch kleine) Regler, 20 Stimmen, angenehmerer Sound: wunderbar!
Ob ich ihn behalte, weiß ich noch nicht sicher, aber da stecken ganz andere Überlegungen dahinter...
Schöne Grüße
Bert
Ich meinte auch nur einen Aspekt im Grundklang des JX8P, nicht den Gesamtsound ("grundsätzlich sehr wohlschmeckend, aber etwas weniger Ingwer hätt's sein können" - so etwa).Also näselig finde ich den Jx8p nicht wirklich, im vergleich zum 106 zb. noch schöner, breiter und versatiler, es gab aber wohl unterschiedliche Versionen, vielleicht lags ja daran ? Die Boutiques sind mir zu Va lastig / künstlich , gerade im Filterbereich , jetzt nicht schlecht per se sondern im Vergleich mit Analog, einfach zu anders. Mini Formfaktor ist natürlich ein riesen Vorteil.
yo, ist eben schon die nächste Generation vor den Digitalen , merkt man schon , finde den auch ansatzweise "glatter", gut, der auch brave Filter, einfach weniger Raw wie die vorherigen , wobei , wie gesagt es mehrere Versionen gab mit unterschiedlichen op s (JRC4558 vs Sharp IR94558 ) . Habe selbst 2 Versionen, einer klingt etwas "dunkler und breiter " .Ich meinte auch nur einen Aspekt im Grundklang des JX8P, nicht den Gesamtsound ("grundsätzlich sehr wohlschmeckend, aber etwas weniger Ingwer hätt's sein können" - so etwa).
Der JX3P/MKS-30 hat diesen "Ingwergeschmack" jedenfalls gar nicht. Und die Junos 6/60/106 auch nicht.
Schöne Grüße
Bert
Kannst Du evtl. berichten, welche ICs das im JX-8P betrifft? Ich habe im Schaltplan den JRC4558 im Bender Iterface und im Pressure Linearizer gefunden. In den CV Puffern kommen TL064 zum Einsatz. Vermutlich sind die anderen sonst die M5218L. Der Schaltplan ist da etwas schlampig.wie gesagt es mehrere Versionen gab mit unterschiedlichen op s (JRC4558 vs Sharp IR94558 )
Output stage.Kannst Du evtl. berichten, welche ICs das im JX-8P betrifft? Ich habe im Schaltplan den JRC4558 im Bender Iterface und im Pressure Linearizer gefunden. In den CV Puffern kommen TL064 zum Einsatz. Vermutlich sind die anderen sonst die M5218L. Der Schaltplan ist da etwas schlampig.
Kannst Du evtl. berichten, welche ICs das im JX-8P betrifft? Ich habe im Schaltplan den JRC4558 im Bender Iterface und im Pressure Linearizer gefunden. In den CV Puffern kommen TL064 zum Einsatz. Vermutlich sind die anderen sonst die M5218L. Der Schaltplan ist da etwas schlampig.
Mag sein, ich hatte aber, wie gesagt, etwas völlig anderes gemeint.yo, ist eben schon die nächste Generation vor den Digitalen , merkt man schon , finde den auch ansatzweise "glatter", gut, der auch brave Filter, einfach weniger Raw wie die vorherigen , wobei , wie gesagt es mehrere Versionen gab mit unterschiedlichen op s (JRC4558 vs Sharp IR94558 ) . Habe selbst 2 Versionen, einer klingt etwas "dunkler und breiter " .
Der JRC4558 ist quasi DER Standard-OpAmp der 80er. In so vielen meiner Synthesizer und Effekte von KORG stecken welche drin.Ist der JRC4558 nicht aus dem Tube Screamer? Mir is so ...
Alles klar. Der liesse sich bei Bedarf leicht tauschen.Output stage.
Im Servicemanual sind diese Revisionen beschrieben, es geht aber nur um den Digitalteil. Einzig das hier:Netzfund, poste das mal hier vielleicht hilft es jemand :
könnte Auswirkungen auf den Klang haben. Mehr Drive eben.V2.1 erlaubt es den Modulen, die Gesamtlautstärke der Voice-Ausgänge zu erhöhen.
Ist der JRC4558 nicht aus dem Tube Screamer? Mir is so ... [...]
Gibts den deshalb als Boutique, aber nicht als Plugin? Oder wieder mal Roland Business as usual?Schade, dass Roland ihn nicht auf ACB bringt.
Zur Magie der OpAmps gibt es einige Videos auf YouTube, hier mal eines als Beispiel:
I.d.R. bleibt da ausser Mojo kein Unterschied.
Folge dem Video um zu sehen, wie unsere Website als Web-App auf dem Startbildschirm installiert werden kann.
Anmerkung: Diese Funktion ist in einigen Browsern möglicherweise nicht verfügbar.