Neu

1 Pol 16 Positionen Schalter

  • #31
JuergenPB schrieb:
Ich würde die von Florian vorgeschlagene Lösung nehmen.
Statt Drehschalter würde ich ein (oder zwei) Taster nehmen, um durchsteppen zu können, bzw. bei zwei Tastern um rauf und runtersteppen zu können. Alternativ auch einen Taster mit zwei Schaltpositonen (rauf/runter).
Die "Schaltposition" könnte man sich mit einer einfachen 8-Segmentanzeige (0-F) anzeigen lassen.
Vorteil dieser "digitalen" Lösung wäre auch, daß man das ganze programmierbar gestalten könnte und mit Presets arbeiten könnte. Ferner kann man einen "general reset Taster" einbauen, um alles gleichzeitig auf Null zu setzen etc. etc. etc.

Ich hab leider nicht genug Ein - und Ausgänge frei um das zu realisieren.
Und die Geschichte mit der Segmentanzeige würde sicherlich schick aussehen, aber auch aus Platzgründen + IO's einfach nicht machbar im Moment.
Da müsste ich das momentane Projekt verwerfen und noch mal von vorn anfangen. :selfhammer:
 
  • #32
Das verstehe ich jetzt nicht.
Es ist doch wurscht, ob Du einen elektronischen Schalter oder einen mechanischen Schalter abfragst.

Mechanisch: Drehschalter -> Widerstände -> Abfrage
Elektronisch: Multiplexer -> Widerstände -> Abfrage

Wichtig ist, was hinten raus kommt. :agent:
 
  • #33
Im Moment wird eh schon :

Drehschalter -> Widerstände -> Multiplexer ->Abfrage
abgefragt.

Wenn ich Dich richtig verstehe meinst du mit elektronisch, ... einen Kodierschalter.
Der braucht ja auch noch mal 4 digitale Eingänge zum Auslesen !
 
  • #34
Nein,
ich meine so

Zur Bedienung dient ein Taster.
Damit steppst Du durch ein Schieberegister mit 16 Ausgängen (bei 3. mit 4 Ausgängen).

Wie es weiter geht, da gibt es verschiedene Möglichkeiten:
1. An jeden Ausgang hängst Du einen Analogschaler (4016 o.ä.).In jeden der Schalter geht Dein Eingangssignal rein und wird dann durch den ausgewählten Schalter auf einen passenden Widerstand geschaltet. Das liest Du mit Deiner Elektronik aus. Es wird also einfach der Drehschalter simuliert.

2. Die Ausgangssignale wandelst Du in einen 4 Bit-Wert um und speist damit den Multiplexer, der nun die Aufgabe der Analogschalter übernimmt. In den Eingang geht das Signal rein und an den 16 Ausgängen des Multiplexers sitzen wieder Deine Widerstände, die Du mit Deiner Elektronik abfragst. Auch hier wird der Drehschalter simuliert.

3. Dein "Schieberegister" baust Du so, daß es binär zählt und damit gehst Du direkt in den Multiplexer. (ansonsten wie bei 2.)

Ergo: An Deiner vorhandenen Schaltung brauchst Du nichts zu ändern, da es ja egal ist, ob Du die Stellung des Drehschalters abfragst oder die "Stellung" des elektronischen Schalters.
 
  • #35
ich steh aufm schlauch :?
könntest du mir eine kleine skizze davon machen ?

das zweite ist die sache mit dem taster.
ich hab ja keine optische kontrolle in welchem step ich mich gerade befinde.
 
  • #36
XeroX schrieb:
ich steh aufm schlauch :?
könntest du mir eine kleine skizze davon machen ?
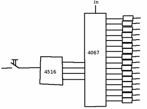
Das wäre die 3. Lösung, die vielleicht die einfachste ist:
Statt des 4516 kannst Du auch einen 4520 nehmen: da hast Du zwei Zähler in einem IC


XeroX schrieb:
das zweite ist die sache mit dem taster.
ich hab ja keine optische kontrolle in welchem step ich mich gerade befinde.
Rückmeldung ist natürlich ein Problem.
Entweder - wie schon geschrieben - eine 7-Segment Anzeigen oder 4 LEDs
 

Anhänge

  • stepper.webp
    stepper.webp
    3,4 KB · Aufrufe: 22

News

Zurück
Oben