Neu

Behringer System 100 / Roland 100m Clone

  • #751
1. Wie gut ist Das Filter ?....klingt weich oder ? weich-sahnig ( bin nicht so der (intelektuelle) filter gourmet. Höre aber wenns gut klingt)
8. Ist der VCO weich klingend ?
( 2-7 fehlen ;) )


ich gebs zu, ich hab GAS, .....aber kein platz im modular, haha.
aber ein winziges DIY Räck-chen mit Filter und ENVFollow für den Bass + EP wär schon schick
 
  • #752
Ein sicherlich nicht repräsentatives Beispiel:

3 VCOs im Oktavabstand durch ein Lowpassfilter Roland-Behringer 100m. Nicht vom Voyager beirren lassen :)

Aus dem Ultraschall-Kanal:

Nebel .. und .. Nebel .... und .... Licht im Nebel .... und endlich Stadtlichter ...


https://soundcloud.com/uschall/fog

Edit:
Theme Fog: Moog Voyager.
Theme Citylights: Roland-Behringer System 100m.
 
Zuletzt bearbeitet:
  • Daumen hoch
M.i.a.u.: Horbach, coripeter und Die Iden des Maerz
  • #753
IMG_20220124_224726_LDR.webp

Gehet fast auf mit dem Rackbrute. Für das Loch würde sich ein Erica pico SEQ anbieten. Wird bald bestellt.
 
  • Daumen hoch
M.i.a.u.: RustyChuan, Ultraschall, Unifono0815 und eine weitere Person
  • #755
1. Wie gut ist Das Filter ?....klingt weich oder ? weich-sahnig ( bin nicht so der (intelektuelle) filter gourmet. Höre aber wenns gut klingt)
ich frage nochmals: klingt dieses Roland filter eher weich, oder ?
wie gut ist es gelungen, klanglich ? (kenn mich nicht aus mit roland / könnte ein (billges) weiches warmes filter brauchen für zum mischer, für Bass Gitarre)
@ARNTE @Horbach
 
  • #756
Es klingt nach Roland.
Es ist vom Pegel her so eingestellt, dass es ab halb offenem Abschwächer am Eingang schon ordentlich in die Sättigung fährt. Da wird es dann ziemlich garstig und kratzig. Für weich und rund muss man also gut beim Pegel aufpassen. Nach meinem Geschmack ist es damit ziemlich flexibel einsetzbar.
Resonanz dünnt deutlich aus. Bei volles Rohr Eingangspegel dann irgendwann natürlich nicht mehr...
Es ist vor allem sehr praktisch, da gleich ein 3fach Mischer mit dabei ist. Die 3 CV Eingänge mit jeweils Abschwächer sind ach super. Und es ist halt nicht ein, sondern 2 Filter, die man entsprechend je nach Bedarf parallel oder seriell fahren kann. Da geht dann einfach verdammt viel.
 
  • Zustimmung
  • Daumen hoch
M.i.a.u.: 89PF67hewfhjffj347 und Unifono0815
  • #757
Es ist vom Pegel her so eingestellt, dass es ab halb offenem Abschwächer am Eingang schon ordentlich in die Sättigung fährt.
das tönt ja fast so, als ob man es direkt an nem mischer mit line level betreiben könnte. z.bsp. am Aux send.
Danke, fürs ausführen
 
  • #758
Hallo, neu hier... hab mir das Thomann Bundle des 100ers zugelegt und noch paar Module zusätzlich.

Wollte nie wieder was mit Musik und Sequenzern wie Cakewalk (ich kenn noch den vom win 3.11 ca. Mitte/Ende der 90er) zu tun haben.
Über einen komischen Umstand bin ich beim Freeware Cakewalk zu den VST Modularen gekommen und musste feststellen, wie limitiert man in den 90ern mit nem Kawai-K1 und dem Novation Bass Station war.
Irgendwie hab ich dann wohl per YT vom Modular-Synth-Eurorackformat gehört. Zuvor hatte ich auch unterbewusst beim Ex-CC2 Urgestein HeinzSchmitz (HIZ) die Videos vom Roland-Gast geschaut und auch die Vorstellung des neuen Arturia - Zeugs und mich daran erinnert.
Aber alles in allem interessant, wie sehr man mit den digitalen Medien abgeschirmt wird und eigentlich die Wahrnehmungsblase nicht verlässt (grad bei Youtube).

Mein Erster Eindruck von Behringer100 bundel:
- erheblich preisgünstiger als andere Module, aber trotzdem wertige Module, wenn auch nichts davon wirkliche Analogschaltungen hat.
- keine stack-baren Kabel mitgeliefert
- Sounds zu basteln war (für mich) schwieriger als gedacht, da man sich hier eher auf der speziellen Elektronischen Ebene befindet, weniger auf der Musikalischen.
- das Eurorack-format ist in sich schlüssig und fördert im Zusammenspiel mit Elektronik-Bastelei die Kreativität.
- als Anfänger sollte man aber eher bisschen mehr Geld ausgeben und die Module selbst zusammen(be)stellen (Behringer Brains z. B. oder die Mutables/ MidiCV, / Sequenzer / Mischer usw. ).
- die Beilagen zu den BehringerModulen sind sehr spartanisch gehalten, aber überall ein Aufkleber drin; keine Verkabelungs-Beispiele, nicht mal die Abkürzungen VCF/VCA/ S&H werden erläutert (für Anfänger essentiell) !

- mit ein wenig Probieren und Youtube findet man die Funktionen der Module heraus und kann mit den doppelten Modulen kleine Sessions basteln und den Gate am Envelope manuell auslösen (grossartige Noises vom Ringmod.).
- die gemischten Sounds im VCA löschen sich aber leider gegenseitig zu schnell aus.

- für den Soundausgang muss man sich auch mehr bemühen, als gedacht (wenn man grad keinen Mixer/Hifi-Verstärker zur Verfügung hat; USB-Soundkarte mit Audacity schaltet z. B. auf stereo sound); allgemein ist das Signal des VCA im akustischen Bereich sehr leise (selbst im High modus).

- die Kabel von Thomann sind zu kurz in dem Bundel.


Meine ersten Bastelerfolge: - von diversen Netzteil-Adaptern die 3.5 Mono Klinken alle eingesammelt
- einen Kontrollstecker mit zwei gegenpoligen LED gebastelt.
- einen Franzis/Conrad Weihnachts-Bausatz mit CD 4060 Teiler / 4-bit Zähler aufgebaut mit Ziel einen
synchronisierten Trigger zu bauen.

nächste Versuche/Ziele: evtl. Arduino als Sequenzer einsetzen und evtl. einen Raspi oder dergleichen mit Python dahingehend zu programmieren und als Spass die PI-Nachkommazahlen als Rhytmus anzusteuern.



Fragen: Warum wird beim VCO der zweite Ausgang überall benutzt? Welchen Vorteil hat das?
 
Zuletzt bearbeitet:
  • #759
Mein Erster Eindruck von Behringer100 bundel:
- erheblich preisgünstiger als andere Module, aber trotzdem wertige Module, wenn auch nichts davon wirkliche Analogschaltungen hat.
Herzlich willkommen.

Warum glaubst Du, in den Behringer-Clones der Roland-100M-Module befänden sich keine „wirklichen Analogschaltungen“?
 
  • Daumen hoch
M.i.a.u.: VEB Synthesewerk, Audiohead, dcp und eine weitere Person
  • #760
Ich beziehe mich da nicht auf das Roland, da ich mit dem Vergleich nichts anfangen kann.
Bei Ansicht der Module war das sehr viel SMD Digital-Zeugs drin. Analog hört bei mir bei Chips wie dem 555 oder dgl. auf!
Ein Behringer Mischpult (alt) unterscheidet sich in der Hardware auch drastisch von den neuen (digitalen) Mixern, bis auf die Wärmeabgabe der Netzteile, grad bei Phantomspeisung... ;-)

nicht falsch verstehen.
 
Zuletzt bearbeitet:
  • Hmm
  • HaHa
M.i.a.u.: VEB Synthesewerk und Audiohead
  • #762
"Chip" bedeutet nur, dass mehrere Bauteile in einer Einheit zusammengefasst sind. Ob digital oder analog ist erstmal egal. Oft verwendete analoge Schaltkreise werden zusammengefasst und in einem Gehäuse untergebracht.

Analog hört bei mir bei Chips wie dem 555 oder dgl. auf!
Ob analog oder nicht ist fest definiert und hängt nicht von persönlichen Sichtweisen ab. Es gibt aber auch Bereiche die Missverständlich sind. zB sind Gatesignale digitaler natur, weil sie 2 Zustände haben können, On und Off. Die Gatespannung die Du aber am Modulsystem abgreifst ist analog.
 
  • Daumen hoch
M.i.a.u.: dcp
  • #763
"Chip" bedeutet nur, dass mehrere Bauteile in einer Einheit zusammengefasst sind.

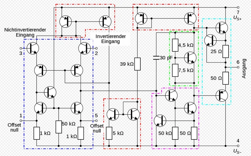
Eigentlich sind alle Halbleiter Chips. Ob ich nur einen Transistor oder eine Handvoll zu einem Operationsverstärker, spezialisierten Chip für VCO, VCA, VCF, ... zusammengefasst habe, ist nur eine Frage der Organisation meiner Schaltung.

Als Beispiel der interne Schaltplan eines Operationsverstärkers, des Ur-Ahn 741, bei dem alles auf einem Chip zusammen gefasst ist, aber die Signal-Verarbeitung vollständig analog ist.

1650369155583.png

Wenn irgendwo in einer Schahltung ein A/D oder ein D/A Wandler auftaucht kann von digitaler Signalverarbeitung gesprochen werden.
 
  • hilfreich
  • Daumen hoch
M.i.a.u.: roh'signal und MvKeinen
  • #764
Danke für die Korrektur, @GuywithBass ich bin irgendwie davon ausgegangen, dass es nur Sinn macht, wenn man Bauteile zusammenfassen muss.
 
  • #765
Wenn irgendwo in einer Schahltung ein A/D oder ein D/A Wandler auftaucht kann von digitaler Signalverarbeitung gesprochen werden.
Danke! Und deswegen ist jegliche "analog vs. digital" Diskussion auch immer so herrlich sinnentleert... insbesondere innerhalb der Modularfraktion. In meinem bescheidenen Modularschränckchen tummeln sich demnach analoge, digitale sowie hybride Module - SMD und oldfashioned, geht alles & macht Spaß ;-)
 
  • Daumen hoch
M.i.a.u.: GuywithBass
  • #766
Wenn irgendwo in einer Schahltung ein A/D oder ein D/A Wandler auftaucht kann von
Wobei man bei Synthesizern noch mal zwischen Signalpfad und Modulation (Hüllkurven, LFOs, Midi etc., oder auch CV/Gate In/Out), Send Effekten etc. unterscheiden kann.
Der Signalpfad von den Oszillatoren zu den Ausgängen kann komplett analog realisiert sein, Modulation oder CV/Gate kann digital erzeugt und dann DA gewandelt werden oder digitale Send Effekte dazugemischt werden - man würde trotzdrm noch von einem analogen Synth sprechen.
 
  • Daumen hoch
M.i.a.u.: GuywithBass
  • #767
dass es nur Sinn macht, wenn man Bauteile zusammenfassen muss.

Einer der ersten Computer digitalen Computer (Z2 von Zuse) ist mit Relais gebaut worden und dürfte ziemlich diskret aufgebaut worden sein. Und der ist so richtig Digital. Mein Minibrute hat eine reichliche Ansammlung von Käfern im Gehäuse und der ist voll analog im Signalpfad. Im Gegensatz zu meinem Streichfett, der viel Funktion und Sound aber nur wenig Käfer im Gehäuse hat und digital daher kommt.

Operationsverstärker wurden auch früher aus diskreten Bauteilen gebaut und abgestimmt in Blechdosen verbaut und verkauft. (Leider kein Bildbeispiel gefunden)

Oder als SMD-Variante

1650390743493.webp

Als nette Bastelidee gibt es nachfolgenden Bausatz:

1650390806865.webp

 
  • Daumen hoch
M.i.a.u.: JS-Sound, VEB Synthesewerk, Green Dino und eine weitere Person
  • #768
Mir ist aufgefallen, dass der 440Hz-Oszillator am Mixer/Output Modul verstimmt ist, also nicht zum Abgleich mit externem Equipment taugt. Der 440Hz Oszillator vom GRP A4 stimmt exakt, wenn beide zusammen oszillieren, eierts ganz schön....

Ist das bei euch auch so? Kann man den selber justieren?
 
  • #769
Beim Roland Original ist der Oszillator mit einer Spule mit veränderbarem Kern realisiert, also auch trimmbar. Ich vermute, dass Behringer das nicht mit einer Spule sondern mit einem 555 o.ä. gemacht hat. Vermutlich auch justierbar. Pro-Tipp: Aufmachen und Kucken.

PS:
Auf dem Bild bei Thomann ist hinten ein Trimmer zu sehen, für den ich mir keinen anderen Zweck als den Oszillator vorstellen kann:

1650550079977.webp
 
Zuletzt bearbeitet:
  • Daumen hoch
M.i.a.u.: Horbach
  • #770
Super, vielen Dank! Werd ich mal probieren (aber nicht gleich heute oder morgen).
 
  • #771
Ja, das ist der Regler zur Frequenzeinstellung. Ist nur sehr Temperaturabhängig und driftet sehr schön je nach Betriebsdauer.
 
  • #772
Mir ist aufgefallen, dass der 440Hz-Oszillator am Mixer/Output Modul verstimmt ist, also nicht zum Abgleich mit externem Equipment taugt. Der 440Hz Oszillator vom GRP A4 stimmt exakt, wenn beide zusammen oszillieren, eierts ganz schön....

Ist das bei euch auch so? Kann man den selber justieren?
Das ist scheinbar öfter der Fall. Bei meinem Test https://www.amazona.de/test-behringer-system-100-eurorack-modul-305/ war auch bei einem der beiden Module der StimmOSC verstimmt und konnte selbst mit dem Trimmerpoti nicht mehr korrigiert werden.
 
  • #773
je mehr ich mit dem System100 experimentiere, desto weniger seh ich durch.

ne ganz dumme 1. Frage:
Hab mir ein Arturia Keystep besorgt, gehe mit "Gate" auf Envelope (von da auf VCF), mit "Pitch" auf den VCO.
warum brummt der VCO bei 4/5tel runtergezogenem cutoff noch nebenbei, ohne dass vom Envelope die Hüllkurve auf den VCF geht (also ohne dass die Tasten ausgelöst sind)?
Ich bekomme das nur weg indem der Cutoff ganz zu ist und die Lautstärke im VCA auf logaritmisch steht.
Das Brummen war mir bislang ohne Keyboard nicht aufgefallen, da ich immer nur mit dem LFO gearbeitet habe.
Ist das Nebenbeibrummen normal oder ist der VCO (beide) defekt?

2. Frage: Hat das Arturia ein Netzteil und ein besseres Manual serienmäßig dabei? Meines kam aus Frankreich vermtl. gebraucht von Zicplace ohne (über Amazon).
 
  • #775
Zu 2. Auf der Webseite von Arturia findest Du auch eine deutsche Anleitung.

Zu 1. Das hat sicher mit dem Verhältnis der Hüllkurven zueinander zu tun, eine bedingt die andere und sollten auf einander abgestimmt sein. Wenn der VCA durch die Hüllkurve abgearbeitet ist und Gain zu, das Gate noch offen und auch die Filterhüllkurve schon durch ist, dann wird wohl das reine VCO-Signal anliegen. Ansonsten stell mal den Patch online .. ich bau das gerne nach und dann schauen wir, wo das Problem liegt. Deal? :)
 
  • Daumen hoch
M.i.a.u.: GuywithBass
  • #776
@GuywithBass Den VCA (also die Lautstärke) hab ich bislang nie angesteuert, das lief immer normal.
Der VCA läuft vom den positiven zweiten Ausgang des Envelope auf modIn des VCA.

@Xsample danke, hab mitbekommen, dass Arturia alles per DL macht, hab mal die Midi-SOftware angeschaut und auch mitbekommen, dass die Sequenzen per Pianorolle vorgegeben sind, was ich praktisch finde.
Netzteil gibts wirklich keines dazu, geht aber auch USB 5V.
Den Patch hab ich leider nicht mehr parat. ist aber ein bare-minimum VCO - VCF - VCA Highgain
Das Gate vom Arturia auf den Env. Pitch vom Arturia auf den Oszi und voll durchgesteuert.


Edit: Zum Thema Grund-Brummen des VCO: ich glaube, bei VCA - Ansteuerung per Envelope muss man den "Initial Gain" zudrehen, dann übernimmt das externe Signal die Ansteuerung?
 
Zuletzt bearbeitet:
  • #777
Weiß einer, wie ich mit dem Arturia Keystep am Behringer100 / Behringer Brains tiefere Oktaven einstellen kann. Da geht nicht wirklich viel in dem Bassbereich ! Ansteuerung über CV/Gate.
Ich kann auch die standardSeq nicht nach unten transponieren.
 
  • #778
Tiefer als was?
Im Controlcenter kannst du festlegen welche Note 0V ausgibt (per default C-2), tiefere "Noten" also negative Spannungen kann der Keystep nicht ausgeben.
Beim Behringer Brains kann man bestimmt wie beim Vorbild Plaits über eine Tastenkombination die Grundoktave einstellen (Manual!). Beim Behringer VCO hast du dafür den Wahlschalter RANGE, 32' ist die tiefste Oktave, tiefer als 32' und 0V am CV in (MOD) geht nicht nur mit dem Keystep.
Für den VCO 112:
Frequency range with no external CV10 Hz to 500 Hz
Frequency range using external CV1 Hz to 30 kHz
Mit -10V kommt man also auf 1Hz runter... musikalisch ist das nicht, eher LFO ;)
 
Zuletzt bearbeitet:
  • #779
Danke, c2 oder c-2 ?
hab die default - Einstellung und 1.1.0 wieder drauf.
Das C2 ist jetzt bei oct. beide "aus" am Arturia.
Die Klaviatur hört plötzlich aber nach unten hin nicht beim B, sondern geht noch 4 Oktaven mit dem selben Ton nach unten weiter. merkwürdig.
beim C-2 (also Auswahl ganz oben im ControlCenter), ist alles über C nur der gleiche Ton. und die beiden oct. Tasten sind aus. Dann gehts runter bis zu dem Bass C und danach ist kein Ton mehr zu spielen.

Das Brains kann nicht wirklich tiefe Wellenformen erzeugen, oder täusche ich mich da; oder hör ich es nicht mehr. Das maximale Bass-Level ist eher "freundlicher" MittenBass-Bereich.

Ich glaub auch, dass ich nach nem Akai Mini nun auch den Keystep als Fehlkauf betrachte. Hätte den
bunten Sequencer mit den 4 unabhängigen Ausgängen nehmen sollen.
 
Zuletzt bearbeitet:
  • #780
@sectoid3
ok, was ich gestern aus dem Kopf schrieb stimmt nicht ganz, sorry.
Bei folgender Einstellung im Controlcenter
1652430870673.png
liegen am Pitch Ausgang beim spielen des tieferen C auf der Tastatur 1V an. Transponiert man eine Oktave nach unten (Okt- blinkt langsam) , so produziert die gleiche Taste 0V.

Ich habe kein Brains, welches mehr oder weniger ein Clone des MI Plaits ist, aber beim Plaits geht es recht weit runter... bis in den LFO Bereich.
Hier wird erklärt wie man die Oktaven umschaltet(Model gedrückt halten und Harmonics drehen):

https://www.youtube.com/watch?v=M-j7vR3zQno&t=480s

Wie schon erwähnt akzeptiert der V/Oct Eingang auch negative Spannungen, die aber der Keystep nicht generiert, dafür bräuchte man weitere Tools (Offset).
 
  • Daumen hoch
M.i.a.u.: [dunkel]

Zurück
Oben