Das könnten die durchtrennten Leiterbahnen sein (siehe https://www.sequencer.de/synthesizer/threads/dynacord-vrs23-vor-1982-schaltplan-mal-wieder.168790/post-2693467).MEH!
Nun geht – ohne Eingriffe – die Reverbfunktion nicht mehr. Aber dafür die Modulation. Die Kiste will mich doch in den Waaaaaaaahnsinn treiben…
Das könnten die durchtrennten Leiterbahnen sein (siehe https://www.sequencer.de/synthesizer/threads/dynacord-vrs23-vor-1982-schaltplan-mal-wieder.168790/post-2693467).
)


Es kommt nur das Dry-Signal aus mixed out raus. Auch das Echo kommt aus dem mixed-Out rechts & links raus. Ich hatte ja mit nur links gerechnet weil mono.Kommt bei Reverb gar kein Signal oder bleibt es in der (mono) Echo-arbeitsweise?
ok, dann ist es eine andere Baustelle: das Audio wird dabei auch noch geschaltet (in den 4016 links von den Umschaltern im unteren Bild und auf dem Mainboard). Dann stimmt da was nicht.Es kommt nur das Dry-Signal aus mixed out raus.
ok, dann ist es eine andere Baustelle: das Audio wird dabei auch noch geschaltet (in den 4016 links von den Umschaltern im unteren Bild und auf dem Mainboard). Dann stimmt da was nicht.
Er hat Jehova gesagt...Wenn das Gefrickelte mal nervt, dann nehmt doch das:
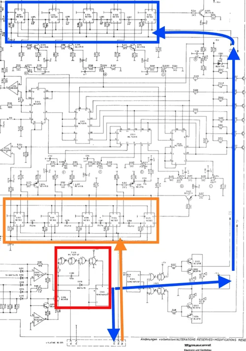
DIe Echo Reverb umschaltung geht im Prinzip so:
Das hier ist auf dem Mainboard.
das blaue und das orange Viereck sind die Delay.Lines aus jeweils fünf Delay-Chips
das rote Viereck ist der Clockgenerator
die blauen und orangenen Pfeile sind die Clockleitungen. Die Delay-Chips bekommen das Clocksignal einmal normal und einmal invertiert. Es sind also tatsächlich zwei Leitung. Die Aufteilung auf zwei Signale besorgt der 4013 mit den nachfolgenden Transistor-Pufferstufen
Du siehst, dass direkt hinter dem Clockgenerator die blaue Leitung einmal zu den oberen Delay-Chips geht und einmal unten aus der Platine raus...
Anhang anzeigen 194182
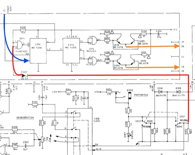
...Die blaue Leitung die aus dem Mainboard rausgeht, geht auf das Panel board.
Dort geht sie in einen elektronischen Schalter (4016), hinter dem wieder so eine Schaltung mit 4013 und Transistorpufferstufen hängt, die nun die beiden orangenen Taktsignale für die zweite Leitung erzeugen.
Der elektronische Schalter 4016 wird über die Leitung die ich unten rot markiert habe versorgt.
Ich würde mal prüfen ob sich die Spannung an Pin 2 des 4011 (IC31? - da wo die rote Markierung endet), mit dem Reverb/Delay Umschalten zwischen 0 und 12V wechselt.
Wenn nein, dann ist vermutlich die Zener.Diode in der Steuerleitung hin
Wenn ja, dann an Pin 3 des 4011 prüfen.
Wenn nein, dann ist der 4011 kaputt
Wenn auch da Spannungswechsel ist, dann ist vermutlich der 4016 kaputt
Anhang anzeigen 194181

| Pin 1: -14,3 (-14,9) | Pin 8: 0 |
| Pin 2: -14,3 (-14,9) | Pin 9: -11 |
| Pin 3: -0 | Pin 10: -11 |
| Pin 4: -0,18 | Pin 11: -0,9 |
| Pin 5: -14,75 | Pin 12: -14,75 |
| Pin 6: -14,75 | Pin 13: -0,9 |
| Pin 7: -15 | Pin 14: -0,9 |
| Pin 1: -15 | Pin 8: 0 |
| Pin 2: -15 | Pin 9: 0 |
| Pin 3: -15 | Pin 10: 0 |
| Pin 4: -0,17 | Pin 11: -1,2 (-0,9) |
| Pin 5: -14,3 (-15 | Pin 12: -1,2 (-0,9) |
| Pin 6: -14,3 (-15) | Pin 13: -1,2 (-1) |
| Pin 7: -15 | Pin 14: -1,2 (-1) |
| Pin 1: -15 | Pin 8: 0 |
| Pin 2: 0 | Pin 9: -7,5 |
| Pin 3: 0 | Pin 10: -7,5 |
| Pin 4: 0 | Pin 11: -15 |
| Pin 5: 0 | Pin 12: -15 |
| Pin 6: -15 | Pin 13: -7,5 |
| Pin 7: -15 | Pin 14: -15 |
Folge dem Video um zu sehen, wie unsere Website als Web-App auf dem Startbildschirm installiert werden kann.
Anmerkung: Diese Funktion ist in einigen Browsern möglicherweise nicht verfügbar.