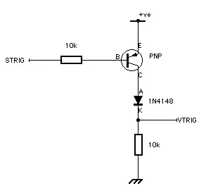
jep, der ms20 und andere klassische korg-synthesizer nutzen fuer ihre gate-signale den s-trig-standard ('switch trigger'), roland und praktisch alle modernen analogsynthesizer dagegen v-trig ('voltage trigger'). man kann zwischen den beiden trigger-typen wandeln.shebsen schrieb:2: Trigger-out-polarität zum synchen anderer Synths
ah, habs in diesem muff thread gefunden:bartleby schrieb:ein wandler in die umgekehrte richtung - also s-trig zu v-trig - wuerde mich auch mal interessieren. hat dafuer jemand ne anleitung?
shebsen schrieb:Gibts da ne Sache die sich mit Öffnen und Schraube drehen lösen ließe und für die ich nicht das Denoiser Plugin nutzen muss?
shebsen schrieb:Moinsen,
1: Rauschen im MS20 mini ...
shebsen schrieb:Sollte das Noisemodul, dass ja irgendwie über den VCO 1 Levelregler läuft nicht eigentlich die Klappe halten wenn eine andere Wellenform angewählt ist?

bartleby schrieb:...steuerspannung fuer die tonhoehe nutzt der ms20 einen anderen standard als moog, roland und moderne synths, naemlich hz/v statt v/oct. auch dafuer gibt es wandler, aber die sind komplexer.
harvestman hat mal ein eurorackmodul namens 'english tear' angekuendigt, das sowohl cv als auch gates in beide richtungen wandeln koennen soll, keine ahnung, ob das je erschienen ist...
snowcrash schrieb:Vor allem wenn grade jemand in einem anderen Thread schreibt, dass der alte weniger rauscht als der neue MS20![]()
...... wollte schon als jugendlicher immer einen haben..... ok, hat dann doch noch weitere schlappe 35 jahre gedauert
...... in jedem fall muss man da ja komplett umdenken Folge dem Video um zu sehen, wie unsere Website als Web-App auf dem Startbildschirm installiert werden kann.
Anmerkung: Diese Funktion ist in einigen Browsern möglicherweise nicht verfügbar.