Neu

Degenerator DIY Sampler/Synthesizer (Tubeohm)

  • #601
Für meinen Prototyp hatte ich keine Sockel mehr. Die Bausätze werden aber mit Sockel geliefert.

Gruß Rolf
 
  • Daumen hoch
M.i.a.u.: zylone69
  • #602
Der arme Andre' muss die ganzen Teile alleine sortieren. Für jeden Bausatz sind das in etwa 800 Teile. Wer das mal gemacht hat, der hat keine Langeweile ;-)

Ich bitte noch um etwas Geduld. In den kommenden Tagen dürfte es aber soweit sein.

Gruß Rolf
 
Zuletzt bearbeitet:
  • #603
Mein neustes Spielzeug. Ein DeepMind 6.

20190317_110907.webp
 
Zuletzt bearbeitet:
  • Daumen hoch
M.i.a.u.: weasel und Green Dino
  • #604
So Leute , die Kits sind sortiert , die Manuals geschrieben. Was wir noch machen sind demnächst Videomanuals auf Youtube. Damit man auch mal sehen kann was das Teil so drauf hat .
Kits sind jetzt da - und schon fast alle wieder weg .
Gruß
Andre'
 
  • Daumen hoch
M.i.a.u.: darsho, lowcust, utopia3000 und eine weitere Person
  • #605
Hallöchen..

Von einem User gibts den 1. De-Generator Mod.




Der User hat für die Effekte einen speziellen Fx Chip FV-1 von Spin Semiconductor integriert.

imag1188[1].webp

imag1189[1].webp


Gruß Rolf
 
Zuletzt bearbeitet:
  • Daumen hoch
  • ^
M.i.a.u.: Tomheck, Green Dino und majestix
  • #607
Der De-Generator wird aktuell auf Tubeohm.com mit oder ohne Plexiglas Gehäuse verkauft. Das abgebildete Gerät ist von einem User umgebaut worden.


DG_01.webp
 
Zuletzt bearbeitet:
  • #608
Schöne Modifikation!
Die eingebauten Effekte sehen irgendwie wie das Flame FX16 CV Eurorack Modul aus.
Gibts irgendwo eine genauere Beschreibung der Modifikation?
 
  • #609
Nein. Aber es gibt von Tubeohm.com ein kleines Platinchen für den FV-1 Chip. Für den Einbau in den De-Generator müssen auf dem Mainboard ein paar Leitungen und Bauteile entfernt werden und die Firmware geändert werden.
Wir planen für die Zukunft ein neues Gehäuse aus Stahlblech mit Holzseitenteile und eine neue Mainboard Revision mit dem Fx Chip FV-1. Wird aber noch etwas dauern.

VF-1_01[1].webp

Ich habe den FV-1 Chip an meinem Testgerät Zuhause bereits schon eingebaut und getestet. Die Effekte und der Klang sind super :)
 
Zuletzt bearbeitet:
  • Daumen hoch
M.i.a.u.: Green Dino und lowcust
  • #611
Grade erst entdeckt, unglaubliches Projekt, herzlichen Glückwunsch, werd wohl auch nicht drumrumkommen einen zu bestellen!
 
  • #614
Und wieder erblickt ein neuer Degenerator das Licht am musikalischen Horizont.

Sind bereits 11 Stück im Umlauf. Bin gespannt wann ich einen entdecke :)

20190525_171100.webp

Gruß Rolf
 
  • #615
Sehr nett! Ich glaube du hast das damals auch in Mikrocontroller.net vorgestellt. Cooles Projekt!
 
  • #616
Ja.. genau. Da muss ich auch mal wieder etwas posten. War jetzt auf der "Happy Knobbing 2019" und es war wieder sehr schön. Tolle Leute, viele Gespräche und coole Musik erlebt.

Großen Dank an Mick und Tommy für das schöne Event.





Gruß Rolf
 
Zuletzt bearbeitet:
  • #617
Angesteckt von der "Happy Knobbing" habe ich Heute mit der Entwicklung eines Modular Synthesizer begonnen. Als erstes baue ich ein Midi to CV Interface auf Basis eines ATmega328. Mit Hilfe eines 12Bit DAC (MCP4922) werden die Midi Noten in eine CV Spannung gewandelt.

Als Oszillator werde ich zwei spannungsgesteuerte VCO's vom Typ AS3340 benutzen. Das sind preisgünstige Clone der Original CEM3340 VCO's.

Schaltpläne und weitere Einzelheiten werden folgen. Bin am überlegen ob ich nicht dafür einen anderen Trade aufmachen soll ?

Gruß Rolf
 
  • Daumen hoch
M.i.a.u.: humax5600
  • #619
Hallo liebe Freunde der Elektronischen Musik und Technikbegeisternde..

Andre von tubeohm.com bietet einen Workshop für Shruthis/Phoenixe Synthesizer an .
Falls Interesse besteht. Es gibt Infos über das Gerät und über Synthesizer im allgemeinen .
Wir begleiten die Leute vom Kit bis zum fertigen Gerät. Das mit Rat und Tat und Hilfe .

Phoenix/Shruthi Synthsizer

Ph-nix[1].jpg

Am Ende des Kurses sollte jeder ein funktionierendes Gerät in den Händen halten .
Löt-Kunst sollte aber vorhanden sein . Ein Lötkolben und Seitenschneider natürlich auch.

Mindest -Teilnehmer sind 10 , max 15. Die Lokation ist in Recklinghausen .
Die Eintrittskarte ist ein Kit , Phoenix , Shruthi, SMR4-P welches bei uns vorab bestellt wird.
Bei Interesse einfach mal melden unter kontakt@tubeohm.com.

Hier der Link zu tubeohm.com

Gruß Rolf
 
Zuletzt bearbeitet:
  • #620
Ich baue zur Zeit an einem kleinen MiniScope fürs EuroRack. Hier ein kleine Kostprobe. Der Sound kommt natürlich vom Degenerator :)

MiniScope


Gruß Rolf
 
  • Daumen hoch
M.i.a.u.: DrMickey, lowcust und onkelguenni
  • #621
Heute habe ich mein bestelltes Kit von der Post abgeholt.

Vielen Dank an Andrè für die schnelle Lieferung
DE-GENERATOR.webp
 
  • Daumen hoch
M.i.a.u.: darsho und Feedback
  • #622
Hallo Level5

Ich wünsche dir viel Erfolg beim Zusammenbau. Falls du Hilfe benötigst oder irgend etwas nicht funktionieren sollte, dann einfach hier melden. Bekomme vom Forum automatisch eine Nachricht.

Tip: SDKarte in FAT32 formatieren und Files von hier herrunterladen https://www.tubeohm.com/de-generator-diy-manuals.html

Gruß Rolf
 
Zuletzt bearbeitet:
  • Daumen hoch
M.i.a.u.: Level5
  • #623
Hallöchen..

Löte gerade an einem neuen Degenerator für den Mick. Schon lange versprochen aber aus Zeitgründen immer wieder verschoben..

Test2.gif

Wünsche allen einen guten Rutsch ins neue Jahr 2020 :)


Neue Patches sowie eine Hardwareerweiterung sind auch in der mache. Gruß Rolf
 
Zuletzt bearbeitet:
  • Daumen hoch
M.i.a.u.: lowcust
  • #624
Hi

Der neue Degenerator ist jetzt fertig und funktioniert. Muss noch auf neue Encoder warten, da mal wieder einer defekt ist und dieser ausgetauscht werden muss.

20200110_180718.webp
20200110_181252.webp

Gruß Rolf
 
  • #625
Hallo

Andre und ich planen für dieses Jahr (hoffentlich bis zur Happy Knobbing) den Degenerator als Eurorack Modul zu bauen. Dafür sind einige Hardware- und Softwareänderungen notwendig. Aber der größte Teil der Arbeit ist ja bereits gemacht und darum dürfte es nicht mehr so lange dauern wie beim letzten Mal :bravo:

Gruß Rolf
 
  • Daumen hoch
M.i.a.u.: DrMickey und humax5600
  • #626
Hallöchen..

Hab meinen Degenerator mit einer Bassanhebung von +6dB an der Ausgangstufe auf dem Motherboard etwas modifiziert (siehe Schaltplan).

Jetzt klingt das Teil noch fetter.

Bass 1


BassBoost 1


Bass 2


BassBoost 2


(Die Klangbeispiele beziehen sich auf einen modifizierten Degenerator mit einem FV-1 Reverb Chip von Spin Semiconductor)


Änderung auf dem Motherboard
20200121-183726[1].jpg




Gruß Rolf
 
Zuletzt bearbeitet:
  • Daumen hoch
M.i.a.u.: Moogulator
  • #627
Hallöchen..

Ich arbeite gerade an einem kleinen Software-Update für den Degenerator. Zum einen funktioniert der Midi-Clock noch nicht richtig. Das Midi-Clock Signal wird zwar empfangen, funktioniert aber als Taktgeber im Sequencer noch nicht. Ferner werden die LFOs nur durch einen NoteOn gesynct. Im LFO-Menü wird es eine zusätzliche Einstellung geben, um die LFOs auch mit dem Midi-Clock Signal zu syncen.

Sequencer/ARP
20200201_141958.jpg

LFO
20200201_141521.jpg


Im Sequencer-Menü wird es wieder eine Arpeggio-Funktion geben. Wegen Speicherplatzmangel hatte ich diese Funktion in der Vergangenheit entfernen müssen. Da ich den Programmcode jetzt etwas aufgeräumt und entschlagt habe, denke ich, das ich den ARP wieder integrieren kann.

Parallel arbeite ich noch an einer Zusatzplatine für den Degenerator. Damit kann der Degenerator mit einem Spin FV-1 Reverb Chip aufgerüstet werden. Der "handgemachte" Prototyp mit 15 Fx Programmen funktioniert schon (Hörbeispiele unten).

Fx Control
20200201_141836.jpg

Fx Circuit
FV-1.JPG

Zum Schaltbild. Da ich nicht genügend frei Portpins am ATXmega habe, übernimmt der ATTINY das Umschalten der Fx Programme. Jedes Programm hat dafür eine bestimmte PWM Spannung die am ADC-Eingang (PB4) gemessen wird und an den Ports PB0-PB2 binär ausgegeben wird.

Die Parametereinstellung für den Fx Chip übernehmen drei PWM-Sigale vom ATXmega MCU.

Fx PCB
FxCircuit.jpg

Fx PCB.jpg

Soundbeispiele mit Spin FV-1 Reverb Chip




This is an 8 bit machine :fellseq:


Gruß Rolf
 
Zuletzt bearbeitet:
  • Daumen hoch
M.i.a.u.: lowcust
  • #628
Hallöchen..

Hab mal wieder etwas Geld ausgegeben für ein paar technische Spielereien. So zB für ein paar tolle
Bluetooth Kopfhörer von Sennheiser mit dem Namen "Momentum True Wireless".

Da ich viel mit Bus und Bahn unterwegs bin und gerne übers Smartphone Musik höre, wollte ich endlich
mal gescheite Wireless Kopfhörer besitzen ohne den ständigen Kabelwirrwarr in meiner Jackentasche.

Sennheiser "Momentum True Wireless"


Die Sennheiser "Momentum True Wireless" haben mich im Klang doch sehr überrascht. In all meinen
Jahren als Musikkonsument habe ich noch nie einen so gut klingenden In Ear Kopfhörer besessen
großes Grinsen


Die Touchbedienung ist etwas gewöhnungsbedürftig. Aber nach einiger Zeit hat man es raus und
jetzt möchte ich sie nicht mehr missen. Der Akku in den Kopfhörern hält ca. 4 Stunden. Danach
können Sie in der mitgelieferten Ladeschale in ca. 1.5 Stunden wieder voll aufgeladen werden.
Das ganze funktioniert 2 mal ohne Stromanschluss. Danach muss die Ladeschale an die USB Strom-
versorgung. Insgesammt reicht das für ca. 12 Stunden vollen Musikgenuss ohne Steckdose.

Stürmische Grüße aus Wuppertal. Rolf
 
  • #629
Hallöchen..

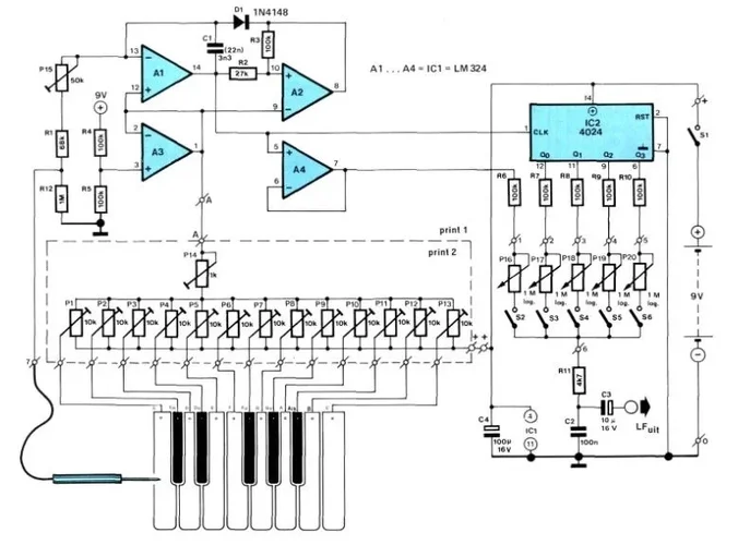
Auf der Elektor Homepage gibts jetzt einen einfachen Schaltplan für einen "Taschen-Synthesizer".

Link: https://www.elektormagazine.de/news/kleine-schaltungen-taschen-synthesizer-2-folge-30?utm_source=Elektor+Deutschland&utm_campaign=8e09ff1ebe-EMAIL_CAMPAIGN_6_11_2020_22_37&utm_medium=email&utm_term=0_7096e266f6-8e09ff1ebe-234308369&mc_cid=8e09ff1ebe&mc_eid=09a1cc0ad4

Dieser Funktioniert mit einem 4fach OpAmp der als VCO geschaltet ist und einem CMOS-Chip als
Frequenzteiler. Der kleine Synth besitzt sogar einen FM-Eingang um die Oszillator-Frequenz zu
modulieren. Schönes kleines Projekt für Einsteiger in den Kosmos der elektronischen Musik.

Kleiner Taschen-Synth
Taschensynth[1].jpg

Gruß Rolf
 
  • #630
immer noch wahnsinnig beeindruckendes projekt, fv1-addon macht sehr viel sinn.

bin gerade zu faul den ganzen thread nochmal zu lesen, aber wie sieht es mit der midi-imnplementierung aus? kann ich die wichtigsten synthese parameter leicht extern steuern, via NRPN oder sysex? oder gar OSC?
die frage kommt vor dem hintergrund eines moeglichen externen remote-/programmer-addons.
 

Neue Beiträge

News

Zurück
Oben