microbug
MIDIBug
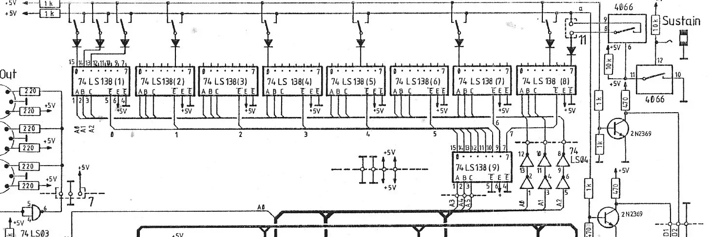
*Normalerweise* schaltet der Ausgang (=welche Spalte soll jetzt abgefragt werden?) gegen Masse und der Eingang (=welche Zeile in dieser Spalte ist gedrückt) wird auf Masse gezogen.
*Dann* gibt die Polung der Dioden vor, wo der Ausgang dran muss und wo der Eingang.
Aber: man kann die Abfrage-Pegel umdrehen(invertieren). Also so, dass die Spalten-Abfrage mit "H" Pegel erfolgt und die Zeilen dann Pull-Down-Widerstände bekommen. Wenn Aus- und Eingänge nicht vertauscht werden, muss man dafür die Dioden umdrehen - ganau was hier gebraucht wird.
Das geht übrigens nur mit CMOS-ICs. Damals, anno TTL, hatten die Einänge immer relativ niederohmige Pullups fest drin, damit wäre das nicht machbar gewesen. Diese "gedrehte" Logik hat sich bis heute gehalten, obwohl sie i.A. nicht mehr nötig wäre.
Fatar Standard mit gemeinsamer Kathode (DF) wird von den 8 Busleitungen T0-T7 aus abgefragt, also nacheinander auf 0 gezogen und dann an den 2x8xX Leitungen geschaut, wo was ankommt und die Zeitdifferenz zwischen den beiden Schließern ermittelt (MK/BK). Diese Methode nutzen auch die meisten anderen Hersteller wie MIDIplus, Huaxin, Medeli etc.
Bei Roland-Tastaturen, aber auch bei ein paar SCI Synths, mit gemeinsamer Kathode, wird von den MK/BK Leitungen aus auf 0 gezogen und an den 8 Busleitungen T0-T7 geschaut, was wo ankommt. Ist sogar im Servicemanual des JD-800 beschrieben. Bei Roland macht das schon seit mindestens dem JX-8P ein Gatearray, in aktuellen Modellen ein maskenprogrammierter Singlechipper.
Von der Matrix her sind Panasonic und Fatar Tastaturen identisch, auch Andere, nur Yamaha und Korg haben teils abweichende Belegungen.
Studiologic verbaut bei seinen eigenen Masterkeyboards boshafterweise ebenfalls die Roland-Polung ... Da sind schon Helden drüber gestolpert, die meinten, sie müßte Ihren Kurzweil mal mit einer Tastatur aus einem Numa ausstatten und wunderten sich dann, warum es nicht ging, gibt ein schönes Video dazu auf YouTube.
Zuletzt bearbeitet:





- aber es ist eine Frage der Stückzahl? Irgendeine Idee wie hoch die wäre? 10? Man müsste sich wohl nur wegen der Verbindung noch was überlegen, ich kann mir nicht vorstellen, dass man das Flexkabel direkt in die Fatar stecken kann...






