dcp
Ewige Miesmuschel
Leider hat der Macher des Videos seine Google Drive Files wieder gelöscht.Heute in der Post: Ein FREAQ FM Synth.
Leider hat der Macher des Videos seine Google Drive Files wieder gelöscht.Heute in der Post: Ein FREAQ FM Synth.
Leider hat der Macher des Videos seine Google Drive Files wieder gelöscht.

Wieder mal ne vielleicht völlig bescheuerte (nö, für mich selbst eigentlich nicht) Idee. :D Ein Modul zum Herausführen vom €rack Power Anschluss. Um mal schnell draussen ein Modul auszuprobieren
Weil das für mich selbst ist, mir macht das nichts aus, weil ich vorm Aufstecken hingucke. Da kann man genauso gut auch welche mit Wanne drauflöten, wenn man denn will.Warum denn eigentlich immer Pfostenstecker OHNE Wanne?
Find´ ich doof.
Ist schon klar, ganz so unbedarft geh ich da nicht ran ;)Ein kleines "ja, aber":
Ich würde das nur bei Modulen machen, die vorher als korrekt zusammengebaut und funktionierend (bzw. wenigstens keinen Schaden anrichtend) getestet wurden. Nicht, dass ein neues Modulk z.B. irgendwo einen "Kurzen" erzeugt und dann etwas anderes mitreißt.
Passender Thread bei MW
(Und jetzt weißte auch, wie alt ich bin).
(Und nein, weiss ich nicht, bin nicht bei MW angemeldet)
.Ging irgendwie nicht, kommt direkt der Login Screen, man dürfe nur angemeldet Inhalte lesen.Den Thread sollte man eigentlich auch unangemeldet sehen/lesen können?
Ging irgendwie nicht, kommt direkt der Login Screen, man dürfe nur angemeldet Inhalte lesen.
In die Mitte mit dem PSU Modul dann reicht es doch wenn die Module nicht all zu klein sind und nicht so hungrig, oder?wg langen Flachbandkabeln zum Ende hin.
Geht mir genau so. Hatte mir vor ein paar Wochen ein Behringer Go quasi als Testrack gekauft, es nochmal probiert mit den Schiebemuttern und bin dafür wohl doch zu alt und zu blöd. Zwei Wochen später dann Gewindestreifen gekauft und seit dem happy.Es ist mir immer noch ein Rätsel, wozu Verschiebemuttern erfunden wurden.
Das Geheimnis ist wohl das man mind. eine pro HP nimmt und dann auch "nicht" verschiebt egal was man einbaut.Schiebemuttern und bin dafür wohl doch zu ...
Yep, stimme zu. Allerdings hatte entweder Analog Systems oder Analog Solutions einen leicht versetzen Lochabstand, im Vergleich zu (damals fast nur Doepfer). Und für diese Mistdinger habe ich ein Rack mit Verschiebemuttern.Es ist mir immer noch ein Rätsel, wozu Verschiebemuttern erfunden wurden. Ich hatte ein Rack damit und immer dort, wo ich eine
Mutter brauchte war gerade keine. Ich musste Module herausschrauben, um diese Dinger an den Platz zu verschieben, wo ich sie
brauchte. Nur um beim nächsten Einbau wieder auf die Suche gehen zu müssen. Seither haben alle meine Racks Lochschienen
Stimmt schon, kann hart nerven, dauert alles länger etc. (wären ca. 200€ mehr für komplett Lochschienen, sind halt insg. so low-Budget DIY Cases, die ich da gezimmert hab)Ich hatte ein Rack damit und immer dort, wo ich eine
Mutter brauchte war gerade keine. Ich musste Module herausschrauben, um diese Dinger an den Platz zu verschieben, wo ich sie
brauchte. Nur um beim nächsten Einbau wieder auf die Suche gehen zu müssen.
Prinzipiell ja. Aber hab die Befürchtung dann evtl. "im eifer des Gefechts" ausversehen den On/Off zu erwischen, wenn man ins Kabel-wirrwarr greift.In die Mitte mit dem PSU Modul dann reicht es doch wenn die Module nicht all zu klein sind und nicht so hungrig, oder?

Hab da auch das ein o. andere DIY Modul, wo das nicht ganz hinkommt bei Lochschienen.Yep, stimme zu. Allerdings hatte entweder Analog Systems oder Analog Solutions einen leicht versetzen Lochabstand, im Vergleich zu (damals fast nur Doepfer). Und für diese Mistdinger habe ich ein Rack mit Verschiebemuttern.
dass Windows das Gerät nicht erkennt


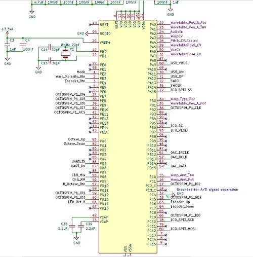
Was für ein "Prozessor" ist das genau?
Da ist kein USB Chip.
controllerstech.com

Folge dem Video um zu sehen, wie unsere Website als Web-App auf dem Startbildschirm installiert werden kann.
Anmerkung: Diese Funktion ist in einigen Browsern möglicherweise nicht verfügbar.