











wären sonst vielleicht physische Taster zusätzlich zu den Softbuttons eine Option?Die größeren Touch Displays haben in der Regel einen HDMI Anschluss. Nach meinem Wissen gibt es für das Teensy Boards noch keinen offiziellen HDMI Treiber.
Gruß Rolf
wären sonst vielleicht physische Taster zusätzlich zu den Softbuttons eine Option?



Ich meinte rings um das Display als „ haptische Softbuttons“Mal schaun. Taster habe ich ja genug im Degnerator2![]()
Ist mir auch schon passiert. Kurz die falschen Pins miteinander verbunden und das wars. Nicht reparierbar. RIP, Teensy.Kleine Zwangspause Gestern Abend sind mir 4 Teensys kaputt gegangen
Ich habe lediglich Txd und RxD beider Teensy verbunden und mich gewundert warum ich keine Daten empfange. Dem Grund kam ich schnell auf die Schliche. Der TXD Pin war defekt und hatte einen Kurzschluss zu GND.
Also dachte ich, dann nehme ich einfach einen anderen TXD Pin. Schließlich hat der Teensy genug davon. Auch das scheiterte, allerdings mit dem Resultat das die 3.3V Leitung eines Teensys einen Kurzschluss hatte und die Stromaufnahme bis zur eingestellten Strombegrenzung von 500mA anschlug.
Also habe ich beide Teensys entfernt und die Stromaufnahme der Schaltung ohne Teensys gemessen. Die lag jetzt bei wenigen Miliampere was volkommen in Ornung ist. Eine Überprüfung der RxD und TxD Leitung beider Teensys hat keine Verbindung zu GND, +3.3V , +5V oder +12V ergeben.
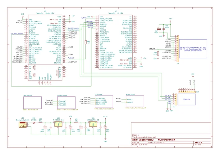
Vlt liegt es daran. In der Schaltung verwende ich unterschiedliche Spannungen. Die Eingangsspannung beträgt +12V. Über einen Schaltregler wird auf +5V geregelt. Danach folgt ein Festspannungsregler der am Ausgang +3.3V liefert. Die drei LED Treibern 74HC595 werden durch die +3.3V vom Teensy4.1 (Master) versorgt.
Die gemessene Stromaufnahme bei voller Beleuchtung (alle LEDs an) beträgt <50mA. Der +3.3V Anschluss vom Teensy4.1 kann max 250mA liefern. Also kein Problem denke ich.
Meine Vermutung für den Kurzschluss liegt bei den zwei unterschiedlichen +3.3V Spannungsquellen. Da der Teensy4.1 seine +3.3V Spannung etwas verzögert einschaltet und die Pullup Widerstände ihre +3.3V vom Festspannungsregler U51 (AMS1117CD-3.3) direkt und ohne nenenswerte Verzögerung bekommen, bekommt der Teensy4.1 eine Spannung auf den SPI Eingänge/Ausgäng. Aber irgendwie hat das auch nix mit den RxD und TxD Leitungen zu tun.
Ich werde die Schaltung jetzt abändern und an den RxD Pin vom 2.Teensy (Slave) einen Vorwiederstand von 1KOhm einbauen. Das sollte ausreichen um den Pin zu schützen.

Hello Rolf, I had this idea for a Jeannie 2.0...
Ich habe den Fortschritt in diesem Projekt bis heute nicht gesehen!! Es sieht auf halbem Weg zwischen dem Iridium und dem Zintek V5... wie auch immer...
Hmm, he builds Synths, you want a groovebox. These are totally different things.Hello Rolf, I had this idea for a Jeannie 2.0...
Ich habe den Fortschritt in diesem Projekt bis heute nicht gesehen!! Es sieht auf halbem Weg zwischen dem Iridium und dem Zintek V5... wie auch immer... Ich wollte nur mein Design für das, was ich dachte, wäre praktisch, wenn der Motor auch Drum-Sounds spielen könnte, in zwei Haupt-Busse, A und B, beide mit einem Mini Oled, dann in der Haupt-CPu mit dem 64-Step-Sequenzer gemischt, die zwei Bus-Endmixer vor der analogen Umwandlung vcamp -fx out...
Ich liebe dein neues Design...
just wanted to share mine, in case you'd need some extra ideas :D
Cerers-Grusse. jule.
Anhang anzeigen 255103
Noooo.... I don't want a "groovebox"Hmm, he builds Synths, you want a groovebox. These are totally different things.
Zyntjian has all things you want.




Danke Rolf! I am building a diy Zynthian "kind of" with a Pi5... Pi5 has introduced Monitor protection via the rp1 IC and has broken compability with all older libs that used to work with GPIOs. Zynthian Os has managed to install a mod-ttymidi and a user virtual environment to bypass some of these "limitations". I'm going full DIY starting from a standard Pi Os 12 bookworm because I wanted to experiment myself with it... Yes it's very powerful CPU but it's got lots of small problems... If I knew it was so hard I would have bought a Zynthian V5 instead immediately... (but it's not all roses and flowers...I2C especially)Thanks for your comparison. Unfortunately, the Degenerator2 doesn't have the CPU power of an Iridium or Zynthian. The Degenerator2 incorporates a large portion of Jeannie and the old Degenerator version (8-bit sampler). The main difference is that the Degenerator2 has three oscillators per voice and can play 16-bit samples. Additionally, there's a capacitive touchscreen and a digital effects module.
Danke für deinen Vergleich. Aber der Degenerator2 hat leider nicht die CPU Power wie ein Iridium oder Zynthian. Im Degnerator2 ist ein großer Teil von Jeannie und der alten Degnerator Version (8bit Sampler) enthalten.
Der Unterschied besteht im wesentlichen darin, dass im Degenerator2 drei Oszillatore pro Stimme existieren und 16Bit Samples abgespielt werden können. Zusätzlich gibt es ein kapazitives Touch Display und digitales Effekt Modul.


But could Jeannie incorporate a small portion of Degenerator also?Thanks for your comparison. Unfortunately, the Degenerator2 doesn't have the CPU power of an Iridium or Zynthian. The Degenerator2 incorporates a large portion of Jeannie and the old Degenerator version (8-bit sampler). The main difference is that the Degenerator2 has three oscillators per voice and can play 16-bit samples. Additionally, there's a capacitive touchscreen and a digital effects module.
Danke für deinen Vergleich. Aber der Degenerator2 hat leider nicht die CPU Power wie ein Iridium oder Zynthian. Im Degnerator2 ist ein großer Teil von Jeannie und der alten Degnerator Version (8bit Sampler) enthalten.
Der Unterschied besteht im wesentlichen darin, dass im Degenerator2 drei Oszillatore pro Stimme existieren und 16Bit Samples abgespielt werden können. Zusätzlich gibt es ein kapazitives Touch Display und digitales Effekt Modul.




Kostet das nicht rechenzeit?

Folge dem Video um zu sehen, wie unsere Website als Web-App auf dem Startbildschirm installiert werden kann.
Anmerkung: Diese Funktion ist in einigen Browsern möglicherweise nicht verfügbar.