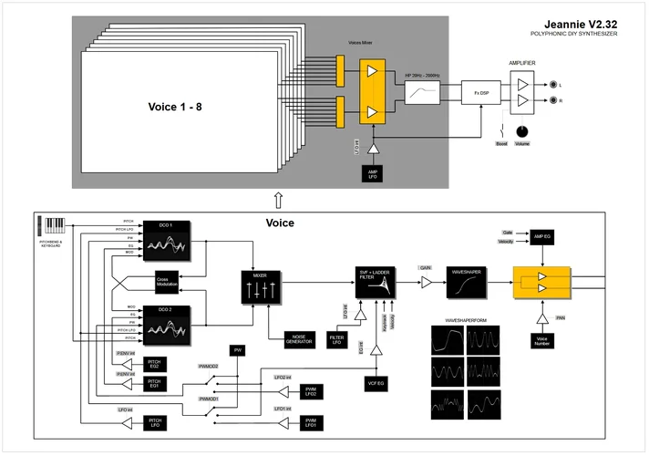
Im Poly Modus sind die Stimmen anders verteilt wie im Unison- und Mono-Mode.Ich hatte den Eindruck du willst das wieder rausnehmen bzw. durch "normales" Panning ersetzen, aber vielleicht geht ja auch beides.
Der Track besteht nicht nur aus Samples, das Pad stammt vom FS1R, die Bells vom TX81z, der Bass und der Synth Lead Sound vom CZ-1.Ach her je.. Ich liebe Samples :) Der nächste DIY Synth wird auf jeden Fall ein polyhoner Sampler![]()
Ach her je.. Ich liebe Samples :) Der nächste DIY Synth wird auf jeden Fall ein polyhoner Sampler![]()
Ups.. Da hab ich mich verhört. Heißt doch Codo der Dritte im Song von DÖF :)

16.04.23 | V2.34 | Mono-Mode integriert |
| | Mono : 1stimmig |
| | Mono-2 : 2stimmig |
| | Mono-3 : 3stimmig |
| | Mono-4 : 4stimmig |
| | Mono-6 : 6stimmig |
| | Sequenzer: LEN-Einstellung (Anzahl der Steps) im RND Mode funktioniert jetzt richtig |
| | Sequencer: REC-Mode geht wieder |
| | VCA Panorama im Patch speicherbar |
| | Midi-Controller-Nummer Ctrl # 10 Panorama hinzugefügt |
| | Pickup Funktion in allen Menüs entfernt. Pickup nur noch auf der Hauptseite bei der Einblendung der Funktionsparameter (über Shift) |
| | Einheitliche Parameterwerte von 0-127. In Außnahmen anders |
Ich würde mir auch eine dedizierte Webseite für die Jeannie wünschen. Z. B. mit Inhalten und Kanälen wie:
- Bugtracking
- Firmware download und Infos (Historie)
- Community Soundpatches (mit Vorhörfunktion)
- Manuals
Aber ich denke, das ist zu viel Aufwand aktuell für die 2 Entwickler. Würde aber meiner Meinung die Jeannie unheimlich aufwerten und die ganze Kommunikation in beide Richtungen professionalisieren (win-win).
Aber wie gesagt, ich denke da fehlen vermutlich leider die Kapazitäten, das zu managen.
Jo, wenn die Stimmenzuweisung fertig ist wird das Project mal aktualisiert.Es gibt ein Github repository, aber das scheint etwas in Vergessenheit geraten zu sein: https://github.com/rolfdegen/Jeannie-Open-source-Synthesizer
Nein. Wobei , es ist doch wirklich nicht schwierig das kleine prog aufzurufen und schnell die Firmware rüber zu spielen .Kleine aber wahrscheinlich schwierig umzusetzende Anregung: Beim WLED-Projekt (hat nix mit Musik zu tun) kann man sein ESP-Board direkt aus dem Chrome-Browser mit der Firmware flashen. Finde ich ziemlich cool. Ob sowas auch mit dem Teensy-Board klappt?
Wie gesagt: Anregung, kein Vorwurf, wie kompliziert das alles ist. Also bitte countenance bewahrenNein. Wobei , es ist doch wirklich nicht schwierig das kleine prog aufzurufen und schnell die Firmware rüber zu spielen .
Dauert bei mit 10s. Wir wollen das Rad nicht neu erfinden sondern mit gegebenen Mitteln das optimale rausholen. Wer soll das den alles entwickeln ?
G
Andre'
Vielleicht kommt es ja irgendwann auch für Teensy. Solange stelle ich meine Anregung zurück.
Warum das? Ich finde, dass das ein sehr nützliches Feature war. Außerdem hat mir viel versehentliches Einstellen erspart, wo ich am Falschen Potentiometer gedreht hatte.Pickup Funktion in allen Menüs entfernt. Pickup nur noch auf der Hauptseite bei der Einblendung der Funktionsparameter (über Shift)
Habe es gerade probiert ....
Es ist noch einiges zu tun (hast du ja schon geschrieben).
Es ist halt eine Beta ....
In der OSC sektion hakt es an einigen stellen.
Die QSaw wird von irgend etwas Moduliert ???
Die PW der Square lässt sich zwar verstellen aber man hört davon nix ???
Auch der Seq ist im Mono mode nicht nutzbar.
// SuperSaw
case WAVEFORM_SAWTOOTH:
phase_spread = (phase_increment >> 14) * SupersawSpreadA; // Spread Wert
++phase_spread;
saw_phase_increment = (phase_increment & 0x0000F9F3);
for (uint8_t i = 0; i < 4; ++i) {
saw_phase_increment += phase_spread;
increments[i] = saw_phase_increment;
}
for (i=0; i < AUDIO_BLOCK_SAMPLES; i++) {
data_qs_phase[0] -= increments[0];
data_qs_phase[1] -= increments[1];
data_qs_phase[2] += increments[2];
data_qs_phase[3] += increments[3];
ph_1 = phasedata[i];
ph_2 = (ph_1 + data_qs_phase[0]);
ph_3 = (ph_2 + data_qs_phase[1]);
ph_4 = (ph_3 + data_qs_phase[2]);
ph_5 = (ph_4 + data_qs_phase[3]);
Ssaw_value = signed_multiply_32x16t(magnitude * Supersaw_gain1A, ph_1); // Supersaw_gain1A Stärke der Phase 1 (SAWMIX)
Ssaw_value += signed_multiply_32x16t(magnitude * Supersaw_gain2A, ph_2); // Supersaw_gain2A Stärke der Phasen 2-5 (SAWMIX)
Ssaw_value += signed_multiply_32x16t(magnitude * Supersaw_gain2A, ph_3);
Ssaw_value += signed_multiply_32x16t(magnitude * Supersaw_gain2A, ph_4);
Ssaw_value += signed_multiply_32x16t(magnitude * Supersaw_gain2A, ph_5);
*bp++ = Ssaw_value;
}
break;
Alles gut ....Habe ich auch nicht als Vorwurf gesehen. Ihr solltet aber bedenken was wir nur 2 Mann sind. Vieleicht gibt es ja tatsächlich einen Html Code den ich einfach auf die Webseite implementieren kann.Wie gesagt: Anregung, kein Vorwurf, wie kompliziert das alles ist. Also bitte countenance bewahren
Ich kam darauf (wie gesagt) durch das WLED-Projekt und auch weil Du fragtest ob Du einen Softwarecontroller für die Jeannie programmieren sollst.
Trotzdem denke ich, dass das in ein paar Jahren schlüsselfertig zum Einbauen in eine Webseite zu jedem zu flashenden Gerät möglich sein wird, und man muss nix programmieren( was ja auch nahe liegt). Aber nach Deiner Reaktion anscheinend technisch heute noch nicht möglich. Danke.
Update: Ich sehe gerade, es ist ein ESP-spezifisches Tool: https://esphome.github.io/esp-web-tools/
Vielleicht kommt es ja irgendwann auch für Teensy. Solange stelle ich meine Anregung zurück.
Das mit den nur 2 Entwicklern haben wahrscheinlich die meisten Jeannie-Interessierten verstanden. Wie gesagt, ging es mir darum, bitte nicht reflexhaft zu reagieren mit: „Nein!!! Seid Ihr WAHNSINNIG?!?!“Ihr solltet aber bedenken was wir nur 2 Mann sind. Vieleicht gibt es ja tatsächlich einen Html Code den ich einfach auf die Webseite implementieren kann.
Direkt bei Erika. Ich verlinke nur.Cool, sieht gut aus! Wie wird das mit der Bestellung laufen?
Bestellt man das case auf eurer Seite oder direkt bei Erica Synths?
Folge dem Video um zu sehen, wie unsere Website als Web-App auf dem Startbildschirm installiert werden kann.
Anmerkung: Diese Funktion ist in einigen Browsern möglicherweise nicht verfügbar.